Редуктор ВК-350
Крановые редукторы ВК-350
Специальные крановые редукторы ВК-350 устанавливаются вертикально (отсюда пошло второе название – вертикальные редукторы) или под наклоном. Данные устройства применяют для обеспечения работы движущихся механизмов конструкции.
Для правильного функционирования устройства необходимо соблюдать следующие условия эксплуатации:
- быстроходный вал не должен вращаться со скоростью, которая превышает 1000 об/мин;
- помещение, в котором находится редуктор ВК-350, должно иметь неагрессивную, сухую и малозапыленную среду;
- температура окружающей среды не должна выходить за диапазон от -40 до +500С.
Компания «Промпривод» производит только качественные редукторы и элементы привода к ним. У нас вы сможете приобрести как готовую продукцию, так и оформить заказ на ее изготовление. Любая продукция имеет гарантию в течение 12 месяцев, а так же сертификат качества или паспорт. Будем рады нашему сотрудничеству. Не раздумывайте, звоните, и убедитесь в качестве сами!
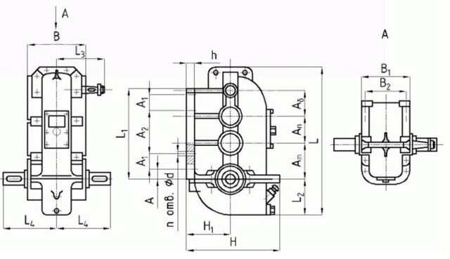
Чертеж и габаритные размеры редуктора ВК-350

| awб | awпр | awт | a | B | B1 | B2 | B3 | B4 | B5 | H | Н0 | L | L1 | М | С |
| 90 | 130 | 130 | 20 | 170 | 197,5 | 180 | 220 | - | 185 | 298 | 160 | 558 | 280 | 140 | 132 |
| S | S1 | S2 | Ød | Ød1 | Ød2 | Ød3 | d4 | l1 | l2 | l3 | b1 | b2 | t1 | t2 | n отв. |
| 50 | - | 185 | 17 | 30 | М20x1,5 | 45 | 35 | 60 | 80 | 55 | 8 | 10 | 16,5 | 38,5 | 4 |
Характеристики представленного кранового редуктора
| Типоразмер | ВК-350 | |||||
| Номинальное передаточное | 10,0 | 14,0 | 31,5 | 50,0 | ||
| Номинальный крутящий момент | 10 (600) | Тяжелый | 398 | 423 | 501 | 478 |
| Средний | 478 | 490 | 552 | 557 | ||
| Легкий | 541 | 579 | 652 | 637 | ||
| Особо легкий | 764 | 802 | 902 | 875 | ||
| 12,5 (750) | Тяжелый | 369 | 410 | 481 | 478 | |
| Средний | 433 | 499 | 562 | 573 | ||
| Легкий | 497 | 570 | 642 | 637 | ||
| Особо легкий | 751 | 784 | 882 | 891 | ||
| 16,6 (1000) | Тяжелый | 325 | 401 | 481 | 478 | |
| Средний | 382 | 468 | 541 | 573 | ||
| Легкий | 449 | 535 | 632 | 621 | ||
| Особо легкий | 716 | 762 | 872 | 860 | ||
| Наибольший кратковременно допустимый крутящий момент на тихоходном валу, Тmax, Н×м | 13500 | |||||
| Масса, кг, не более | 77 | |||||
Варианты сборки редуктора ВК-350

Пример условного обозначения редуктора ВК-350

Редуктор ВК-350
Нет отзывов об этом товаре.
Нет отзывов о данном товаре, станьте первым, оставьте свой отзыв.
Нет вопросов о данном товаре, станьте первым и задайте свой вопрос.