Редуктор ВК-475
Крановые вертикальные редукторы ВК-475
Редукторы, которые используются в крановых установках для приведения в движение движущихся механизмов, относятся к группе ВК. Устройство ВК-475 имеет три ступени цилиндрической передачи и 475 мм межосевое расстояние.
Редукторы рекомендуются к использованию в неагрессивной среде умеренного или тропического климата. Не следует допускать, чтобы скорость вращения входного вала превышала 1000 об/мин. Так же следует помнить, что редуктор следует устанавливать в вертикальном или наклонном положении.
Сломался редуктор и его срочно нужно заменить? Не проблема, компания «Промпривод» предлагает огромный выбор готовых устройств или их изготовление. Все редукторы проходят комиссию ОТК и имеют гарантию в течение 12 месяцев. Больше информации вы сможете узнать у наших менеджеров. Звоните, будем рады вам помочь!
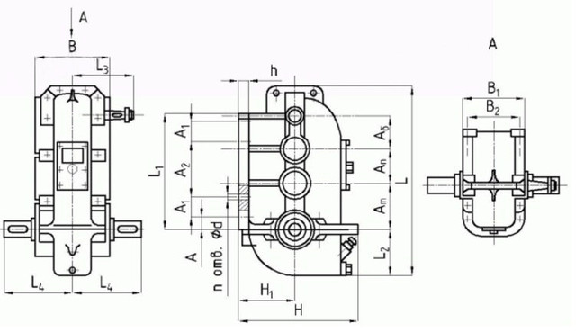
Чертеж и габаритные размеры редуктора ВК-475

| Типоразмер редуктора | АБ | АП | АТ | А | А1 | А2 | В | В1 | В2 | H | Н1 | h | L | L1 | L2 | L3 | L4 | d | n | Масса |
| мм | шт | кг | ||||||||||||||||||
| ВК-475 | 105 | 160 | 210 | 50 | 80 | 200 | 255 | 250 | 215 | 458 | 220 | 25 | 790 | 482 | 200 | 242,5 | 260 | 17 | 8 | 215 |
Характеристики представленной модели кранового трехступенчатого редуктора
| Номинальное передаточное отношение | 20 | 28 | 50 | 112 | |
| Номинальная частота вращения (об/мин) | 1000 | ||||
| Номинальный крутящий момент на тихоходном валу, | ПВ 40 % | 1300 | 1800 | 1600 | 1700 |
| ПВ 25 % | 1500 | 2200 | 1850 | 2000 | |
| ПВ 15 % | 1700 | 2500 | 2200 | 2300 | |
| Масса, кг, не более | 215 | ||||
Варианты сборки редуктора ВК-475

Пример условного обозначения редуктора ВК-475

Редуктор ВК-475
Нет отзывов об этом товаре.
Нет отзывов о данном товаре, станьте первым, оставьте свой отзыв.
Нет вопросов о данном товаре, станьте первым и задайте свой вопрос.