Редуктор ВК-550
Вертикальные редукторы ВК-550
Вертикальные редукторы ВК-550 используются в качестве привода в подъемных и транспортных механизмах. Их можно встретить на подъемных кранах, крановых тележках и многих других устройствах.
Редукторы группы ВК рекомендуется использовать в умеренном или тропическом климате с неагрессивной средой. Помещение, в котором они находятся, должно иметь запыленность воздуха не более 10 мг/м3. Устройство может выдерживать перепады температуры окружающей среды от -40 до +500С.
Купить редуктор ВК-550 можно на нашем сайте компании «Промпривод» по самой выгодной цене. Для оформления заявки, Вам всего лишь нужно позвонить нашим менеджерам на указанный на сайте номер или заполнить форму онлайн.
Покупая товар на нашем предприятии, Вы получаете не только высочайшее качество изделия, но и:
- цены ниже рынка на 3-10%,
- оригинальный паспорт,
- гарантию 12 месяцев,
- оперативную доставку по всей территории Украины.
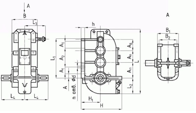
Чертеж и габаритные размеры редуктора ВК-550

| awб | awпр | awт | a | B | B1 | B2 | B3 | B4 | B5 | H | Н0 | L | L1 | М | С |
| 140 | 190 | 220 | 25 | 285 | 257.5 | 280 | 280 | 195 | 245 | 488 | 235 | 880 | 557 | 340 | 215 |
| S | S1 | S2 | Ød | Ød1 | Ød2 | Ød3 | d4 | l1 | l2 | l3 | b1 | b2 | t1 | t2 | n |
| 50 | 70 | 320 | 17 | 40 | М24×2 | 50 | 80 | 82 | 110 | 10 | 22 | 21 | 85 | 8 | |
Характеристики представленной модели кранового трехступенчатого редуктора
| Типоразмер | ВК-550 | |||||
| Номинальное передаточное | 18 | 31,5 | 71 | 125 | ||
| Номинальный крутящий момент на тихоходном валу, Т, Н×м; при номинальной частоте вращения быстроходного вала, с-1(об/мин) | 10 (600) | Тяжелый | 2200 | 2300 | 2400 | |
| Средний | 2600 | 2700 | 2800 | |||
| Легкий | 3000 | 3100 | 3200 | |||
| 12,5 | Тяжелый | 2200 | 2400 | |||
| Средний | 2600 | 2800 | ||||
| Легкий | 3000 | 3200 | ||||
| 16,6 (1000) | Тяжелый | 2150 | 2000 | 2300 | 2400 | |
| Средний | 2600 | 2400 | 2700 | 2800 | ||
| Легкий | 2900 | 2800 | 3150 | 3200 | ||
| Наибольший кратковременно допустимый крутящий момент на тихоходном валу, | 10 (600) | 9250 | 10900 | 11200 | ||
| 12,5 (750) | 8500 | |||||
| 16,6 (1000) | 7500 | 10600 | ||||
| Масса, кг, не более | 279 | |||||
Варианты сборки редуктора ВК-550

Пример условного обозначения редуктора ВК-550

Редуктор ВК-550
Нет отзывов об этом товаре.
Нет отзывов о данном товаре, станьте первым, оставьте свой отзыв.
Нет вопросов о данном товаре, станьте первым и задайте свой вопрос.