Черв'ячний редуктор Ч-100
Черв'ячний одноступінчастий редуктор Ч-100
Черв'ячний одноступінчастий редуктор Ч-100 (з міжосьовою відстанню 100 мм) при безперервному режимі роботи здатний передавати крутний момент на вихідному валу до 515 Нм в межах передавальних чисел від 8 до 80. Застосовується як самостійний механізм, так і при компонуванні мотор-редуктора МЧ- 100.
Редуктор має повітряне охолодження, яке здійснюється за рахунок вентилятора, встановленого на вхідному валу.
Редуктор Ч 100 умови експлуатації:
- навантаження постійне та змінне одного напрямку та реверсивне;
- робота постійна та з періодичними зупинками;
- обертання валів у будь-який бік;
- температура довкілля від мінус 40 до плюс 50С;
- зовнішнє середовище неагресивне, невибухонебезпечне.
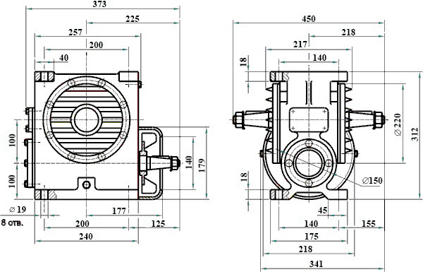
Габаритні та приєднувальні розміри:

Розміри вхідних/вихідних валів редуктора

| Вихідні кінці валів | L | L1 | L2 | L3 | b | d | d1 | t | m | |
| Конічні | Швидкохідний вал | 80 | 58 | 24 | 18 | 6 | 32 | M20×1,5-8g | 17.05 | – |
| Тихохідний вал | 110 | 82 | 32 | 25 | 12 | 45 | M30×2-8g | 23.45 | – | |
| Циліндричні | Швидкохідний вал | 80 | – | – | – | 10 | 32 | – | 35 | – |
| Тихохідний вал | 110 | – | – | – | 14 | 45 | – | 48.5 | – | |
| Вал порожнистий шліцевий | 205 | 90 | 57.5 | – | – | 45 | 46 | – | 2 | |
Примітка: Редуктор Ч-100 за замовчуванням укомплектований конічними вхідними та вихідними валами. Циліндричне виготовлення вхідного та/або вихідного вала обговорюються під час замовлення.
Варіанти складання та розташування черв'ячної пари редуктора:


Технічні характеристики редуктора
| Передавальні числа | Частота обертання вхідного вала, об/хв | Максимальне навантаження на валу | |||||||
| Ном. | Факт. | 1500 | 1000 | 750 | Вхід. вал, Н | Вихід. вал, Н | |||
| Допустимий Мкр на вих. валу, Нм | ККД | Допустимий Мкр на вих. валу, Нм | ККД | Допустимий Мкр на вих. валу, Нм | ККД | ||||
| 8 | 7.75 | 380 | 0.93 | 426 | 0.92 | 477 | 0.91 | 800 | 5500 |
| 10 | 10 | 367 | 0.93 | 410 | 0.91 | 460 | 0.9 | ||
| 12.5 | 13 | 374 | 0.92 | 420 | 0.9 | 470 | 0.89 | ||
| 16 | 15.5 | 392 | 0.89 | 440 | 0.87 | 492 | 0.85 | ||
| 20 | 20 | 389 | 0.87 | 414 | 0.85 | 464 | 0.83 | ||
| 25 | 26 | 372 | 0.87 | 417 | 0.84 | 466 | 0.83 | ||
| 31.5 | 31 | 400 | 0.7 | 448 | 0.66 | 500 | 0.63 | ||
| 40 | 40 | 387 | 0.78 | 433 | 0.74 | 485 | 0.71 | ||
| 50 | 52 | 389 | 0.77 | 436 | 0.73 | 488 | 0.71 | ||
| 63 | 64 | 313 | 0.69 | 350 | 0.64 | 396 | 0.6 | ||
| 80 | 78 | 292 | 0.69 | 327 | 0.61 | 366 | 0.58 | ||
Червячный редуктор Ч-100
Відгуків про цей товар ще не було.
Немає відгуків про цей товар, станьте першим, залиште свій відгук.
Немає питань про даний товар, станьте першим і задайте своє питання.