Черв'ячний редуктор Ч-125
Редуктор Ч-125 одноступінчастий черв'ячний
Редуктор Ч-125 черв'ячний одноступінчастий універсальний загального призначення та призначений для зміни крутного моменту та частоти обертання та експлуатації в мікрокліматичних районах з помірним кліматом (виконання П), з сухим та вологим тропічним кліматом (виконання Т) категорій розміщення 1, 2, 3, 4 за ГОСТ 15150-69.
УМОВИ ЗАСТОСУВАННЯ РЕДУКТОРІВ Ч-125:
- навантаження постійне та змінне одного напрямку та реверсивне;
- робота постійна та з періодичними зупинками;
- обертання валів у будь-який бік;
- температура довкілля - від мінус 40 до плюс 50°С;
- зовнішнє середовище - неагресивне, невибухонебезпечне.
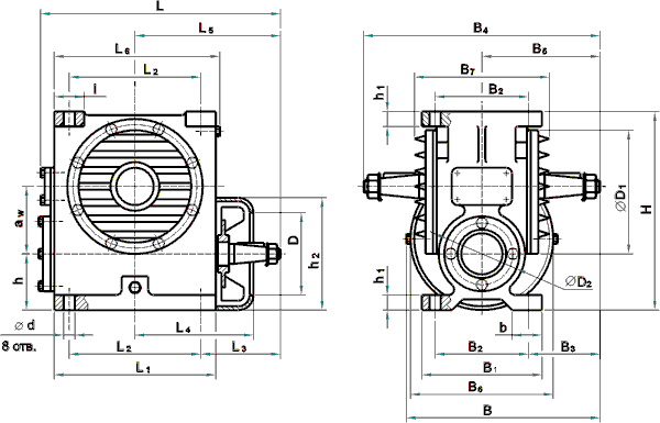
Габаритні та приєднувальні розміри


| Типорозмір редуктора | aw | L | L1 | L2 | L3 | L4 | L5 | L6 | I | d | b | H | h |
| Ч-125 | 125 | 437 | 275 | 230 | 146 | 210 | 261 | 290 | 45 | 19 | 60 | 396 | 111 |
| Типорозмір редуктора | h1 | h2 | D | D1 | D2 | B | B1 | B2 | B3 | B4 | B5 | B6 | B7 |
| Ч-125 | 22 | 217 | 165 | 275 | 170 | 363 | 230 | 190 | 135 | 460 | 230 | 246 | 242 |
| Типорозмір редуктора | Вихідні кінці валів | L | L1 | L2 | L3 | b | d | d1 | t | m | |
|
Ч-125 | Конічні | Вал швидкохідний | 80 | 58 | 24 | 18 | 6 | 32 | М20хl,5 8g | 17,05 | - |
| Вал тихохідний | 110 | 82 | 38 | 30 | 14 | 55 | М36х3 8g | 28.95 | - | ||
| Циліндричні | Вал швидкохідний | 80 | - | - | - | 10 | 32 | - | 35 | - | |
| Вал тихохідний | 110 | - | - | - | 16 | 55 | - | 49 | - | ||
| Вал порожнистий шліцевий | 230 | 110 | 60 | - | - | 55 | 60 | - | 2,5 | ||
Примітка: Редуктор Ч-125 за замовчуванням укомплектований конічними вхідними та вихідними валами. Циліндричне виготовлення вхідного та/або вихідного вала обговорюються під час замовлення.
Варіанти збирання та розташування черв'ячної пари редуктора:


Технічні характеристики редуктора Ч-125
| Передавальні числа | Частота обертання вхідного вала, об/хв | Максимальне навантаження на валу | |||||||
| Ном. | Факт. | 1500 | 1000 | 750 | Вхід. вал, Н | Вихід. вал, Н | |||
| Допустимий Мкр на вих. валу, Нм | ККД | Допустимий Мкр на вих. валу, Нм | ККД | Допустимий Мкр на вих. валу, Нм | ККД | ||||
| 8 | 8 | 659 | 0.93 | 758 | 0.92 | 826 | 0.91 | 1200 | 8000 |
| 10 | 10 | 636 | 0.93 | 712 | 0.92 | 800 | 0.91 | ||
| 12.5 | 13 | 626 | 0.92 | 700 | 0.91 | 785 | 0.89 | ||
| 16 | 16 | 676 | 0.89 | 757 | 0.87 | 850 | 0.86 | ||
| 20 | 20 | 653 | 0.88 | 730 | 0.86 | 820 | 0.84 | ||
| 25 | 25 | 616 | 0.87 | 690 | 0.84 | 772 | 0.82 | ||
| 31.5 | 32 | 800 | 0.81 | 890 | 0.78 | 1000 | 0.75 | ||
| 40 | 40 | 692 | 0.79 | 715 | 0.76 | 870 | 0.73 | ||
| 50 | 52 | 640 | 0.77 | 717 | 0.73 | 803 | 0.7 | ||
| 63 | 60 | 610 | 0.76 | 683 | 0.71 | 765 | 0.68 | ||
| 80 | 84 | 525 | 0.69 | 590 | 0.63 | 660 | 0.6 | ||
ПРИКЛАД УМОВНОГО ПОЗНАЧЕННЯ ПРИ ЗАМОВЛЕННІ:
Редуктор Ч125-40-51-У3-В де:
Ч - тип редуктора;
125 - міжосьова відстань, мм;
40 - номінальне передавальне число;
51 - варіант складання;
У3 - кліматичне виконання й категорія розміщення;
В - постачання редуктора з вентилятором (для режиму роботи — 1).
Червячный редуктор Ч-125
Відгуків про цей товар ще не було.
Немає відгуків про цей товар, станьте першим, залиште свій відгук.
Немає питань про даний товар, станьте першим і задайте своє питання.