Двоступеневий редуктор КЦ1-200
Коническоциліндричний редуктор КЦ1-200
Двоступеневий кініческоциліндричний редуктор КЦ1-200 застосовується у виробах підіймально-транспортного обладнання та збільшення крутного моменту різноманітних механізмів і машин. Цей вид редукторів широко використовується в таких сферах людської діяльності:
- Машинобудування.
- Деревооброблення.
Умови застосування:
- Використовується для безперервної роботи.
- Періодичні зупинки під час постійної роботи.
Допускається обертання валів у обидві сторони за частоти обертання вхідного вала не менш ніж 1500 об./хв, а зубчастих передач із окружною швидкістю не більш ніж 12 м/с.
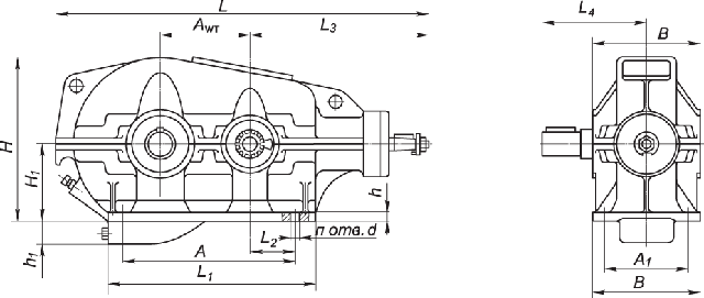
Конструкція редуктора КЦ1-200

Габаритні та приєднувальні розміри
| Aw | A | A1 | B | H | H1 | h | h1 | L | L1 | L2 | L3 | L4 | d |
| 200 | 375 | 250 | 300 | 435 | 225 | 20 | - | 900 | 480 | 85 | 460 | 247 | 17 |
Розміри швидкохідного (конічного) валу редуктора КЦ1-200

| d | d1 | I | I1 | b | t |
| 40 | М24×2 | 110 | 82 | 10 | 20.9 |
Розміри тихохідного (циліндричного) валу редуктора КЦ1-200

| d2 | I2 | b1 | t1 |
| 45 | 80 | 14 | 48.5 |
Розміри тихенькохідного вала (зубчастої півмуфти) редуктора КЦ1-200
| b | d | d1 | L | I | I1 | Зачеплення | |
| m | z | ||||||
| 20 | 126 | 80 | 219 | 14 | 45 | 3 | 40 |
Редуктор КЦ1-200 має 3 варіанти збирання, які показані нижче:

Редуктор КЦ1-200 умовне позначення:
КЦ1-200-28-41Ц-У3, де:
- КЦ1 - тип редуктора;
- 200 — міжосьова відстань, мм;
- 28 — номінальне передавальне число;
- 41 — варіант збирання;
- Ц - циліндричний кінець вихідної вали;
- У3 — кліматичне виконання й категорія розміщення за ГОСТом 15150-69
Важно. Виконування кінця тихенькохідного вала може бути циліндричним — Ц або у формі частини зубчастої муфти — М.
Компанія "Промпривод" надає широкий асортимент промислового обладнання для будь-яких завдань. Для того, щоб замовити потрібний товар, Ви можете заповнити форму замовлення на сторінці товару або зателефонувати телефонами, зазначеними на сайті, також ми надаємо безплатну консультацію з питань, які цікавлять Вас. Здійснюється швидка та своєчасна доставка по всіх регіонах України.
Двухступенчатый редуктор КЦ1-200
Відгуків про цей товар ще не було.
Немає відгуків про цей товар, станьте першим, залиште свій відгук.
Немає питань про даний товар, станьте першим і задайте своє питання.