Двоступеневий редуктор КЦ1-250
Коническоциліндричний редуктор КЦ1-250
Двоступеневі редуктори КЦ1-250 широко використовуються у підіймально-транспортному обладнанні. У конструкцію входять вали, які розташовані в горизонтальній площині. Цей вид редукторів здатний безперервно працювати за 600, 1000, 1500 обертів на хвилину вхідного вала.
Умови застосування:
- Обертання валів у будь-який бік.
- Періодичні зупинки під час постійної роботи.
- Змінне або постійне навантаження.
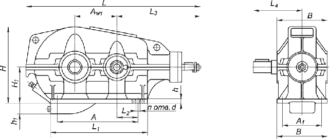
Конструкція редуктора КЦ1-250

Габаритні та приєднувальні розміри
| Aw | A | A1 | B | H | H1 | h | h1 | L | L1 | L2 | L3 | L4 | d |
| 250 | 480 | 325 | 375 | 515 | 265 | 25 | - | 1170 | 600 | 120 | 625 | 320 | 22 |
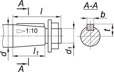
Розміри швидкохідного (конічного) валу редуктора КЦ1-250

| d | d1 | I | I1 | b | t |
| 50 | М36×3 | 110 | 82 | 12 | 26 |
Розміри тихохідного (циліндричного) валу редуктора КЦ1-250

| d2 | I2 | b1 | t1 |
| 55 | 110 | 16 | 59 |
Розміри тихохідного вала (зубчастої півмуфти) редуктора КЦ1-250
| b | d | d1 | L | I | I1 | Зачеплення | |
| m | z | ||||||
| 25 | 150 | 90 | 267 | 14 | 48 | 3 | 48 |
Редуктор КЦ1-250 має 3 варіанти збирання, які показані нижче:

Редуктор КЦ1-250 умовне позначення:
КЦ1-250-28-41Ц-У3, де:
- КЦ1 - тип редуктора;
- 250 — міжосьова відстань, мм;
- 28 — номінальне передавальне число;
- 41 — варіант збирання;
- Ц - циліндричний кінець вихідної вали;
- У3 — кліматичне виконання й категорія розміщення за ГОСТом 15150-69
Важно. Виконування кінця тихенькохідного вала може бути циліндричним — Ц або у формі частини зубчастої муфти — М.
Компанія "Промпривод" надає широкий асортимент промислового обладнання для будь-яких завдань. Для того, щоб замовити потрібний товар, Ви можете заповнити форму замовлення на сторінці товару або зателефонувати телефонами, зазначеними на сайті, також ми надаємо безплатну консультацію з питань, які цікавлять Вас. Здійснюється швидка та своєчасна доставка по всіх регіонах України.
Двухступенчатый редуктор КЦ1-250
Відгуків про цей товар ще не було.
Немає відгуків про цей товар, станьте першим, залиште свій відгук.
Немає питань про даний товар, станьте першим і задайте своє питання.