Двоступеневий редуктор КЦ1-300
Коническоциліндричний редуктор КЦ1-300
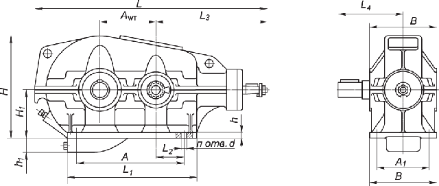
Редуктори КЦ1-300 — це кістковисько-циліндричні двоступеневі механізми, які широко застосовуються у підіймально-транспортному обладнанні. У конструкції встановлюються конічні колеса зі спіральним зубом і пара циліндричних косозубих коліс. Вали редукторів встановлюються на підшипники кочення, які монтуються в чавунному корпусі.
Умови застосування:
- Змінні або постійні навантаження.
- Можливість обертання валів у будь-який бік.
- Періодичні зупинки під час постійної роботи.
Конструкція редуктора КЦ1-300

Габаритні та приєднувальні розміри
| Aw | A | A1 | B | H | H1 | h | h1 | L | L1 | L2 | L3 | L4 | d |
| 300 | 545 | 350 | 450 | 607 | 315 | 25 | - | 1275 | 680 | 120 | 625 | 385 | 22 |
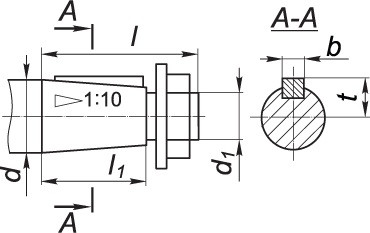
Розміри швидкохідного (конічного) валу редуктора КЦ1-300

| d | d1 | I | I1 | b | t |
| 50 | М36×3 | 110 | 82 | 12 | 26 |
Розміри тихохідного (циліндричного) валу редуктора КЦ1-300

| d2 | I2 | b1 | t1 |
| 70 | 140 | 20 | 74.5 |
Розміри тихенькохідного вала (зубчастої півмуфти) редуктора КЦ1-300
| b | d | d1 | L | I | I1 | Зачеплення | |
| m | z | ||||||
| 25 | 174 | 110 | 370 | 14 | 60 | 4 | 56 |
Редуктор КЦ1-300 має 3 варіанти збирання, які показані нижче:

Редуктор КЦ1-300 умовне позначення:
КЦ1-300-28-41Ц-У3, де:
- КЦ1 - тип редуктора;
- 300 — міжосьова відстань, мм;
- 28 — номінальне передавальне число;
- 41 — варіант збирання;
- Ц - циліндричний кінець вихідної вали;
- У3 — кліматичне виконання й категорія розміщення за ГОСТом 15150-69
Важно. Виконування кінця тихенькохідного вала може бути циліндричним — Ц або у формі частини зубчастої муфти — М.
Компанія "Промпривод" надає широкий асортимент промислового обладнання для будь-яких завдань. Для того, щоб замовити потрібний товар, Ви можете заповнити форму замовлення на сторінці товару або зателефонувати телефонами, зазначеними на сайті, також ми надаємо безплатну консультацію з питань, які цікавлять Вас. Здійснюється швидка та своєчасна доставка по всіх регіонах України.
Двухступенчатый редуктор КЦ1-300
Відгуків про цей товар ще не було.
Немає відгуків про цей товар, станьте першим, залиште свій відгук.
Немає питань про даний товар, станьте першим і задайте своє питання.