Двоступеневий редуктор КЦ1-400
Коническоциліндричний редуктор КЦ1-400
У конструкцію двоступеневого конструкційно-циліндричного редуктора КЦ1-400 входять вали, які розташовуються в горизонтальній площині. Цей вид редукторів здатний безперервно працювати за 600, 1000, 1500 обертів на хвилину вхідного вала.
Умови застосування:
- Періодичні зупинки під час постійної роботи.
- Обертання валів у будь-який бік.
- Змінне або постійне навантаження.
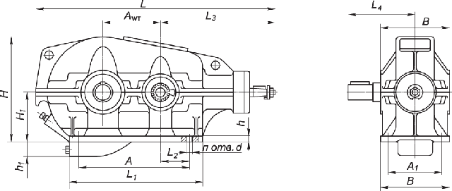
Конструкція редуктора КЦ1-400

Габаритні та приєднувальні розміри
| Aw | A | A1 | B | H | H1 | h | h1 | L | L1 | L2 | L3 | L4 | d |
| 400 | 810 | 450 | 526 | 705 | 320 | 35 | 95 | 1705 | 930 | 212 | 848 | 452 | 26 |
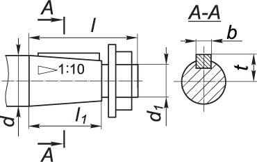
Розміри швидкохідного (конічного) валу редуктора КЦ1-400

| d | d1 | I | I1 | b | t |
| 60 | М42×3 | 140 | 105 | 16 | 31.4 |
Розміри тихохідного (циліндричного) валу редуктора КЦ1-400

| d2 | I2 | b1 | t1 |
| 90 | 170 | 25 | 95 |
Розміри тихенькохідного вала (зубчастої півмуфти) редуктора КЦ1-400
| b | d | d1 | L | I | I1 | Зачеплення | |
| m | z | ||||||
| 35 | 232 | 140 | 370 | 14 | 60 | 4 | 56 |
Редуктор КЦ1-400 має 3 варіанти збирання, які показані нижче:

Редуктор КЦ1-400 умовне позначення:
КЦ1-400-28-41Ц-У3, де:
- КЦ1 - тип редуктора;
- 400 — міжосьова відстань, мм;
- 28 — номінальне передавальне число;
- 41 — варіант збирання;
- Ц - циліндричний кінець вихідної вали;
- У3 — кліматичне виконання й категорія розміщення за ГОСТом 15150-69
Важно. Виконування кінця тихенькохідного вала може бути циліндричним — Ц або у формі частини зубчастої муфти — М.
Компанія "Промпривод" надає широкий асортимент промислового обладнання для будь-яких завдань. Для того, щоб замовити потрібний товар, Ви можете заповнити форму замовлення на сторінці товару або зателефонувати телефонами, зазначеними на сайті, також ми надаємо безплатну консультацію з питань, які цікавлять Вас. Здійснюється швидка та своєчасна доставка по всіх регіонах України.
Двухступенчатый редуктор КЦ1-400
Відгуків про цей товар ще не було.
Немає відгуків про цей товар, станьте першим, залиште свій відгук.
Немає питань про даний товар, станьте першим і задайте своє питання.