Двоступеневий редуктор КЦ1-500
Коническоциліндричний редуктор КЦ1-500
Коническоциліндричні двоступеневі редуктори КЦ1-500 широко використовуються в сферах машинобудування для забезпечення роботи механізмів і машин.
Особливості експлуатації:
- Можливий експлуатаційний режим із безперервним циклом.
- Здатність тривалої роботи.
- Режим обертання валів у будь-який бік.
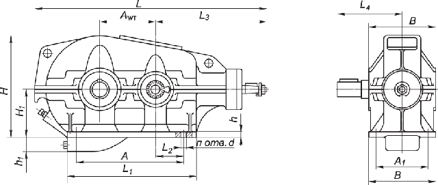
Конструкція редуктора КЦ1-500

Габаритні та приєднувальні розміри
| Aw | A | A1 | B | H | H1 | h | h1 | L | L1 | L2 | L3 | L4 | d |
| 500 | 990 | 550 | 630 | 877 | 400 | 40 | 100 | 2085 | 1160 | 250 | 1030 | 544 | 33 |
Розміри швидкохідного (конічного) валу редуктора КЦ1-500

| d | d1 | I | I1 | b | t |
| 90 | М64×4 | 170 | 130 | 22 | 46.8 |
Розміри тихохідного (циліндричного) валу редуктора КЦ1-500

| d2 | I2 | b1 | t1 |
| 110 | 210 | 28 | 116 |
Розміри тихенькохідного вала (зубчастої півмуфти) редуктора КЦ1-500
| b | d | d1 | L | I | I1 | Зачеплення | |
| m | z | ||||||
| 35 | 232 | 140 | 422 | 14 | 60 | 4 | 56 |
Редуктор КЦ1-500 має 3 варіанти збирання, які показані нижче:

Редуктор КЦ1-500 умовне позначення:
КЦ1-500-28-41Ц-У3, де:
- КЦ1 - тип редуктора;
- 500 — міжосьова відстань, мм;
- 28 — номінальне передавальне число;
- 41 — варіант збирання;
- Ц - циліндричний кінець вихідної вали;
- У3 — кліматичне виконання й категорія розміщення за ГОСТом 15150-69
Важно. Виконування кінця тихенькохідного вала може бути циліндричним — Ц або у формі частини зубчастої муфти — М.
Компанія "Промпривод" надає широкий асортимент промислового обладнання для будь-яких завдань. Для того, щоб замовити потрібний товар, Ви можете заповнити форму замовлення на сторінці товару або зателефонувати телефонами, зазначеними на сайті, також ми надаємо безплатну консультацію з питань, які цікавлять Вас. Здійснюється швидка та своєчасна доставка по всіх регіонах України.
Двухступенчатый редуктор КЦ1-500
Відгуків про цей товар ще не було.
Немає відгуків про цей товар, станьте першим, залиште свій відгук.
Немає питань про даний товар, станьте першим і задайте своє питання.