ГПШ-500-10
Циліндричний редуктор ГПШ-500-10
Циліндричні двоступінчасті перетворювачі частоти та моменту – редуктори ГПШ-500-10 – знайшли широке застосування як складова частина приводу вантажопідйомних агрегатів.
Завдяки відмінним експлуатаційним характеристикам, уважному контролю якості та іншим додатковим заходам, що покращують робочі характеристики пристрою, редуктор ГПШ-500-10 став одним із найпоширеніших механізмів, необхідних для отримання раціональних характеристик.
На тривалість роботи редуктора дуже впливає початковий якісний підбір перетворювача відповідно до специфічних вимог окремо взятої системи.
Підібрати редуктор правильно допоможуть фахівці компанії «Промпривод». Замовте дзвінок консультанта, і ви зможете зробити оптимальну покупку за найнижчими цінами в Україні та гарантією на куплений товар з дня придбання протягом 12 місяців.
Конструкція редуктора ГПШ-500-10

Габаритні та приєднувальні розміри редуктора ГПШ-500
| Типорозмір | АБ | Ат | А1 | А2 | А3 | В | В1 | Н | Н1 | L | L1 | M | Маса |
| ГПШ-500 | мм | кг | |||||||||||
| 200 | 300 | 78 | 108 | 310 | 395 | 350 | 580 | 290 | 986 | 330 | 148 | 410 | |
Основні технічні дані редуктора ГПШ-500
| Типорозмір | Частота обертання вхідного вала, об/хв | Потужність на вхідному валу, кВт. |
| ГПШ-500 | 1000 | До 39 |
| 1500 | До 44.5 |
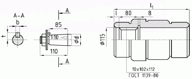
Розміри кінців вала ГПШ-500-10

| Типорозмір | d | b | t | l | l1 |
| мм | |||||
| ГПШ-500 | 50 | 16 | 28 | 25 | 360 |
Умовне позначення ГПШ-500-10
ГПШ-500-10
Відгуків про цей товар ще не було.
Немає відгуків про цей товар, станьте першим, залиште свій відгук.
Немає питань про даний товар, станьте першим і задайте своє питання.
