ГПШ-500-16
Циліндричний редуктор ГПШ-500-16
Механізми, що допомагають забезпечити систему оптимальними робочими параметрами, є спеціальні кранові редуктори типу ГПШ-500-16. Найчастіше застосовують у тих системах, які працюють із великими потужностями.
Виготовлений агрегат з якісних міцних металів, що добре зарекомендували себе як виконавчий матеріал для кранового редуктора.
На тривалість роботи редуктора дуже впливає початковий якісний підбір перетворювача відповідно до специфічних вимог окремо взятої системи.
Підібрати редуктор правильно допоможуть фахівці компанії «Промпривод». Замовте дзвінок консультанта, і ви зможете зробити оптимальну покупку за найнижчими цінами в Україні та гарантією на куплений товар з дня придбання протягом 12 місяців.
Конструкція редуктора ГПШ-500-16

Габаритні та приєднувальні розміри редуктора ГПШ-500
| Типорозмір | АБ | Ат | А1 | А2 | А3 | В | В1 | Н | Н1 | L | L1 | M | Маса |
| ГПШ-500 | мм | кг | |||||||||||
| 200 | 300 | 78 | 108 | 310 | 395 | 350 | 580 | 290 | 986 | 330 | 148 | 410 | |
Основні технічні дані редуктора ГПШ-500
| Типорозмір | Частота обертання вхідного вала, об/хв | Потужність на вхідному валу, кВт. |
| ГПШ-500 | 1000 | До 39 |
| 1500 | До 44.5 |
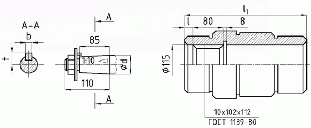
Розміри кінців вала ГПШ-500-16

| Типорозмір | d | b | t | l | l1 |
| мм | |||||
| ГПШ-500 | 50 | 16 | 28 | 25 | 360 |
Умовне позначення ГПШ-500-16

ГПШ-500-16
Відгуків про цей товар ще не було.
Немає відгуків про цей товар, станьте першим, залиште свій відгук.
Немає питань про даний товар, станьте першим і задайте своє питання.