ГПШ-500-25
Циліндричний редуктор ГПШ-500-25
Для отримання величин, що відповідають технологічному процесу, в системах вантажопідйомного обладнання на виробництвах та у сфері господарської діяльності часто використовуються механічні редуктори ГПШ-500-25.
Вони відносяться до спеціальних, адже мають уніфіковану конструкцію, що дозволяє при роботі в системі одержувати ККД не менше 98%.
На тривалість роботи редуктора дуже впливає початковий якісний підбір перетворювача відповідно до специфічних вимог окремо взятої системи.
Підібрати редуктор правильно допоможуть фахівці компанії «Промпривод». Замовте дзвінок консультанта, і ви зможете зробити оптимальну покупку за найнижчими цінами в Україні та гарантією на куплений товар з дня придбання протягом 12 місяців.
Конструкція редуктора ГПШ-500-25

Габаритні та приєднувальні розміри редуктора ГПШ-500
| Типорозмір | АБ | Ат | А1 | А2 | А3 | В | В1 | Н | Н1 | L | L1 | M | Маса |
| ГПШ-500 | мм | кг | |||||||||||
| 200 | 300 | 78 | 108 | 310 | 395 | 350 | 580 | 290 | 986 | 330 | 148 | 410 | |
Основні технічні дані редуктора ГПШ-500
| Типорозмір | Частота обертання вхідного вала, об/хв | Потужність на вхідному валу, кВт. |
| ГПШ-500 | 1000 | До 39 |
| 1500 | До 44.5 |
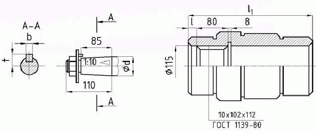
Розміри кінців вала ГПШ-500-25

| Типорозмір | d | b | t | l | l1 |
| мм | |||||
| ГПШ-500 | 50 | 16 | 28 | 25 | 360 |
Умовне позначення ГПШ-500-25
ГПШ-500-25
Відгуків про цей товар ще не було.
Немає відгуків про цей товар, станьте першим, залиште свій відгук.
Немає питань про даний товар, станьте першим і задайте своє питання.
