Крановий редуктор РК-450-40
Крановий редуктор РК-450-40
Спеціальний редуктор РК-450 з номінальним передавальним ставленням 40i є крановим пристроєм для зміни параметрів обертання приводів. Також він може застосовуватися й в інших сферах промисловості.
Крановий редуктор РК-450-40 можна експлуатувати у разі різних типів навантаження тривалий час без зупинок. Він надійний, довговічний і дуже простий у застосуванні.
Замовити цей редуктор типу РК можна легко на нашому сайті. Для цього Вам потрібно буде лише оформити онлайн-заявку або зателефонувати нашим фахівцям. Номер телефона вказаний у розділі Контакти .
Купуючи товар, Ви отримуєте:
висока якість за ціною виробника,
гарантію 36 місяців,
паспорт до кожного пристрою,
оперативну доставку будь-яким зручним для вас способом.
Доставка здійснюється на всій території України.
Схема габаритних і приєднувальних розмірів кранового редуктора РК-450-40

| aw | awт | L | L1 | L2 | l | l1 | l2 | l3 | l4 | l5 |
| 750 | 450 | 1448 | 450 | 475 | 1025 | 620 | 275 | 230 | 491 | 525 |
| B | B1 | B2 | B3 | H | H1 | H2 | h | Ød |
| 510 | 450 | 510 | 356 | 743 | 320 | 130 | 35 | 25 |
Характеристики кранового редуктора РК-450-40
| Типорозмір | РК-450 | |||
| Номінальне передавальне | 40,0 | |||
| Номінальний крутний момент | Ном. част. вращ. швидкохід. вала, с-1(об/хв) | 10 (600) | Особливо легкий | 46694 |
| ПВ 15% | 24626 | |||
| ПВ 25% | 21428 | |||
| ПВ 40% | 18230 | |||
| ПВ 100% | 7036 | |||
| 12,5 (750) | Особливо легкий | 46054 | ||
| ПВ 15% | 24306 | |||
| ПВ 25% | 20980 | |||
| ПВ 40% | 17910 | |||
| ПВ 100% | 6703 | |||
| 16,6 (1000) | Особливо легкий | 44519 | ||
| ПВ 15% | 23795 | |||
| ПВ 25% | 20724 | |||
| ПВ 40% | 17654 | |||
| ПВ 100% | 6716 | |||
| 20,83 (1250) | Особливо легкий | 43905 | ||
| ПВ 15% | 22413 | |||
| ПВ 25% | 19650 | |||
| ПВ 40% | 16579 | |||
| ПВ 100% | 6755 | |||
| 25 (1500) | Особливо легкий | 42216 | ||
| ПВ 15% | 20213 | |||
| ПВ 25% | 17654 | |||
| ПВ 40% | 15096 | |||
| ПВ 100% | 6780 | |||
| Маса, кг, не більш ніж | 1030 | |||
| Номінальна частота обертання швидкохідного вала, | Короткочасний допустимий крутний момент |
| 40,0 | |
| РК-450 | |
| 10,0 (600) | 89000 |
| 12,5 (750) | 88000 |
| 16,6 (1000) | 85500 |
| 20,8 (1250) | 83000 |
| 25,0 (1500) | 81000 |
| Номінальна частота обертання швидкохідного вала, об/хв | РК-450-40 | ||
| FБ max | FТ max | FM max | |
| 600 | 6,7 | 105,0 | 113,3 |
| 750 | 6,3 | 97,5 | 105,0 |
| 1000 | 5,5 | 88,5 | 96,1 |
| 1250 | 5,0 | 81,5 | 89,7 |
| 1500 | 4,6 | 79,0 | 89,2 |
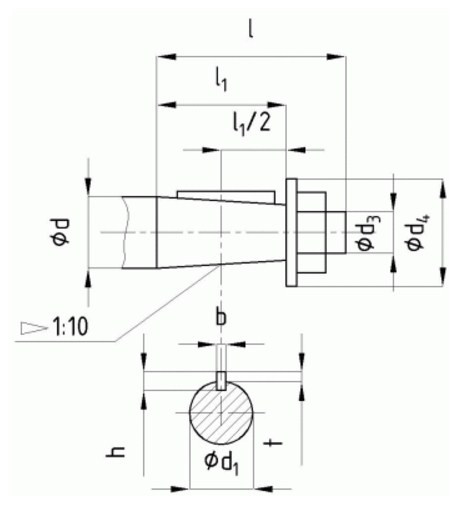
Розміри кінців швидкохідних валів редуктора РК-450-40

| Ød | Ød1 | Ød3 | Ød4 | l | l1 | b | h | t |
| 60 | 54,75 | М42 З | 94 | 140 | 105 | 16 | 10 | 6 |
Розміри кінців тихохідних валів під муфти редуктора РК-450-40

| Ød m6 | Ød1 | b | l | t |
| 110 | 130 | 28 | 165 | 120 |
Розміри кінців тихохідних валів редуктора РК-450-40 у формі зубчастої напівмуфти

| m | z | b | L | L1 | k | B | Ød F7 | Ød 1 f9 |
| 6 | 56 | 40 | 75 | 16 | 32 | 68 | 170 | 260 |
Варіанти складання редуктора РК-450-40

Умовне позначення редуктора РК-450-40

Крановый редуктор РК-450-40
Відгуків про цей товар ще не було.
Немає відгуків про цей товар, станьте першим, залиште свій відгук.
Немає питань про даний товар, станьте першим і задайте своє питання.