Крановий редуктор РК-500-20
Крановий редуктор РК-500-20
Спеціальний редуктор РК-500-20 широко застосовується в крановому обладнанні різних галузей для зміни показників крутного моменту та числа обертів приводу. Є дуже надійним і довговічним.
Корпус редуктора РК-500-20 виготовляється з чавуну. У ньому розміщений механізм із циліндричним типом передавання та паралельно розташованими осями. Його відносять до категорії горизонтальних двоступеневих.
Замовити цей редуктор типу РК можна легко на нашому сайті. Для цього Вам знадобитися оформити онлайн-заявку або зателефонувати нашим фахівцям. Номер телефона вказаний у розділі Контакти .
Купуючи товар, Ви отримуєте:
висока якість за ціною виробника,
гарантію 36 місяців,
паспорт до кожного пристрою,
оперативну доставку будь-яким зручним для вас способом.
Доставка здійснюється на всій території України.
Схема габаритних і приєднувальних розмірів кранового редуктора РК-500-20

| aw | awт | L | L1 | L2 | l | l1 | l2 | l3 | l4 | l5 |
| 850 | 500 | 1632 | 510 | 550 | 1100 | 610 | 300 | 205 | 546 | 530 |
| B | B1 | B2 | B3 | H | H1 | H2 | h | Ød |
| 580 | 520 | 580 | 408 | 875 | 400 | 105 | 35 | 32 |
Характеристики кранового редуктора РК-500-20
| Типорозмір | РК-500 | |||
| Номінальне передавальне | 20,0 | |||
| Номінальний крутний момент | Ном. част. вращ. швидкохід. вала, с-1(об/хв) | 10 (600) | Особливо легкий | 62317 |
| ПВ 15% | 35237 | |||
| ПВ 25% | 30669 | |||
| ПВ 40% | 26102 | |||
| ПВ 100% | 10114 | |||
| 12,5 (750) | Особливо легкий | 61339 | ||
| ПВ 15% | 34193 | |||
| ПВ 25% | 29756 | |||
| ПВ 40% | 25318 | |||
| ПВ 100% | 10049 | |||
| 16,6 (1000) | Особливо легкий | 59707 | ||
| ПВ 15% | 31713 | |||
| ПВ 25% | 27602 | |||
| ПВ 40% | 23491 | |||
| ПВ 100% | 9984 | |||
| 20,83 (1250) | Особливо легкий | 57945 | ||
| ПВ 15% | 30695 | |||
| ПВ 25% | 26780 | |||
| ПВ 40% | 22708 | |||
| ПВ 100% | 10023 | |||
| 25 (1500) | Особливо легкий | - | ||
| ПВ 15% | - | |||
| ПВ 25% | - | |||
| ПВ 40% | - | |||
| ПВ 100% | - | |||
| Маса, кг, не більш ніж | 1230 | |||
| Номінальна частота обертання швидкохідного вала, | Короткочасний допустимий крутний момент |
| 20,0 | |
| РК-500 | |
| 10,0 (600) | 111400 |
| 12,5 (750) | 10800 |
| 16,6 (1000) | 103000 |
| 20,8 (1250) | 98200 |
| 25,0 (1500) | - |
| Номінальна частота обертання швидкохідного вала, об/хв | РК-500-20 | ||
| FБ max | FТ max | FM max | |
| 600 | 14,0 | 150 | 163,2 |
| 750 | 13,0 | 137 | 152,2 |
| 1000 | 11,5 | 124 | 137,8 |
| 1250 | 10,5 | 119 | 127,8 |
| 1500 | 9,9 | 111 | 124,4 |
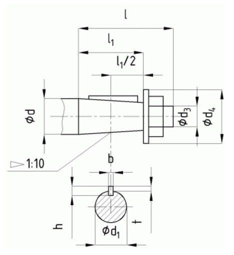
Розміри кінців швидкохідних валів редуктора РК-500-20

| Ød | Ød1 | Ød3 | Ød4 | l | l1 | b | h | t |
| 90 | 83,50 | М64 4 | 130 | 170 | 130 | 22 | 14 | 9 |
Розміри кінців тихохідних валів під муфти редуктора РК-500-20

| Ød m6 | d1 | b | l | t |
| 130 | 150 | 32 | 200 | 141 |
Розміри кінців тихохідних валів редуктора РК-500-20 у формі зубчастої напівмуфти

| m | z | b | L | L1 | k | B | Ød F7 | d1 f9 |
| 8 | 54 | 50 | 73 | 22 | 40 | 78 | 190 | 260 |
Варіанти збирання редуктора РК-500-20

Умовне позначення редуктора РК-500-20

Крановый редуктор РК-500-20
Відгуків про цей товар ще не було.
Немає відгуків про цей товар, станьте першим, залиште свій відгук.
Немає питань про даний товар, станьте першим і задайте своє питання.