Крановий редуктор РК-500-50
Крановий редуктор РК-500-50
Горизонтальний крановий редуктор РК-500-50 призначений для зменшення кількості обертів і збільшення крутного моменту приводу, який використовується у підіймально-транспортному обладнанні. Передатне число цього редуктора дорівнює 50i.
Корпус редуктора РК-500-50 виготовляють із чавуну, але за бажання замовника може бути виготовлений і з іншого легко-сплавного металу.
Докладніше інформація вказана в таблиці нижче.
Замовити цей редуктор типу РК можна легко на нашому сайті. Для цього Вам знадобитися оформити онлайн-заявку або зателефонувати нашим фахівцям. Номер телефона вказаний у розділі Контакти .
Купуючи товар, Ви отримуєте:
висока якість за ціною виробника,
гарантію 36 місяців,
паспорт до кожного пристрою,
оперативну доставку будь-яким зручним для вас способом.
Доставка здійснюється на всій території України.
Схема габаритних і приєднувальних розмірів кранового редуктора РК-500-50

| aw | awт | L | L1 | L2 | l | l1 | l2 | l3 | l4 | l5 |
| 850 | 500 | 1632 | 510 | 550 | 1100 | 610 | 300 | 205 | 546 | 530 |
| B | B1 | B2 | B3 | H | H1 | H2 | h | Ød |
| 580 | 520 | 580 | 408 | 875 | 400 | 105 | 35 | 32 |
Характеристики кранового редуктора РК-500-50
| Типорозмір | РК-500 | |||
| Номінальне передавальне | 50,0 | |||
| Номінальний крутний момент | Ном. част. вращ. швидкохід. вала, с-1(об/хв) | 10 (600) | Особливо легкий | 65739 |
| ПВ 15% | 34029 | |||
| ПВ 25% | 29776 | |||
| ПВ 40% | 25135 | |||
| ПВ 100% | 10131 | |||
| 12,5 (750) | Особливо легкий | 65584 | ||
| ПВ 15% | 34029 | |||
| ПВ 25% | 29389 | |||
| ПВ 40% | 25058 | |||
| ПВ 100% | 9404 | |||
| 16,6 (1000) | Особливо легкий | 64965 | ||
| ПВ 15% | 33875 | |||
| ПВ 25% | 29234 | |||
| ПВ 40% | 25058 | |||
| ПВ 100% | 9884 | |||
| 20,83 (1250) | Особливо легкий | 64223 | ||
| ПВ 15% | 33039 | |||
| ПВ 25% | 28956 | |||
| ПВ 40% | 24501 | |||
| ПВ 100% | 9132 | |||
| 25 (1500) | Особливо легкий | 63418 | ||
| ПВ 15% | 31864 | |||
| ПВ 25% | 27842 | |||
| ПВ 40% | 23511 | |||
| ПВ 100% | 9157 | |||
| Маса, кг, не більш ніж | 1230 | |||
| Номінальна частота обертання швидкохідного вала, | Короткочасний допустимий крутний момент |
| 50,0 | |
| РК-500 | |
| 10,0 (600) | 122800 |
| 12,5 (750) | 121800 |
| 16,6 (1000) | 118400 |
| 20,8 (1250) | 116400 |
| 25,0 (1500) | 113200 |
| Номінальна частота обертання швидкохідного вала, об/хв | РК-500-50 | ||
| FБ max | FТ max | FM max | |
| 600 | 14,0 | 150 | 163,2 |
| 750 | 13,0 | 137 | 152,2 |
| 1000 | 11,5 | 124 | 137,8 |
| 1250 | 10,5 | 119 | 127,8 |
| 1500 | 9,9 | 111 | 124,4 |
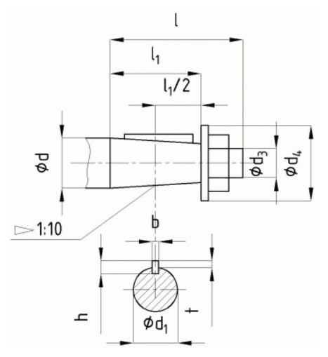
Розміри кінців швидкохідних валів редуктора РК-500-50

| Ød | Ød1 | Ød3 | Ød4 | l | l1 | b | h | t |
| 90 | 83,50 | М64 4 | 130 | 170 | 130 | 22 | 14 | 9 |
Розміри кінців тихохідних валів під муфти редуктора РК-500-50

| Ød m6 | d1 | b | l | t |
| 130 | 150 | 32 | 200 | 141 |
Розміри кінців тихохідних валів редуктора РК-500-50 у формі зубчастої напівмуфти

| m | z | b | L | L1 | k | B | Ød F7 | d1 f9 |
| 8 | 54 | 50 | 73 | 22 | 40 | 78 | 190 | 260 |
Варіанти збирання редуктора РК-500-50

Умовне позначення редуктора РК-500-50

Крановый редуктор РК-500-50
Відгуків про цей товар ще не було.
Немає відгуків про цей товар, станьте першим, залиште свій відгук.
Немає питань про даний товар, станьте першим і задайте своє питання.