Крановий редуктор РК-600-22.4
Редуктор крановий РК-600-22.4
Горизонтальний крановий редуктор РК-600 з передавальним ставленням 22.4i застосовують у механізмах обладнання крана для зміни показників приводу.
Агрегат РК-600-22.4 може працювати до 24-ї години як без зупинок, так і з періодичними паузами. Обертання валів проводиться у будь-якому з потрібних сторін, а також у реверсному режимі. Максимальна швидкість на вхідному валі не повинна перевищувати 1500 об/хв. Корпус пристрою РК-600-22.4 виконаний із чавуну, маса становить 2130 кг.
Замовити редуктор РК-600 можна на нашому сайті компанії «Промпривод». Для цього Вам знадобиться оформити онлайн заявку або зв'язатися з нашими фахівцями. Номер телефону вказано у розділі «Контакти».
Купуючи товар на нашому підприємстві, Ви отримуєте:
- високу якість за ціною виробника,
- гарантію 12 місяців,
- паспорт до кожного пристрою,
- оперативну доставку будь-яким зручним для вас способом.
Доставка здійснюється по всій території України.
Схема габаритних і приєднувальних розмірів кранового редуктора РК-600-22.4

| aw | awт | L | L1 | L2 | l | l1 | l2 | l3 | l4 | l5 |
| 1000 | 600 | 1896 | 550 | 695,5 | 1350 | 870 | 350 | 250 | 639 | 645 |
| B | B1 | B2 | B3 | H | H1 | H2 | h | Ød |
| 660 | 590 | 660 | 1172 | 965 | 400 | 200 | 40 | 32 |
Характеристики кранового редуктора РК-600-22.4
| Типорозмір | РК-600 | ||||
| Номінальне передавальне | 22.4 | ||||
| Номінальний крутний момент | Ном. част. обер. швидкохід. вала, с-1(об/хв) | 10 (600) | Особливо легкий | 98487 | |
| ПВ 15% | 61694 | ||||
| ПВ 25% | 53518 | ||||
| ПВ 40% | 45341 | ||||
| ПВ 100% | 17468 | ||||
| 12,5 (750) | Особливо легкий | 96629 | |||
| ПВ 15% | 58275 | ||||
| ПВ 25% | 50842 | ||||
| ПВ 40% | 43111 | ||||
| ПВ 100% | 17393 | ||||
| 16,6 (1000) | Особливо легкий | 90311 | |||
| ПВ 15% | 52403 | ||||
| ПВ 25% | 45713 | ||||
| ПВ 40% | 38577 | ||||
| ПВ 100% | 17393 | ||||
| 20,83 (1250) | Особливо легкий | 80277 | |||
| ПВ 15% | 45490 | ||||
| ПВ 25% | 39246 | ||||
| ПВ 40% | 33716 | ||||
| ПВ 100% | 17482 | ||||
| 25 (1500) | Особливо легкий | - | |||
| ПВ 15% | - | ||||
| ПВ 25% | - | ||||
| ПВ 40% | - | ||||
| ПВ 100% | - | ||||
| Маса, кг, не більше | 2130 | ||||
| Номінальна частота обертання швидкохідного вала, | Короткочасний допустимий момент, що крутить |
| 22,4 | |
| РК-600 | |
| 10,0 (600) | 190000 |
| 12,5 (750) | 182000 |
| 16,6 (1000) | 172000 |
| 20,8 (1250) | 155000 |
| 25,0 (1500) | - |
| Номінальна частота обертання швидкохідного вала, об/хв | РК-600-22.4 | ||
| FБ max | FТ max | FM max | |
| 600 | 13,0 | 176 | 199,0 |
| 750 | 12,0 | 164 | 184,3 |
| 1000 | 10,5 | 150 | 168,2 |
| 1250 | 10,0 | 134 | 157,0 |
| 1500 | 9,1 | 128 | 154,0 |
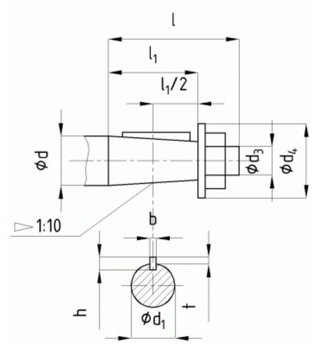
Розміри кінців швидкохідних валів редуктора РК-600-22.4

| Ød | Ød1 | Ød3 | Ød4 | l | l1 | b | h | t |
| 90 | 83,50 | М64×4 | 130 | 170 | 130 | 22 | 14 | 9 |
Розміри кінців тихохідних валів під муфти редуктора РК-600-22.4

| Ød m6 | Ød1 | b | l | t |
| 150 | 170 | 36 | 200 | 162 |
Розміри кінців тихохідних валів редуктора РК-600-22.4 у формі зубчастої напівмуфти

| m | z | b | L | L1 | k | B | Ød F7 | Ød 1 f9 |
| 10 | 48 | 60 | 70 | 16 | 50 | 85 | 200 | 260 |
| 8 | 54 | 50 | 70 | 22 | 40 | 78 | 190 | 280 |
Варіанти складання редуктора РК-600-22.4

Умовне позначення редуктора РК-600-22.4

Крановый редуктор РК-600-22.4
Відгуків про цей товар ще не було.
Немає відгуків про цей товар, станьте першим, залиште свій відгук.
Немає питань про даний товар, станьте першим і задайте своє питання.