Лебідка ТЕЛ-10Б
Тягова електрична лебідка ТЕЛ-10Б
Лебідки серії ТЕЛ-10Б це пристрої загального промислового призначення, що допомагають переміщати вантажі великих мас. Встановлення агрегату здійснюється на горизонтальній площині за допомогою надійних анкерних болтів.
Під час вибору лебідки треба обов'язково розраховувати її тягове зусилля і, спираючись на цей параметр, вибирати пристрій. Тягове зусилля лебідки ТЕЛ-10Б дорівнює 10000 кгс. У разі коректного вибору й експлуатації обладнання, воно справно слугуватиме впродовж довгих років.
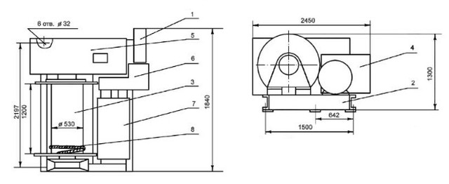
Конструкція лебідки серії ТЕЛ-10Б

1. Шафа керування
2. Рама
3. Барабан
4. Кожух
5. Редуктор
6. Гальмо
7. Електродвигун
8. Канат
Основні технічні характеристики
| Тягове зусилля, кгс | 10000 |
| Швидкість навивки каната на першому шарі, м/с | 0,54 |
| Діаметр барабана, мм | 530 |
| Канатоємність барабана, м | 670 |
| Діаметр каната, мм | 28 |
| Електродвигун, 5 АМ 280 S 4 110 кВт | 1480 об/хв |
| Редуктор | Ц2Н-500-10-22 |
| Редуктор | Ц2У-315Н-8-31 |
| Габаритні розміри лебідки | 2441х2495х1310 |
| Маса лебідки без каната, кг | 6000 |
Лебедка ТЭЛ-10Б
Відгуків про цей товар ще не було.
Немає відгуків про цей товар, станьте першим, залиште свій відгук.
Немає питань про даний товар, станьте першим і задайте своє питання.