Лебідка ТЛ-7Б-1
Тягова електрична лебідка ТЛ-7Б-1
Будівельні та монтажні роботи виготовляються з використанням електричної тягової лебідки ТЛ-7Б-1. Конструкція пристрою дає змогу переміщати вантажі великих мас за умови закріплення агрегату на горизонтальній поверхні. Лебідки мають вкрай широкий діапазон сфер застосування: у будівельній, монтажній або виробничій діяльності різного роду.
Пристрій функціонує на спеціалізованому редукторі. Лебідка ТЛ-7Б-1 належить до тягових механізмів, тому що трос під час експлуатації намотується на барабан, а не протягується через механізм лебідки.
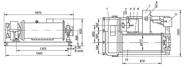
Конструкція лебідки серії ТЛ-7Б-1

1. Редуктор
2. Втулка зубчаста
3. Втулка
4. Електродвигун
5. Кронштейн
6. Кронштейн
7. Кожух
8. Гальмо
9. Шків гальмівний
10. Барабан в зборі
11. Встановлення пускової апаратури
12. Рама
13. Канат
Основні технічні характеристики
| Тягове зусилля, кгс | 4500 |
| Швидкість навивки каната на першому шарі, м/с | 0,36 |
| Канатоємність барабана, м | 250 |
| Діаметр каната, мм | 22,5 |
| Редуктор | спеціальний |
| Гальмо | ТКГ-300 |
| Габаритні розміри лебідки | 1870х1520х920 |
| Маса лебідки без каната, кг | 1600 |
Лебедка ТЛ-7Б-1
Відгуків про цей товар ще не було.
Немає відгуків про цей товар, станьте першим, залиште свій відгук.
Немає питань про даний товар, станьте першим і задайте своє питання.