Мотор-редуктор 3МП-100
Планетарний мотор-редуктор 3МП-100
Мотор-редуктор 3МП-100 , що складається з електроприводу та планетарного редуктора, призначений для передавання свого крутного моменту іншим пристроям, за винятком підіймальних механізмів.
3МП-100 має можливість роботи упродовж тривалого часу з різними типами навантажень в одному напрямку або реверсном. Для збільшення терміну експлуатації та запобігання передчасному виходу з ладу, не рекомендується використовувати його в агресивному та сильно запиленому середовищі.
Купити цей мотор-редуктор можна на нашому сайті за ціною від виробника. Ми надаємо продукцію тільки високої якості та з упевненістю даємо тривалу гарантію 36 місяців.
До кожного товару додається оригінальний паспорт із докладним описом технічних характеристик і позначками ОК.
Доставка виробляється на всій території України.
Технічні характеристики мотор-редуктора 3МП-100
| Кількість обертів вихідного вала, об/хв | Мкр на вихідний валу, Нм | Застосуваний мотор | Максимальне навантаження на вихідний валу, Н | ККД, % | Вага редуктора без мотора, кг | |
| Марка | Потужність, кВт | |||||
| Одноступеневий мотор редуктор | ||||||
| 112 | 3756 | 4А250S6 | 45 | 13000 | 98 | 280 |
| 3088 | 4А225М6 | 37 | ||||
| 140 | 3673 | 4A250M6 | 55 | |||
| 3005 | 4А250S6 | 45 | ||||
| 180 | 3895 | 4А250S4 | 75 | |||
| 2856 | 4А225М4 | 55 | ||||
| 224 | 3756 | 4А250М4 | 90 | |||
| 3130 | 4А250S4 | 75 | ||||
| 280 | 3037 | 4А250М4 | 90 | |||
| 2531 | 4А250S4 | 75 | ||||
| Двоступеневий мотор редуктор | ||||||
| 18 | 3895 | 4А160S8 | 7.5 | 13000 | 97 | 290 |
| 2857 | 4A132M8 | 5.5 | ||||
| 22.4 | 4591 | 4А160S6 | 11 | |||
| 3130 | 4A132M6 | 7.5 | ||||
| 28 | 3673 | 4A160S6 | 11 | |||
| 2504 | 4A132M6 | 7.5 | ||||
| 35.5 | 3950 | 4A160S4 | 15 | |||
| 2897 | 4A132М4 | 11 | ||||
| 45 | 4570 | 4А180S4 | 22 | |||
| 3115 | 4A160S4 | 15 | ||||
| 56 | 3672 | 4А180S4 | 22 | |||
| 2503 | 4A160S4 | 15 | ||||
| 71 | 3950 | 4A180М2 | 30 | |||
| 2897 | 4А180S2 | 22 | ||||
| 90 | 3116 | 4A180М2 | 30 | |||
| 2285 | 4А180S2 | 22 | ||||
| Триступеневий мотор редуктор | ||||||
| 3.55 | 3950 | АІР100LA8 | 1.5 | 13000 | 96 | 310 |
| 2897 | АІР90LВ8 | 1.1 | ||||
| 4.4 | 3187 | АІР100LB8 | 1.5 | |||
| 2338 | АІР90LВ8 | 1.1 | ||||
| 5.6 | 3673 | АІР100LA6 | 2.2 | |||
| 2504 | АІР90L6 | 1.5 | ||||
| 7.1 | 3950 | АІР100S4 | 3 | |||
| 2897 | АІР90L4 | 2.2 | ||||
| 9 | 4155 | АІР100L4 | 4 | |||
| 3116 | АІР100S4 | 3 | ||||
| 12.5 | 4114 | АІР100L2 | 5.5 | |||
| 2995 | АІР100S2 | 4 | ||||
| 16 | 3214 | АІР100L2 | 5.5 | |||
| 2338 | АІР100S2 | 4 | ||||
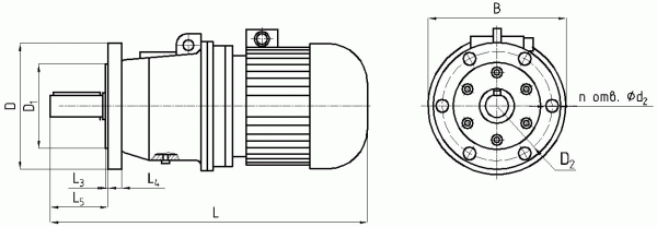
Схема габаритних і приєднувальних розмірів мотор-редуктора 3МП-100

| Кількість щаблів у мотор редукторі 3 МП-100 | L | B | H | L1 | L2 | B1 | B2 | H1 | H2 | H3 | d1 |
| не більш ніж | |||||||||||
| одноступеневий | 1305 | 550 | 570 | 200 | 340 | 340 | 415 | 235 | 40 | 40 | 35 |
| двоступеневий | 1080 | 415 | 485 |
| |||||||
| триступеневий | 850 | 415 | 420 | ||||||||
Фланцове виготовлення

| Кількість щаблів у мотор редукторі 3 МП-100 | L | B | L3 | L4 | L5 | D | D1 | D2 | d2 | n |
| не більш ніж | ||||||||||
| одноступеневий | 1305 | 550 | 14 | 28 | 180 | 500 | 400 | 450 | 22 | 8 |
| двоступеневий | 1080 | 500 | ||||||||
| триступеневий | 850 | 500 | ||||||||
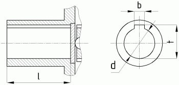
Циліндричний вихідний вал

| d | d1 | I | I1 | b | t |
| 80 | М56 4 | 170 | 130 | 20 | 41.25 |
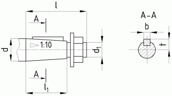
Конічний вихідний вал

| d | I | b | t |
| 80k6 | 160 | 22 | 85 |
Повний вихідний вал

| d | I | b | t |
| на індивідуальне замовлення | |||
Варіанти складання мотор-редуктора 3МП-100

Усоловні позначення для мотор-редуктора 3МП-100
Мотор-редуктор ЗМП-100-56-320 УЗ, 380 В, де:
3 МП - тип моторредуктора;
100 - радіус розташування сателітів, мм;
56 номінальна частота обертання вихідного вала, об/хв
G320 - конструктивне виготовлення за способом монтажу;
У3 - кліматичне виконання за ГОСТ 15150-69
380 - напруга мережі.
Зазначимо, що за бажанням замовника ми можемо укомплектувати мотор-редуктор ЗМП-100 (1МПЗ2) електродвигуном із вбудованим електромагнітним гальмом і електродвигуном вибухового виконання.
Мотор-редуктор 3МП-100
Відгуків про цей товар ще не було.
Немає відгуків про цей товар, станьте першим, залиште свій відгук.
Немає питань про даний товар, станьте першим і задайте своє питання.