Мотор-редуктор 3МП-125
Мотор-редуктор 3МП-125
3МП-125 (раніше позначався як мотор-редуктор 1МПЗ2-125) мотор-редуктор планетарний, призначений для зниження частоти обертання та передачі крутного моменту механізмам загальномашинобудівного призначення (виключаючи механізми для підйому вантажу).
Умови застосування редукторів:
- режим роботи тривалий, з тривалістю роботи 24 години на добу;
- навантаження постійне та змінне (в межах номінального крутного моменту) одного напрямку та реверсивне;
- висота над рівнем моря до 1000 м;
- зовнішнє середовище неагресивне, невибухонебезпечне із вмістом непровідного пилу до 10мг/м3
- кліматичне виконання П(N) помірний клімат, категорія розміщення 3 - експлуатація в приміщеннях, де коливання температури та вологості повітря істотно менше, ніж на відкритому повітрі, робоча температура навколишнього середовища від -45С до +40С, або Т (тропічний клімат), категорія розміщення 2-експлуатація під навісом або в приміщенні, де коливання температури та вологості повітря несуттєво відрізняються від коливань на відкритому повітрі, робоча температура навколишнього середовища від -10С до +45С.
Для комплектації мотор-редукторів використовуються асинхронні двигуни серії 4АМ, серії АІР або серії АІ. За погодженням із виробником допускається комплектація мотор-редукторів двигунами сільськогосподарського виконання 4АСУ1 та іншими спеціальними двигунами (морського, вибухобезпечного виконання, постійного струму, зниженої напруги).
Основні технічні характеристики мотор-редуктора 3МП-125:
| Кількість обертів вихідного вала, об/хв | Мкр на вихідному валу, Нм | Застосовуваний двигун | Максимальне навантаження на вихідному валу, Н | ККД, % | Вага редуктора без двигуна, кг | |
| Марка | Потужність, кВт | |||||
| Одноступінчастий мотор редуктор | ||||||
| 112 | 7513 | 4А280М6 | 90 | 18500 | 98 | 350 |
| 6261 | 4А280S6 | 75 | ||||
| 140 | 6015 | 4A280M6 | 90 | |||
| 5000 | 4А280S6 | 75 | ||||
| 180 | 6856 | 4А250М4 | 132 | |||
| 5713 | 4А280S6 | 110 | ||||
| 224 (280) | 5509 | 4А280М4 | 132 | |||
| 4592 | 4А280S4 | 110 | ||||
| Двоступінчастий мотор редуктор | ||||||
| 18 | 7792 | 4А180S8 | 15 | 18500 | 97 | 360 |
| 5714 | 4A160M8 | 11 | ||||
| 22.4 | 9180 | 4А200М6 | 22 | |||
| 6261 | 4A160M6 | 15 | ||||
| 28 | 7346 | 4A200М6 | 22 | |||
| 5000 | 4A160M6 | 15 | ||||
| 35.5 | 7900 | 4A180М4 | 30 | |||
| 5795 | 4А180S4 | 22 | ||||
| 45 | 9350 | 4А200М4 | 45 | |||
| 6233 | 4A180М4 | 30 | ||||
| 56 | 7513 | 4А200М4 | 45 | |||
| 5000 | 4A180М4 | 30 | ||||
| 71 | 7242 | 4A225М2 | 55 | |||
| 5926 | 4А200L2 | 45 | ||||
| 90 | 5713 | 4A225М2 | 55 | |||
| 4675 | 4А200L2 | 45 | ||||
| Триступінчастий мотор редуктор | ||||||
| 3.55 | 7900 | АІР112МВ8 | 3 | 18500 | 96 | 380 |
| 5795 | АІР112МА8 | 2.2 | ||||
| 4.4 | 6375 | АІР112МB8 | 3 | |||
| 4675 | АІР112МА8 | 2.2 | ||||
| 5.6 | 6678 | АІР112МВ6 | 4 | |||
| 5000 | АІР112М6 | 3 | ||||
| 7.1 | 7242 | АІР112М4 | 5.5 | |||
| 5267 | АІР100L4 | 4 | ||||
| 9 | 7792 | АІР132S4 | 7.5 | |||
| 5714 | АІР112М4 | 5.5 | ||||
| 12.5 | 8228 | АІР132М2 | 11 | |||
| 5610 | АІР1112М2 | 7.5 | ||||
| 16 | 6428 | АІР132М2 | 11 | |||
| 4382 | АІР112М2 | 7.5 | ||||
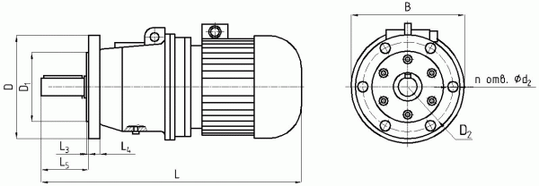
Габаритні та приєднувальні розміри мотор-редуктора 3МП-125
(виконання на лапах)

| Кількість ступенів у мотор редукторі 3МП-125 | L | B | H | L1 | L2 | B1 | B2 | H1 | H2 | H3 | d1 |
| не більш ніж | |||||||||||
| одноступінчастий | 1415 | 590 | 630 | 270 | 380 | 400 | 500 | 275 | 50 | 20 | 42 |
| двоступінчастий | 1360 | 535 | 570 | – | |||||||
| триступінчастий | 1070 | 500 | 540 | ||||||||
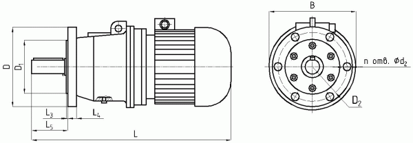
Габаритні та приєднувальні розміри мотор-редуктора 3МП-125
(фланцеве виконання)

| Кількість ступенів у мотор редукторі 3МП-125 | L | B | L3 | L4 | L5 | D | D1 | D2 | d2 | n |
| не більш ніж | ||||||||||
| одноступінчастий | 1415 | 600 | 18 | 35 | 245 | 600 | 480 | 540 | 26 | 8 |
| двоступінчастий | 1360 | 600 | ||||||||
| триступінчастий | 1070 | 600 | ||||||||
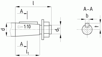
Приєднувальні розміри циліндричних валів мотор-редуктора 3МП

| d | d1 | I | I1 | b | t |
| 110 | М80×4 | 210 | 165 | 25 | 55.88 |
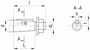
Приєднувальні розміри конічних валів мотор-редуктора 3МП

| d | I | b | t |
| 110k6 | 220 | 28 | 116 |
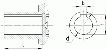
Приєднувальні розміри порожнистих валів мотор-редуктора 3МП

| d | I | b | t |
| на індивідуальне замовлення | |||
Мотор-редуктор 3МП-125: варіанти складання

ПРИКЛАД УМОВНОГО ПОЗНАЧЕННЯ ПРИ ЗАМОВЛЕННІ
Мотор-редуктор ЗМП-125-56-320 УЗ, 380 В, де:
3МП - тип моторредуктора;
125 - радіус розташування сателітів, мм;
56 - номінальна частота обертання вихідного валу, об/хв;
G320 - конструктивне виконання за способом монтажу;
У3 - кліматичне виконання згідно з ГОСТ 15150-69;
380 - напруга мережі.
Зазначимо, що за бажанням замовника ми можемо укомплектувати мотор-редуктор ЗМП-125 (1МПЗ2) електродвигуном із вбудованим електромагнітним гальмом та електродвигуном вибухозахищеного виконання.
Мотор-редуктор 3МП-125
Відгуків про цей товар ще не було.
Немає відгуків про цей товар, станьте першим, залиште свій відгук.
Немає питань про даний товар, станьте першим і задайте своє питання.