Мотор-редуктор 3МП-25
Планетарний мотор-редуктор 3МП-25
Мотор-редуктор 3МП-25 є планетарним і застосовується в різному обладнанні (крім підіймальних механізмів) для зниження швидкості обертання й передавання крутного моменту іншим пристроям.
Мотор-редуктор 3МП-25 може виконуватися як одноступеневий, двоступеневий або триступеневий. Є надійним і має високі показники ККД.
Купити цей мотор-редуктор можна на нашому сайті за ціною від виробника. Ми надаємо продукцію тільки високої якості та з упевненістю даємо тривалу гарантію 36 місяців.
До кожного товару додається оригінальний паспорт із докладним описом технічних характеристик і позначками ОК.
Доставка виробляється на всій території України.
Технічні характеристики мотор-редуктора 3МП-25
| Кількість обертів вихідного вала, об/хв | Мкр на вихідний валу, Нм | Застосуваний мотор | Максимальне навантаження на вихідний валу, Н | ККД, % | Вага редуктора без мотора, кг | |
| Марка | Потужність, кВт | |||||
| Одноступеневий мотор редуктор | ||||||
| 112 | 64 | АІР80А6 | 0.75 | 600 | 97 | 8 |
| 140 | 73 | АІР80А4 | 1.1 | |||
| 180 | 78 | АІР80В4 | 1.5 | |||
| 224 | 63 | АІР80А2 | 1.5 | |||
| 280 | 73 | АІР80В2 | 2.2 | |||
| Двоступеневий мотор редуктор | ||||||
| 18 | 62 | АІР56А4 | 0.12 | 750 | 96 | 7 |
| 22.4 | 74 | АІР56В4 | 0.18 | |||
| 28 | 83 | АІР63А4 | 0.25 | |||
| 35.5 | 66 | АІР63А4 | 0.25 | |||
| 45 | 77 | АІР63В4 | 0.37 | |||
| 56 | 61 | АІР63В4 | 0.37 | |||
| 71 | 72 | АІР63В2 | 0.55 | |||
| 90 | 57 | АІР63В2 | 0.55 | |||
| Триступеневий мотор редуктор | ||||||
| 3.55 | 90 | АІР56А4 | 0.12 | 800 | 95 | 9 |
| 4.4 | 90 | АІР56А4 | 0.12 | |||
| 5.6 | 90 | АІР56А4 | 0.12 | |||
| 7.1 | 81 | АІР56А4 | 0.12 | |||
| 9 | 81 | АІР56А4 | 0.12 | |||
| 12.5 | 81 | АІР56А4 | 0.12 | |||
| 16 | 70 | АІР56А4 | 0.12 | |||
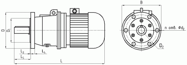
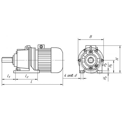
Схема габаритних і приєднувальних розмірів мотор-редуктора 3МП-25
На лапах

| Кількість щаблів у мотор редукторі 3МП-25 | L | B | H | L1 | L2 | B1 | B2 | H1 | H2 | H3 | d1 |
| не більш ніж | |||||||||||
| одноступеневий | 478 | 200 | 205 | 63 | 110 | 120 | 150 | 80 | 12 | 20 | 12 |
| двоступеневий | 417 | 160 | 171 | – | |||||||
| триступеневий | 397 | 150 | 160 | ||||||||
Фланцове виготовлення

| Кількість щаблів у мотор редукторі 3МП-25 | L | B | L3 | L4 | L5 | D | D1 | D2 | d2 | n |
| не більш ніж | ||||||||||
| одноступеневий | 478 | 200 | 4 | 10 | 50 | 155 | 110 | 130 | 12 | 4 |
| двоступеневий | 417 | 160 | ||||||||
| триступеневий | 397 | 150 | ||||||||
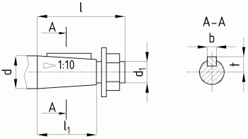
Циліндричний вихідний вал

| d | d1 | I | I1 | b | t |
| 25 | М16×1.5 | 60 | 42 | 5 | 13.45 |
Конічний вихідний вал

| d | I | b | t |
| 25k6 | 42 | 8 | 28 |
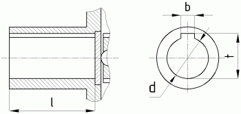
Повний вихідний вал

| d | I | b | t |
| на індивідуальне замовлення | |||
Варіанти складання мотор-редуктора 3МП-25

Усоловні позначення для мотор-редуктора 3МП-25
3МП-25-112-0,75-64-G110-Ц-У3-380В, де
3 МП - тип мотор-редуктора — мотор-редуктор планетарний;
25 - габарит — міжосьова відстань;
112 - оберти вихідного вала, об/хв;
0,75 - потужність електродвигуна, кВт;
64 - крутний момент на вихідному валу, Н.м;
G110 - конструктивне виготовлення за способом монтажу;
Ц - варіант виготовлення вихідної вали;
У3 - кліматичне виконання й категорія розміщення;
380 В - номінальна напруга мережі змінного струму.
Мотор-редуктор 3МП-25
Відгуків про цей товар ще не було.
Немає відгуків про цей товар, станьте першим, залиште свій відгук.
Немає питань про даний товар, станьте першим і задайте своє питання.