Мотор-редуктор 3МП-40
Планетарний мотор-редуктор 3МП-40
Планетарний мотор-редуктор 3МП-40 широко застосовують у багатьох галузях промисловості для зниження швидкості обертання й передавання крутного моменту іншим пристроям. Винятком є підіймальні механізми.
Мотор-редуктор 3МП-40 може експлуатуватися тривалий час із різними типами навантаження. Обхват має бути неагресивним, а його запеленість не перевищувати 10 мг/м3.
Купити цей мотор-редуктор можна на нашому сайті за ціною від виробника. Ми надаємо продукцію тільки високої якості та з упевненістю даємо тривалу гарантію 36 місяців.
До кожного товару додається оригінальний паспорт із докладним описом технічних характеристик і позначками ОК.
Доставка виробляється на всій території України.
Технічні характеристики мотор-редуктора 3МП-25
| Кількість обертів вихідного вала, об/хв | Мкр на вихідний валу, Нм | Застосуваний мотор | Максимальне навантаження на вихідний валу, Н | ККД, % | Вага редуктора без мотора, кг | |||
| Марка | Потужність, кВт | |||||||
| Одноступеневий мотор редуктор | ||||||||
| 112 | 340 | АІР112МВ6 | 4 | 2400 | 98 | 35 | ||
| 250 | AІР112МА6 | 3 | ||||||
| 140 | 340 | AИР132S6 | 5.5 | |||||
| 260 | AИР112В6 | 4 | ||||||
| 180 | 375 | AИР132S4 | 7.5 | |||||
| 235 | AІ9112М4 | 5.5 | ||||||
| 224 | 375 | AИР132S4 | 7.5 | |||||
| 230 | AІ9112М4 | 5.5 | ||||||
| 280 | 375 | AИР132М4 | 11 | |||||
| 250 | AИР132S4 | 7.5 | ||||||
| Двоступеневий мотор редуктор | ||||||||
| 18 | 375 | AИР90LA8 | 0.75 | 4200 | 97 | 32 | ||
| 280 | AИР80В8 | 0.55 | ||||||
| 22.4 | 375 | AИР80В6 | 1.1 | |||||
| 225 | AИР71В6 | 0.55 | ||||||
| 28 | 364 | AИР80В6 | 1.1 | |||||
| 250 | AИР80А6 | 0.75 | ||||||
| 35.5 | 375 | AИР80В4 | 1.5 | |||||
| 285 | AИР80А4 | 1.1 | ||||||
| 45 | 308 | AИР80В4 | 1.5 | |||||
| 225 | AИР80А4 | 1.1 | ||||||
| 56 | 365 | AИР90L4 | 2.2 | |||||
| 248 | AИР80B4 | 1.5 | ||||||
| 71 | 375 | AИР90L2 | 3 | |||||
| 280 | AИР80В2 | 2.2 | ||||||
| 90 | 310 | AИР90L2 | 3 | |||||
| 225 | AИР80В2 | 2.2 | ||||||
| Триступеневий мотор редуктор | ||||||||
| 3.55 | 375 | АІР63А6 | 0.18 | 4540 | 96 | 35 | ||
| 4.4 | 330 | АІР63А6 | 0.18 | |||||
| 5.6 | 375 | АІР63В6 | 0.25 | |||||
| 7.1 | 375 | АІР63В4 | 0.37 | |||||
| 9 | 330 | АІР63В4 | 0.37 | |||||
| 12.5 | 375 | АІР63В2 | 0.55 | |||||
| 16 | 330 | АІР63В2 | 0.55 | |||||
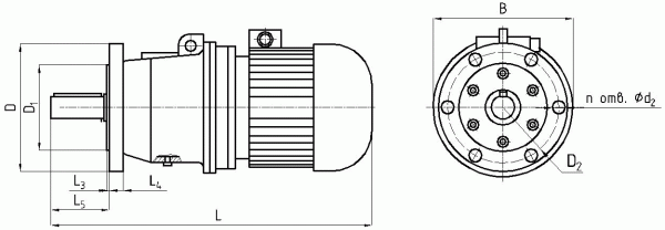
Схема габаритних і приєднувальних розмірів мотор-редуктора 3МП-40
На лапах

| Кількість щаблів у мотор редукторі 3 МП-40 | L | B | H | L1 | L2 | B1 | B2 | H1 | H2 | H3 | d1 |
| не більш ніж | |||||||||||
| одноступеневий | 725 | 350 | 305 | 110 | 170 | 180 | 220 | 112 | 22 | 63 | 20 |
| двоступеневий | 625 | 250 | 247 |
| |||||||
| триступеневий | 500 | 224 | 247 | ||||||||
Фланцове виготовлення

| Кількість щаблів у мотор редукторі 3 МП-40 | L | B | L3 | L4 | L5 | D | D1 | D2 | d2 | n |
| не більш ніж | ||||||||||
| одноступеневий | 725 | 350 | 6 | 16 | 90 | 200 | 130 | 165 | 15 | 6 |
| двоступеневий | 625 | 250 | ||||||||
| триступеневий | 500 | 224 | ||||||||
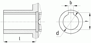
Циліндричний вихідний вал

| d | d1 | I | I1 | b | t |
| 35 | М20 1.5 | 80 | 58 | 6 | 18.55 |
Конічний вихідний вал

| d | I | b | t |
| 35k6 | 80 | 10 | 38 |
Повний вихідний вал

| d | I | b | t |
| 30Н7 | 70 | 8 | 33.1 |
Варіанти складання мотор-редуктора 3МП-40

Усоловні позначення для мотор-редуктора 3МП-40
Мотор-редуктор ЗМП40-90-110 УЗ, 380 В, де:
3 МП - тип моторредуктора;
40 - радіус розташування сателітів, мм;
90 номінальна частота обертання вихідного вала, об/хв
G110 - конструктивне виготовлення за способом монтажу;
У3 - кліматичне виконання за ГОСТ 15150-69
380 - напруга мережі.
Зазначимо, що за бажанням замовника ми можемо укомплектувати мотор-редуктор ЗМП електродвигуном із вбудованим електромагнітним гальмом і електродвигуном вибухового виконання.
Мотор-редуктор 3МП-40
Відгуків про цей товар ще не було.
Немає відгуків про цей товар, станьте першим, залиште свій відгук.
Немає питань про даний товар, станьте першим і задайте своє питання.