Мотор-редуктор 3МП-80
Мотор-редуктор 3МП-80
Мотор-редуктори планетарні призначені для зниження частоти обертання і передачі крутного моменту механізмам загальномашинобудівного призначення, (виключаючи механізми для підйому вантажу). Використовуються в конвеєрах шнекових, стрічкових та інших установках промислового призначення.
Планетарна передача редуктора складається з таких елементів;
- центрального зубчастого колеса (сонячна шестерня);
- зовнішнього зубчастого колеса (коронна шестерня);
- невеликих коліс (сателітів) чи їх груп;
- рухомого елемента, на якому зафіксовано осі сателітів (водила).
Для комплектації виробу застосовуються асинхронні двигуни серії 4АМ, серії АІР або АІР. За погодженням із виробником допускається комплектація двигунами сільськогосподарського виконання 4АСУ1 та іншими спеціальними двигунами (морського, вибухобезпечного виконання, постійного струму, зниженої напруги).
Основні технічні характеристики мотор-редуктора 3МП-80:
| Кількість обертів вихідного вала, об/хв | Мкр на вихідному валу, Нм | Застосовуваний двигун | Максимальне навантаження на вихідному валу, Н | ККД, % | Вага редуктора без двигуна, кг | |
| Марка | Потужність, кВт | |||||
| Одноступінчастий мотор редуктор | ||||||
| 112 | 1836 | 4АМ180М6 | 22 | 7500 | 98 | 200 |
| 1544 | 4АМ180S6 | 18.5 | ||||
| 140 | 2000 | 4AM200L6 | 30 | |||
| 1470 | 4AM200M6 | 22 | ||||
| 180 | 1920 | 4AM200M4 | 37 | |||
| 1555 | 4АМ180М4 | 30 | ||||
| 224 | 1875 | АМУ225М4 | 45 | |||
| 1541 | 4АМ200М4 | 37 | ||||
| 280 | 1518 | АІР200L4 | 45 | |||
| Двоступінчастий мотор редуктор | ||||||
| 18 | 2077 | 4AM132S8 | 4 | 11000 | 97 | 170 |
| 1558 | 4AM112MB8 | 3 | ||||
| 22.4 | 2295 | 4AM132S6 | 5.5 | |||
| 1669 | 4AM112MB6 | 4 | ||||
| 28 | 1836 | 4AM132S6 | 7.5 | |||
| 1335 | 4AM112MB6 | 5.5 | ||||
| 35.5 | 1975 | 4AM132S4 | 11 | |||
| 1450 | 4AM112L4 | 7.5 | ||||
| 45 | 2285 | 4AM132M4 | 11 | |||
| 1558 | 4AM132S4 | 7.5 | ||||
| 56 | 1836 | 4AM132M4 | 15 | |||
| 1252 | 4AM132S4 | 11 | ||||
| 71 | 1975 | 4AM160S2 | 15 | |||
| 1450 | 4AM132M2 | 11 | ||||
| 90 | 1558 | 4AM160S2 | 15 | |||
| 1142 | 4AM132M2 | 11 | ||||
| Триступінчастий мотор редуктор | ||||||
| 3.55 | 1975 | АІР90LA8 | 0.75 | 11000 | 96 | 150 |
| 1450 | АІР80В8 | 0.55 | ||||
| 4.4 | 1593 | АІР90LA8 | 0.75 | |||
| 1168 | АІР80В8 | 0.55 | ||||
| 5.6 | 1836 | АІР80В6 | 1.1 | |||
| 1252 | АІР80А6 | 0.75 | ||||
| 7.1 | 1975 | АІР80В4 | 1.5 | |||
| 1450 | АІР80А4 | 1.1 | ||||
| 9 | 2285 | АІР90L4 | 2.2 | |||
| 1558 | АІР80В4 | 1.5 | ||||
| 12.5 | 2244 | АІР90L2 | 3 | |||
| 1645 | АІР80В2 | 2.2 | ||||
| 16 | 1752 | АІР90L2 | 3 | |||
| 1285 | АІР80В2 | 2.2 | ||||
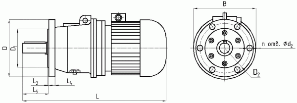
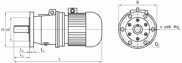
Габаритні та приєднувальні розміри мотор-редуктора 3МП-80
(виконання на лапах)

| Кількість ступенів у мотор редукторі 3МП-80 | L | B | H | L1 | L2 | B1 | B2 | H1 | H2 | H3 | d1 |
| не більше | |||||||||||
| одноступінчастий | 1240 | 550 | 510 | 175 | 325 | 320 | 380 | 200 | 40 | 75 | 35 |
| двоступінчастий | 915 | 380 | 420 | – | |||||||
| триступінчастий | 810 | 380 | 400 | ||||||||
Габаритні та приєднувальні розміри мотор-редуктора 3МП-80
(фланцеве виконання)

| Кількість ступенів у мотор редукторі 3МП-80 | L | B | L3 | L4 | L5 | D | D1 | D2 | d2 | n |
| не більше | ||||||||||
| одноступінчастий | 1240 | 550 | 10 | 22 | 152 | 400 | 320 | 350 | 22 | 6 |
| двоступінчастий | 915 | 400 | ||||||||
| триступінчастий | 810 | 400 | ||||||||
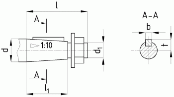
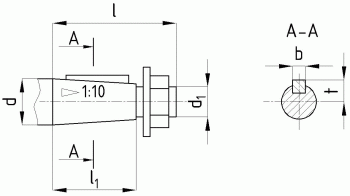
Приєднувальні розміри циліндричних валів мотор-редуктора 3МП

| d | d1 | I | I1 | b | t |
| 70 | М48×3 | 140 | 105 | 18 | 36.38 |
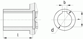
Приєднувальні розміри циліндричних валів мотор-редуктора 3МП

| d | I | b | t |
| 70k6 | 140 | 20 | 74.5 |
Приєднувальні розміри циліндричних валів мотор-редуктора 3МП

| d | I | b | t |
| на індивідуальне замовлення | |||
Мотор-редуктор 3МП-80: варіанти складання

Приклад умовного позначення
3МП-80-71-15,0-1975-G110-Ц-У3-380 В, де:
3МП - тип мотор-редуктора - мотор-редуктор планетарний;
80 - габарит - міжосьова відстань;
71 - обороти вихідного валу, об/хв;
15,0 - потужність електродвигуна, кВт;
1975 - момент, що крутить, на вихідному валу, Н.м;
G110 - конструктивне виконання за способом монтажу;
Ц - варіант виконання вихідного валу;
У3 - кліматичне виконання та категорія розміщення;
380 В - номінальна напруга мережі змінного струму.
Щоб вигідно купить планетарный мотор-редуктор 3МП - телефонуйте менеджерам компанії «Промпривод» або залишайте заявки на сайті! Для оптових замовників у нас діють знижки. Доставка можлива у будь-який регіон України.
Мотор-редуктор 3МП-80
Відгуків про цей товар ще не було.
Немає відгуків про цей товар, станьте першим, залиште свій відгук.
Немає питань про даний товар, станьте першим і задайте своє питання.