Мотор-редуктор 4 МП-40
Планетарний мотор-редуктор 4МП-40
Мотор-редуктор 4 МП-40 належить до категорії планетарних і широко застосовується в багатьох галузях промисловості. Його завданням є передавання крутного моменту іншим механізмам (крім підіймальних).
Мотор-редуктор 4 МП-40 може працювати без зупинки до 24 годин в одному напрямку або реверсном і з різними типами навантаження (постійної або змінної).
Купити цей мотор-редуктор можна за вигідною ціною в нас на сайті. Для замовлення товару Ви можете оформити його онлайн або зв'язатися з нашим менеджером за номером, зазначеним на сайті.
До кожного товару додається гарантія 36 місяців та оригінальний паспорт до пристрою.
Доставка здійснюється будь-яким зручним для Вас способом на всій території України.
Технічні характеристики планетарного мотор-редуктора 4 МП-40
| Частота, з якою обертається вихідний вал, об/хв | Момент крутіння на вихідний валу, Нм | Передавальне відношення редуктора | Маса, кг (не більш ніж) | Двигун | |
| Марка</p> | Потужність, кВт | ||||
| 2.5 | 440 | 351 | 31 | АІР63А6 | 0.18 |
| 5.6 | 300 | 253 | 32 | АІР56В4 | 0.18 |
| 7.1 | 315 | 186 | 34 | АІР63А4 | 0.25 |
| 9 | 375 | 147 | 35 | АІР63В4 | 0.37 |
| 12.5 | 400 | 230 | 36 | АІР63В2 | 0.55 |
| 16 | 335 | 186 | 36 | АІР63В2 | 0.55 |
| 18 | 375 | 39.7 | 43 | АІР90LA8CB | 0.75 |
| 22.4 | 375 | 39.7 | 40 | АІР80В6 | 1.1 |
| 28 | 375 | 31.8 | 45 | АИР90L6CB | 1.5 |
| 35.5 | 375 | 39.7 | 43 | АІР80В4 | 1.5 |
| 45 | 375 | 31.8 | 47 | АІР90L4CB | 2.2 |
| 56 | 375 | 25.6 | 47 | АІР90L4 | 2.2 |
| 71 | 375 | 39.7 | 46 | АІР90L2CB | 3 |
| 90 | 315 | 31.8 | 46 | АІР90L2CB | 3 |
| 112 | 375 | 7.9 | 43 | АИР132M8CB | 5.5 |
| 140 | 385 | 6.3 | 40 | АИР132S6CB | 5.5 |
| 180 | 375 | 7.9 | 45 | АИР132S4CB | 7.5 |
| 224 | 375 | 6.3 | 43 | АИР132M4CB | 11 |
| 280 | 375 | 5.48 | 47 | АИР132M4CB | 11 |
Схема габаритних і приєднувальних розмірів мотор-редуктора 4МП-40
На лапах

| Кількість щаблів редуктора 4 МП-40 | >L | B | H | L1 | L2 | B1 | B2 | H1 | H2< | H3< | d |
| не більш ніж< | |||||||||||
| одноступеневий | 725 | 350 | 305 | 110 | 170 | 180 | 220 | 112 | 20 | 63 | 20 |
| двоступеневий | 625 | 250 | 247 | – | |||||||
| триступеневий | 500 | 224 | 247 | ||||||||
На фланці

| Кількість щаблів редуктора 4 МП-40 | L | B | L3 | L4 | L5 | D | D1 | D2 | d1 | n |
| не більш ніж | ||||||||||
| одноступеневий | 725 | 350 | 6 | 16 | 90 | 200 | 130 | 165 | 15 | 6 |
| двоступеневий | 625 | 250 | ||||||||
| триступеневий | 500 | 224 | ||||||||
Розміри циліндричного вала мотор редуктора 4 МП-40

| d | d1 | I | I1 | b | t |
| 35 | M20×1.5 | 80 | 58 | 6 | 18.55 |
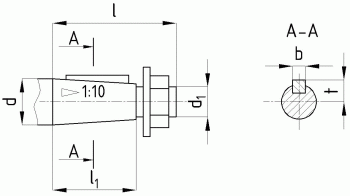
Розміри конічного вала мотор редуктора 4 МП-40

| d | I | b | t |
| 35k6 | 80 | 10 | 38 |
Варіанти складання мотор-редуктора 4МП-40

Мотор-редуктор 4МП-40
Відгуків про цей товар ще не було.
Немає відгуків про цей товар, станьте першим, залиште свій відгук.
Немає питань про даний товар, станьте першим і задайте своє питання.