Мотор-редуктор 4 МП-63
Планетарний мотор-редуктор 4МП-63
Планетарний мотор-редуктор 4МП-63 , що складається з планетарного редуктора та електропривода, призначений для передавання крутного моменту іншому пристрою. Він широко застосовується в багатьох галузях виробництв.
Мотор-редуктор 4 МП-63 стійко витримує тривалу роботу (до 24 годин) з різними типами навантажень. Для продовження терміну експлуатації пристрою, не рекомендується експлуатувати його в агресивному середовищі, а також у середовищі, де ступінь запиленості перевищує 10 мг/м3.
Купити мотор-редуктор 4МП-50 можна за вигідною ціною в нас на сайті. Для замовлення товару Ви можете оформити його онлайн або зв'язатися з нашим менеджером за номером, зазначеним на сайті.
До кожного товару додається гарантія 36 місяців та оригінальний паспорт до пристрою.
Доставка здійснюється будь-яким зручним для Вас способом на всій території України.
Технічні характеристики планетарного мотор-редуктора 4 МП-63
|
| Частота, з якою обертається вихідний вал, об/хв | Момент крутіння на вихідний валу, Нм | Передавальне відношення редуктора | Маса, кг (не більш ніж) | Двигун | |
| Марка | Потужність, кВт | |||||
| Редуктор 4 МП-63 з нормальним крутним моментом | 3.55 | 900 | 244 | 90 | АІ571А6 | 0.37 |
| 5.6 | 1250 | 244 | 90 | АІ571В4 | 0.75 | |
| 7.1 | 1000 | 200 | 90 | АІ571В4 | 0.75 | |
| 9 | 1180 | 163 | 94 | АІР80В4 | 1.1 | |
| 12.5 | 1060 | 112 | 96 | АІР80В4 | 1.5 | |
| 16 | 850 | 88 | 96 | АІР80В4 | 1.5 | |
| 18 | 1120 | 52 | 106 | АІР100L6 | 2.2 | |
| 22.4 | 1250 | 43 | 113 | АІР112МА6 | 3 | |
| 28 | 950 | 32 | 113 | АІР112МА6 | 3 | |
| 35.5 | 1000 | 25 | 116 | АІР112МВ6 | 4 | |
| 45 | 1120 | 32 | 125 | АІР112М4 | 5.5 | |
| 56 | 950 | 25 | 125 | АІР112М4 | 5.5 | |
| 71 | 710 | 20 | 125 | АІР112М4 | 5.5 | |
| 950 | 20 | 145 | АИР132S6 | 7.5 | ||
| 90 | 1120 | 8 | 221 | АІР160М8 | 11 | |
| 112 | 900 | 8.4 | 210 | АИР160S6 | 11 | |
| 115 | 1190 | 20 | 210 | АІР160L2 | 15 | |
| 140 | 1060 | 7 | 221 | АІР160М6 | 15 | |
| 180 | 950 | 8 | 212 | АІР160М4 | 18.5 | |
| Редуктор 4 МП-63 з підвищеним крутним моментом | 3.55 | 1320 | 244 | 92 | АІ571В6 | 0.55 |
| 5.6 | 1800 | 244 | 93 | АІР80А4 | 1.1 | |
| 7.1 | 1400 | 200 | 93 | АІР80А4 | 1.1 | |
| 9 | 1600 | 164 | 95 | АІР80В4 | 1.5 | |
| 12.5 | 1600 | 112 | 100 | АІР90L4 | 2.2 | |
| 16 | 1250 | 88 | 100 | АІР90L4 | 2.2 | |
| 1550 | 88 | 110 | АІР100S4 | 3 | ||
| 18 | 1700 | 52 | 128 | АІР112МВ8 | 3 | |
| 22.4 | 1700 | 43 | 130 | АІР112МВ6 | 4 | |
| 28 | 1250 | 32 | 130 | АІР112МВ6 | 4 | |
| 35.5 | 1320 | 25 | 130 | АИР132S6 | 5.5 | |
| 1650 | 25 | 150 | АИР132М6 | 7.5 | ||
| 45 | 1500 | 32 | 145 | АИР132S4 | 7.5 | |
| 56 | 1250 | 25 | 145 | АИР132S4 | 7.5 | |
| 71 | 1250 | 20 | 160 | АІР132М4 | 11 | |
| 112 | 1250 | 20 | 210 | АІР160М6 | 15 | |
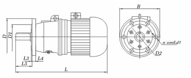
Схема габаритних і приєднувальних розмірів мотор-редуктора 4МП-63
На лапах

| Частота обертання вихідного вала | L | B | H | L1 | L2 | B1 | B2 | H1 | H2 | H3 | d |
| не більш ніж | |||||||||||
| 3.55…16 | 652 | 350 | 345 | 110 | 140 | 260 | 325 | 160 | 32 |
– | 24 |
| 18…90 | 741 | 350 | 345 | ||||||||
| 112…280 | 960 | 400 | 440 | ||||||||
| 18…90 | 1360 | 535 | 570 | ||||||||
| 112…280 | 1415 | 590 | 630 | 20 | |||||||
На фланці

| Частота обертання вихідного вала | L | B | L3 | L4 | L5 | D | D1 | D2 | d1 | n |
| не більш ніж | ||||||||||
| 3.55…16 | 652 | 350 | 8 | 20 | 124 | 300 | 230 | 265 | 19 | 6 |
| 18…90 | 741 | 350 | ||||||||
| 112…280 | 960 | 400 | ||||||||
| 18…90 | 1360 | 600 | ||||||||
| 112…280 | 1415 | 600 | ||||||||
Розміри циліндричного вала мотор редуктора 4 МП-63

| d | d1 | I | I1 | b | t |
| 55 | M36×3 | 110 | 82 | 14 | 28.95 |
Розміри конічного вала мотор редуктора 4 МП-63

| d | I | b | t |
| 55k6 | 110 | 16 | 59 |
Варіанти складання мотор-редуктора 4МП-63

Мотор-редуктор 4МП-63
Відгуків про цей товар ще не було.
Немає відгуків про цей товар, станьте першим, залиште свій відгук.
Немає питань про даний товар, станьте першим і задайте своє питання.