Мотор-редуктор 4МП-25
Планетарний мотор-редуктор 4МП-25
Пристрій 4 МП-25 є планетарним мотор-редуктором широкого застосування. Його завдання — це передавання крутного моменту іншим механізмам, унеможливлюючи механізми для підняття вантажів.
Мотор-редуктор 4МП-25 може працювати до 24 годин без перерви з різними типами навантажень в одному напрямку або реверсном.
Купити цей мотор-редуктор можна за вигідною ціною в нас на сайті. Для замовлення товару Ви можете оформити його онлайн або зв'язатися з нашим менеджером за номером, зазначеним на сайті.
До кожного товару додається гарантія 36 місяців та оригінальний паспорт до пристрою.
Доставка здійснюється будь-яким зручним для Вас способом на всій території України.
Технічні характеристики планетарного мотор-редуктора 4 МП-25
| Частота, з якою обертається вихідний вал, об/хв | Момент крутіння на вихідний валу, Нм | Передавальне відношення редуктора | Маса, кг (не більш ніж) | Двигун | |
| Марка | Потужність, кВт | ||||
| 18 | 80 | 47.1 | 10.5 | АІР63А6 | 0.18 |
| 22.4 | 45 | 37.7 | 9.6 | АІР63А6 | 0.18 |
| 28 | 56 | 47.1 | 9.6 | АІР56В4 | 0.18 |
| 71 | 47.1 | 10.5 | АІР63А4 | 0.25 | |
| 35.5 | 46 | 37.7 | 9.6 | АІР56В4 | 0.18 |
| 71 | 37.7 | 10.5 | АІР63А4 | 0.25 | |
| 45 | 50 | 28.8 | 10.5 | АІР63А4 | 0.25 |
| 71 | 28.8 | 11.3 | АІР63В4 | 0.37 | |
| 56 | 56 | 47.1 | 10.5 | АІР63А2 | 0.37 |
| 81 | 47.1 | 11.3 | АІР63В2 | 0.55 | |
| 71 | 69 | 37.7 | 11.3 | АІР63В2 | 0.55 |
| 90 | 57 | 30.6 | 11.3 | АІР63В2 | 0.55 |
| 112сп | 63 | 8.25 | 18.4 | АІР80А6 | 0.75 |
| 140 | 63 | 6.2 | 18.4 | АІР80В6 | 1.1 |
| 180 | 71 | 7.6 | 19.4 | АІР80В4 | 1.5 |
| 224 | 58 | 5.8 | 19.4 | АІР80В4 | 1.5 |
| 280 | 52 | 5.2 | 19.4 | АІР80В4 | 1.5 |
| 370 | 40 | 7.61 | 18.4 | АІР80А2 | 1.5 |
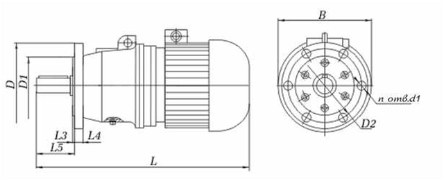
Схема габаритних і приєднувальних розмірів мотор-редуктора 4МП-25
На лапах

| Кількість щаблів редуктора 4 МП-25 | L | B | H | L1 | L2 | B1 | B2 | H1 | H2 | H3 | d |
| не більш ніж | |||||||||||
| одноступеневий | 478 | 200 | 205 | 63 | 110 | 12 | 150 | 80 | 12 | 20 | 12 |
| двоступеневий | 417 | 160 | 171 | – | |||||||
| триступеневий | 397 | 150 | 160 | ||||||||
На фланці

| Кількість щаблів редуктора 4 МП-25 | L | B | L3 | L4 | L5 | D | D1 | D2 | d1 | n |
| не більш ніж | ||||||||||
| одноступеневий | 478 | 200 | 4 | 10 | 50 | 155 | 110 | 130 | 12 | 4 |
| двоступеневий | 417 | 160 | ||||||||
| триступеневий | 397 | 150 | ||||||||
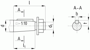
Розміри циліндричного вала мотор редуктора 4 МП-25

| d | d1 | I | I1 | b | t |
| 25 | M16×1.5 | 60 | 42 | 5 | 13.45 |
Розміри конічного вала мотор редуктора 4МП-25

| d | I | b | t |
| 25k6 | 42 | 8 | 28 |
Варіанти складання мотор-редуктора 4МП-25

Мотор-редуктор 4МП-25
Відгуків про цей товар ще не було.
Немає відгуків про цей товар, станьте першим, залиште свій відгук.
Немає питань про даний товар, станьте першим і задайте своє питання.