Мотор-редуктор 4МП-50
Планетарний мотор-редуктор 4МП-50
Мотор-редуктор планетарний 4МП-50 є пристроєм для передавання крутного моменту іншим механізмам і складається з: електроприводу та планетарного редуктора.
Мотор-редуктор 4МП-50 може виконуватися як:
• одноступеневим
• двоступеневим
• триступеневим.
За способом монтажу він буває з флансовим кріпленням або кріпленням за допомогою лапок.
Купити мотор-редуктор 4 МП-50 можна за найвигіднішою ціною в нас на сайті. Для замовлення товару Ви можете оформити його онлайн або зв'язатися з нашим менеджером за номером, зазначеним на сайті.
До кожного товару додається гарантія 36 місяців та оригінальний паспорт до пристрою.
Доставка здійснюється будь-яким зручним для Вас способом на всій території України.
Технічні характеристики планетарного мотор-редуктора 4 МП-50
| Частота, з якою обертається вихідний вал, об/хв | Момент крутіння на вихідний валу, Нм | Передавальне відношення редуктора | Маса, кг (не більш ніж) | Двигун | |
| Марка | Потужність, кВт | ||||
| 3.55 | 615 | 201 | 55 | АІ571В8СВ | 0.25 |
| 5.6 | 830 | 238 | 50 | АІ571А4СВ | 0.55 |
| 7.1 | 690 | 176 | 50 | АІ571А4 | 0.55 |
| 9 | 690 | 153 | 52 | АІ571В4 | 0.75 |
| 12.5 | 695 | 238 | 52 | АІ571В2СВ | 1.1 |
| 16 | 650 | 176 | 52 | АІ571В2 | 1.1 |
| 18 | 765 | 39.4 | 69 | АІР100L8 | 1.5 |
| 22.4 | 750 | 39.4 | 69 | АІР100L6 | 2.2 |
| 28 | 680 | 31.9 | 69 | АІР100L6 | 2.2 |
| 35.5 | 755 | 39.4 | 69 | АІР100S6 | 3 |
| 45 | 620 | 31.9 | 69 | АІР100S4 | 3 |
| 56 | 655 | 25.1 | 75 | АІР100L4 | 4 |
| 71 | 695 | 39.4 | 75 | АІР100L2 | 5.5 |
| 90 | 560 | 31.9 | 75 | АІР100L2 | 5.5 |
| 112 | 570 | 7.8 | 112 | АИР132M6 | 7.5 |
| 140 | 700 | 6.9 | 178 | АИР160S6 | 11 |
| 180 | 745 | 7.8 | 183 | АИР160S4 | 15 |
| 224 | 605 | 6.3 | 183 | АИР160S4 | 15 |
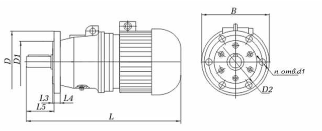
Схема габаритних і приєднувальних розмірів мотор-редуктора 4МП-50
На лапах

| Кількість щаблів редуктора 4 МП-50 | L | B | H | L1 | L2 | B1 | B2 | H1 | H2 | H3 | d |
| не більш ніж | |||||||||||
| одноступеневий | 925 | 350 | 360 | 145 | 210 | 220 | 265 | 132 | 22 | 43 | 22 |
| двоступеневий | 682 | 270 | 295 | – | |||||||
| триступеневий | 637 | 270 | 295 | ||||||||
На фланці

| Кількість щаблів редуктора 4 МП-50 | L | B | L3 | L4 | L5 | D | D1 | D2 | d1 | n |
| не більш ніж | ||||||||||
| одноступеневий | 925 | 350 | 8 | 18 | 124 | 250 | 180 | 215 | 17 | 6 |
| двоступеневий | 682 | 270 | ||||||||
| триступеневий | 637 | 270 | ||||||||
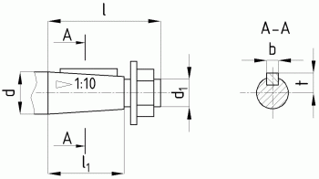
Розміри циліндричного вала мотор редуктора 4 МП-50

| d | d1 | I | I1 | b | t |
| 45 | M30×2 | 110 | 82 | 12 | 23.45 |
Розміри конічного вала мотор редуктора 4 МП-50

| d | I | b | t |
| 45k6 | 110 | 14 | 48.5 |
Варіанти складання мотор-редуктора 4МП-50

Мотор-редуктор 4МП-50
Відгуків про цей товар ще не було.
Немає відгуків про цей товар, станьте першим, залиште свій відгук.
Немає питань про даний товар, станьте першим і задайте своє питання.