Мотор-редуктор МР3-500
Планетарний мотор-редуктор МР3-500
Мотор-редуктор МР3-500 призначений для застосування в хімічній промисловості, для передавання свого крутного моменту обертовим частинам перемішувальних пристроїв. Обертання вала може відбуватися в будь-якому напрямку.
Мотор-редуктор МР3-500 дуже надійний, довговічний і має високий показник ККД.
Придбати цю модель мотор-редуктора можна в нас на сайті. Для цього Ви можете залишити заявку на сайті або зателефонувати нашим фахівцям із зазначеного номера на сайті.
Купуючи в нас, Ви отримуєте не тільки високу якість виробу за ціною від виробника, а й оригінальний паспорт і гарантію 36 місяців.
Доставка виробляється на всій території України способом, який найбільше підходить безпосередньо Вам.
Технічні характеристики двигун редуктора МР3-500
| Частота обертання вихідного вала n, об/хв | Номінальний крутний момент на вихідному валу Мкр, Нм | Потужність електродвигуна Р, кВт |
| 5 | 19928 | 11 |
| 6.3 | 15816 | 11 |
| 26599 | 18.5 | |
| 8 | 16984 | 15 |
| 24910 | 22 | |
| 10 | 13587 | 15 |
| 16758 | 18.5 | |
| 27175 | 30 | |
| 12.5 | 13406 | 18.5 |
| 26812 | 37 | |
| 16 | 10474 | 18.5 |
| 16984 | 30 | |
| 25476 | 45 | |
| 20 | 8379 | 18.5 |
| 13587 | 30 | |
| 20381 | 45 |
Схема габаритних і приєднувальних розмірів мотор-редуктора МР3-500

| А | А1 | В | В1 | D | D1 | D2 | Н | Н1 |
| 330 | 640 | 465 | 740 | 720 | 780 | 840 | 825 | 400 |
| Н2 | L | L1 | L2 | L3 | L4 | L5 | d | d1 |
| 70 | 1245 | 355 | 28 | 40 | 40 | 6755 | 26 | 39 |

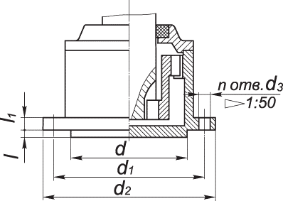
Приєднувальні розміри циліндричного вала мотор-редуктора МР3-500:
| d | d1 | d2 | l | l1 | l2 | b | t |
| 125 | 110 | 123 | 210 | 12 | 10 | 32 | 136 |

Приєднувальні розміри вала у формі зубчастої півмуфти мотор редуктора МР3-500:
| d | d1 | d2 | d3 | l | l1 | n |
| на індивідуальне замовлення | ||||||
Схема умовних позначень МР3-500
МР3-500-15-40-Ф2В-У3
де
МР3- тип мотор-редуктора;
500- габарит;
15- виконання за комплектуючим електродвигуном;
80- частота обертання вихідного вала, об/хв;
Ф2- виготовлення горизонтальне фланцеве;
В- циліндричний кінець вихідної вали;
У3 кліматичне виконання й категорія розміщення.
Мотор-редуктор МР3-500
Відгуків про цей товар ще не було.
Немає відгуків про цей товар, станьте першим, залиште свій відгук.
Немає питань про даний товар, станьте першим і задайте своє питання.