Мотор-редуктор МЦ2С-100
Циліндричний мотор-редуктор МЦ2С-100
МЦ2С-100 є циліндричним двоступеневим мотор-редуктором, який складається з двох основних елементів (редуктора й електродвигуна), призначених для забезпечення потрібного крутного моменту на вихідному валі.
Мотор-редуктор МЦ2С-100 виготовлений із міжосьовою відстанню 100 мм. Дуже надійний і довговічний. Не рекомендується використовувати його в вибухобезпечному та агресивному середовищі.
Купити мотор-редуктор МЦ2С-100 можна легко на нашому сайті за вигідною ціною. Для замовлення цього товару Ви можете оформити заявку онлайн або зателефонувати нашим менеджерам за номером зазначеному на сайті.
Під час замовлення на нашому сайті Ви також отримуєте:
• найвища якість,
• паспорт з усіма позначками та печатками ОТК,
• гарантію 36 місяців,
• оперативну доставку в будь-яку точку України.
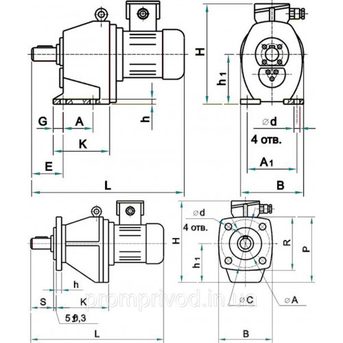
Схема габаритних і приєднувальних розмірів мотор-редуктора МЦ2С-100
На лапах

| Тип двигуна | L | H | B | h1 | A | A1 | E | G | D | h | K |
| 100L6; 100L4; 100L2 | 675 | 380 | 270 | 212±0.5 | 130±1 | 210±1 | 110 | 20 | 14 | 22 | 195 |
| 112МА6; 112М4; 112М2 | 695 | 400 | 280 | ||||||||
| 100S4 | 645 | 380 | 270 |
На фланці

| Тип двигуна | L | H | B | h1 | A | З | R | P | D | h | K | S |
| 100L6; 100L4; 100L2 | 675 | 380 | 270 | 212 | 230JS | 275 | 270 | 350 | 14 | 14 | 190 | 115 |
| 112МА6; 112М4; 112М2 | 695 | 400 | 280 | |||||||||
| 100S4 | 645 | 380 | 270 |
Габаритні розміри циліндричного та конічного валів мотор редуктора МЦ2С-100:
| d | d1 | l | l1 | b | b1 | t | t1 |
| 45 | - | 110 | - | 14 | - | 49 | - |
Варіанти кріплення циліндричного мотор редуктора МЦ2С-100

Технічні характеристики мотор-редуктора МЦ2С-100
| Швидкість обертання вихідної вали, об/хв | Момент крутіння на вихідний валу, Нм | Максимальне можливе навантаження на вихідний вал, Н | Маса мотор редуктора, не більш ніж кг | Двигун | ККД, % | ||
| Марка | Потужність, кВт | Частота обертання, об/хв | |||||
| 28 | 445 | 5300 | 79 | AИP100L8P3 | 1,5 | 1000 | 71 |
| 655 | 6400 | 81 | AИP100L6P3 | 2,2 | 1000 | 77 | |
| 31,5 | 440 | 5200 | 79 | AИP100L8P3 | 1,5 | 1000 | 71 |
| 35,5 | 555 | 6000 | 81 | AИP100L6P3 | 2,2 | 1000 | 77 |
| 710 | 6700 | 100 | АІРМ112МА6РЗ | 3 | 1000 | 77 | |
| 40 | 519 | 5700 | 81 | АІР100L6РЗ | 2,2 | 1000 | 77 |
| 705 | 6600 | 100 | АІРМ112МА6РЗ | 3 | 1000 | 77 | |
| 45 | 440 | 5300 | 81 | AИP100L6P3 | 2,2 | 1000 | 77 |
| 595 | 6100 | 74 | AИP100S4P3 | 3 | 1500 | 78 | |
| 50 | 538 | 5800 | 100 | АІРМ112МА6РЗ | 3 | 1000 | 77 |
| 717 | 6700 | 104 | АІРМ112МВ6РЗ | 4 | 1000 | 79 | |
| 56 | 505 | 5700 | 74 | AИP100S4P3 | 3 | 1500 | 78 |
| 675 | 6500 | 81 | AИP100L4P3 | 4 | 1500 | 82 | |
| 63 | 443 | 5200 | 74 | AИP100S4P3 | 3 | 1500 | 78 |
| 577 | 6000 | 81 | AИP100L4P3 | 4 | 1500 | 82 | |
| 794 | 7000 | 99 | АІРМ112М4РЗ | 5,5 | 1500 | 83 | |
| 71 | 535 | 5800 | 81 | AИP100L4P3 | 4 | 1500 | 82 |
| 710 | 6700 | 99 | АІРМ112М4РЗ | 5,5 | 1500 | 83 | |
| 80 | 475 | 5400 | 81 | АІР100L4РЗ | 4 | 1500 | 82 |
| 654 | 6400 | 99 | АІРМ112М4РЗ | 5,5 | 1500 | 83 | |
| 90 | 405 | 5100 | 81 | АІР100L4РЗ | 4 | 1500 | 82 |
| 545 | 5900 | 99 | АІРМ112М4РЗ | 5,5 | 1500 | 83 | |
| 100 | 387 | 4900 | 81 | AИP100L4P3 | 4 | 1500 | 82 |
| 532 | 5700 | 99 | АІРМ112М4РЗ | 5,5 | 1500 | 83 | |
| 744 | 6800 | 100 | АІРМ112М2РЗ | 7,5 | 3000 | 85 | |
| 112 | 450 | 5400 | 99 | АІРМ112М4РЗ | 5,5 | 1500 | 83 |
| 620 | 6300 | 100 | АІРМ112М2РЗ | 7,5 | 3000 | 85 | |
| 125 | 375 | 4800 | 99 | АІРМ112М4РЗ | 5,5 | 1500 | 83 |
| 537 | 5800 | 100 | АІРМ112М2РЗ | 7,5 | 3000 | 85 | |
| 140 | 490 | 5600 | 100 | АІРМ112М2РЗ | 7,5 | 3000 | 85 |
| 160 | 445 | 5200 | 100 | АІРМ112М2РЗ | 7,5 | 3000 | 85 |
| 180 | 380 | 4800 | 100 | АІРМ112М2РЗ | 7,5 | 3000 | 85 |
| 200 | 360 | 4700 | 100 | АІРМ112М2РЗ | 7,5 | 3000 | 85 |
| 224 | 314 | 4400 | 100 | АІРМ112М2РЗ | 7,5 | 3000 | 85 |
| 250 | 276 | 4100 | 100 | АІРМ112М2РЗ | 7,5 | 3000 | 85 |
| 280 | 244 | 3900 | 100 | АІРМ112М2РЗ | 7,5 | 3000 | 85 |
| 315 | 222 | 3700 | 100 | АІРМ112М2РЗ | 7,5 | 3000 | 85 |
| 355 | 195 | 3500 | 100 | АІРМ112М2РЗ | 7,5 | 3000 | 85 |
Мотор-редуктор МЦ2С-100
Відгуків про цей товар ще не було.
Немає відгуків про цей товар, станьте першим, залиште свій відгук.
Немає питань про даний товар, станьте першим і задайте своє питання.