Мотор-редуктор МЦ2С-125
Циліндричний мотор-редуктор МЦ2С-125
Циліндричний мотор-редуктор МЦ2С-125 призначений для забезпечення потрібного крутного моменту на вихідному валі та передавання його іншим механізмам. Конструктивно складається з двоступеневого циліндричного редуктора й електропривода, поєднаних між собою.
Мотор-редуктор МЦ2С-125 застосовують у багатьох сферах промисловості. Вони дуже надійні, довговічні та з високим показником ККД.
Купити мотор-редуктор МЦ2С-125 можна легко на нашому сайті за вигідною ціною. Для замовлення цього товару Ви можете оформити заявку онлайн або зателефонувати нашим менеджерам за номером зазначеному на сайті.
Під час замовлення на нашому сайті Ви також отримуєте:
• найвища якість,
• паспорт з усіма позначками та печатками ОТК,
• гарантію 36 місяців,
• оперативну доставку в будь-яку точку України.
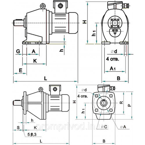
Схема габаритних і приєднувальних розмірів мотор-редуктора МЦ2С-125
На лапах

| Тип двигуна | L | H | B | h1 | A | A1 | E | G | D | h | K |
| 112МА6; 112МВ6; 112М4 | 738 | 480 | 335 | 265-1 | 160±0.7 | 280±0.7 | 110 | 25 | 19 | 28 | 235 |
| 132S6; 132S4; 132М6 | 765 | ||||||||||
| 132М4 | 814 | ||||||||||
| 132М2 | 350 | ||||||||||
| 160S4 | 870 | 520 | 335 | ||||||||
| 160М4 | 910 | 350 | |||||||||
| 160S2; 160М2 | 870 |
На фланці

| Тип двигуна | L | H | B | h1 | A | З | R | P | D | h | K | S |
| 112МА6; 112МВ6; 112М4 | 738 | 480 | 360 | 260 | 300JS | 350 | 360 | 440 | 19 | 20 | 235 | 115 |
| 132S6; 132S4; 132М6 | 765 | |||||||||||
| 132М4 | 814 | |||||||||||
| 132М2 | 477 | |||||||||||
| 160S4 | 870 | 520 | ||||||||||
| 160М4 | 910 | |||||||||||
| 160S2; 160М2 | 870 |
Габаритні розміри циліндричного та конічного валів мотор редуктора МЦ2С-125:
| d | d1 | l | l1 | b | b1 | t | t1 |
| 55 | М36 | 110 | 82 | 16 | 14 | 59 | 29 |
Варіанти кріплення циліндричного мотор редуктора МЦ2С-125

Технічні характеристики мотор-редуктора МЦ2С-125
| Швидкість обертання вихідної вали, об/хв | Момент крутіння на вихідний валу, Нм | Максимальне можливе навантаження на вихідний вал, Н | Маса мотор редуктора, не більш ніж кг | Двигун | ККД, % | ||
| Марка | Потужність, кВт | Частота обертання, об/хв | |||||
| 28 | 935 | 7700 | 122 | АІРМ112МА6РЗ | 3 | 1000 | 77 |
| 1245 | 8800 | 126 | АІРМ112МВ6РЗ | 4 | 1000 | 79 | |
| 31,5 | 870 | 7400 | 122 | АІРМ112МА6РЗ | 3 | 1000 | 77 |
| 1160 | 8500 | 126 | АІРМ112МВ6РЗ | 4 | 1000 | 79 | |
| 35,5 | 975 | 7800 | 126 | АІРМ112МВ6РЗ | 4 | 1000 | 79 |
| 1340 | 9200 | 148 | AИPM132S6P3 | 5,5 | 1000 | 83 | |
| 40 | 910 | 7500 | 126 | АІРМ112МВ6РЗ | 4 | 1000 | 79 |
| 1250 | 8800 | 148 | AИPM132S6P3 | 5,5 | 1000 | 83 | |
| 45 | 780 | 700 | 126 | AИPM112MB6P3 | 4 | 1000 | 79 |
| 1120 | 8400 | 127 | АІРМ112М4РЗ | 5,5 | 1500 | 83 | |
| 50 | 735 | 6800 | 126 | АІРМ112МВ6РЗ | 4 | 1000 | 79 |
| 1045 | 8100 | 127 | АІРМ112М4РЗ | 5,5 | 1500 | 83 | |
| 56 | 880 | 7400 | 127 | АІРМ112М4РЗ | 5,5 | 1500 | 83 |
| 880 | 7400 | 148 | AИPM132S6P3 | 5,5 | 1000 | 83 | |
| 1200 | 8700 | 151 | AИPM132S4P3 | 7,5 | 1500 | 84 | |
| 63 | 850 | 7300 | 148 | AИPM132S6P3 | 5,5 | 1000 | 83 |
| 1160 | 8500 | 151 | AИPM132S4P3 | 7,5 | 1500 | 84 | |
| 71 | 960 | 7800 | 151 | AИPM132S4P3 | 7,5 | 1500 | 84 |
| 1410 | 9400 | 166 | АІРМ132М4РЗ | 11 | 1500 | 85 | |
| 71 | 960 | 7800 | 151 | AИPM132S4P3 | 7,5 | 1500 | 84 |
| 1410 | 9400 | 166 | АІРМ132М4РЗ | 11 | 1500 | 85 | |
| 80 | 900 | 7500 | 151 | AИPM132S4P3 | 7,5 | 1500 | 84 |
| 1325 | 9100 | 166 | АІРМ132М4РЗ | 11 | 1500 | 85 | |
| 90 | 775 | 7000 | 151 | AИPM132S4P3 | 7,5 | 1500 | 84 |
| 1140 | 8500 | 166 | АІРМ132М4РЗ | 11 | 1500 | 85 | |
| 100 | 1040 | 8100 | 166 | АІРМ132М4РЗ | 11 | 1500 | 85 |
| 1410 | 9400 | 206 | AИPM160S4P3 | 15 | 1500 | 84 | |
| 112 | 895 | 7500 | 166 | АІРМ132М4РЗ | 11 | 1500 | 85 |
| 1210 | 8700 | 206 | AИPM160S4P3 | 15 | 1500 | 84 | |
| 125 | 815 | 7100 | 166 | АІРМ 132М4РЗ | 11 | 1500 | 85 |
| 1105 | 8300 | 206 | AИPM160S4P3 | 15 | 1500 | 84 | |
| 140 | 704 | 6600 | 166 | АІРМ132М4РЗ | 11 | 1500 | 85 |
| 940 | 7700 | 206 | AИPM160S4P3 | 15 | 1500 | 84 | |
| 1165 | 8600 | 228 | АІРМ160М4РЗ | 18,5 | 1500 | 86 | |
| 160 | 663 | 6400 | 160 | АІРМ132М2РЗ | 11 | 3000 | 84 |
| 665 | 7400 | 206 | AИPM160S4P3 | 15 | 1500 | 84 | |
| 1070 | 8200 | 228 | АІРМ160М4РЗ | 18 | 1500 | 86 | |
| 180 | 557 | 5900 | 160 | АІРМ132М2РЗ | 11 | 3000 | 84 |
| 760 | 6900 | 206 | AИPM160S4P3 | 15 | 1500 | 84 | |
| 940 | 7700 | 228 | AИPM160S4P3 | 15 | 1500 | 84 | |
| 200 | 504 | 5600 | 160 | АІРМ132М2РЗ | 11 | 3000 | 84 |
| 687 | 6500 | 197 | AИPM160S2P3 | 15 | 3000 | 84 | |
| 848 | 7200 | 207 | АІРМ160М2РЗ | 18,5 | 3000 | 86 | |
| 224 | 447 | 5200 | 160 | АІРМ132М2РЗ | 11 | 3000 | 84 |
| 609 | 6100 | 197 | AИPM160S2P3 | 15 | 3000 | 84 | |
| 752 | 6800 | 207 | АІРМ160М2РЗ | 18,5 | 3000 | 86 | |
| 250 | 408 | 5050 | 160 | АІРМ132М2РЗ | 11 | 3000 | 84 |
| 557 | 5900 | 197 | AИPM160S2P3 | 15 | 3000 | 84 | |
| 686 | 6500 | 207 | АІРМ160М2РЗ | 18,5 | 3000 | 86 | |
| 280 | 349 | 4600 | 160 | АІРМ132М2РЗ | 11 | 3000 | 84 |
| 476 | 5400 | 197 | AИPM160S2P3 | 15 | 3000 | 84 | |
| 588 | 6000 | 207 | АІРМ160М2РЗ | 18,5 | 3000 | 86 | |
| 315 | |||||||
Мотор-редуктор МЦ2С-125
Відгуків про цей товар ще не було.
Немає відгуків про цей товар, станьте першим, залиште свій відгук.
Немає питань про даний товар, станьте першим і задайте своє питання.