Мотор-редуктор МЦ2С-63
Циліндричний мотор-редуктор МЦ2С-63
Циліндричний двоступеневий мотор-редуктор МЦ2С-63 має міжосьову відстань 63 мм і широко застосовується в багатьох галузях промисловості. Завданням цього мотор-редуктора є передавання свого крутного моменту іншим механізмам.
Мотор-редуктор МЦ2С може виконуватися з електродвигунами різної потужності з частотою змінного струму 50-60 МГц і номінальною напругою 220 або 380 В. Докладніше технічні характеристики вказані в таблиці нижче.
Купити мотор-редуктор МЦ2С-63 можна легко на нашому сайті за найвигіднішою ціною. Для замовлення цього товару Ви можете оформити заявку онлайн або зателефонувати нашим менеджерам за номером зазначеному на сайті.
Під час замовлення на нашому сайті Ви також отримуєте:
• найвища якість,
• паспорт з усіма позначками та печатками ОТК,
• гарантію 36 місяців,
• оперативну доставку в будь-яку точку України.
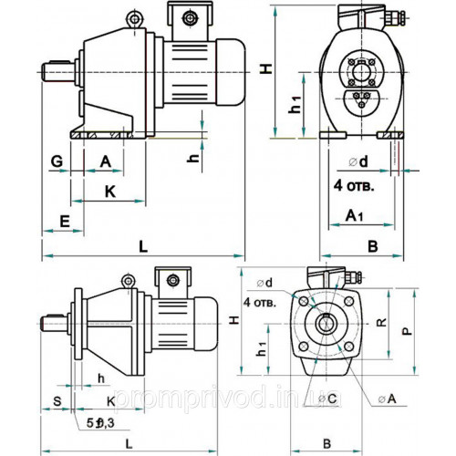
Схема габаритних і приєднувальних розмірів мотор-редуктора МЦ2С-63
На лапах

| Тип двигуна | L | H | B | h1 | A | A1 | E | G | D | h | K |
| 63В2 | 417 | 255 | 185 | 140-0.5 | 110±0.55 | 150±0.55 | 48 | 15 | 12 | 16 | 160 |
| 71В6; 71В4 | 487 | ||||||||||
| 71А4; 71А2; 71В2 | |||||||||||
| 80В8; 80В6; 80В4; 80В2 | 517 | 265 | |||||||||
| 80А6; 80А4 | 493 | ||||||||||
| 80А2 | 278 | ||||||||||
| 90L2; 90L4 | 538 | 275 | 200 |
На фланці

| Тип двигуна | L | H | B | h1 | A | З | R | P | D | h | K | S |
| 63В2 | 417 | 255 | 185 | 140 | 130JS | 185 | 200 | 240 | 11 | 12 | 150 | 65 |
| 71В6; 71В4 |
| |||||||||||
| 71А4; 71А2; 71В2 | ||||||||||||
| 80В8; 80В6; 80В4; 80В2 | 517 |
| ||||||||||
| 80А6; 80А4 | 473 | |||||||||||
| 80А2 | 493 | 278 | ||||||||||
| 90L2; 90L4 | 538 | 275 | 200 |
Габаритні розміри циліндричного та конічного валів мотор редуктора МЦ2С-63:
| d | d1 | l | l1 | b | b1 | t | t1 |
| 28 | М16 | 60 | 42 | 8 | 5 | 31 | 15 |
Варіанти кріплення циліндричного мотор редуктора МЦ2С-63

Технічні характеристики мотор-редуктора МЦ2С-63
| Швидкість обертання вихідної вали, об/хв | Момент крутіння на вихідний валу, Нм | Максимальне можливе навантаження на вихідний вал, Н | Маса мотор редуктора, не більш ніж кг | Двигун | ККД, % | ||
| Марка | Потужність, кВт | Частота обертання, об/хв | |||||
| 28 | 175 | 3300 | 21 | АІ571В6РЗ | 0.55 | 1000 | 66 |
| 31.5 | 162 | 3200 | 27 | АІР80В8РЗ | 0.55 | 750 | 62 |
| 35.5 | 140 | 3000 | 21 | АІ571В6РЗ | 0.55 | 1000 | 66 |
| 190 | 3500 | 27 | АІР80А6РЗ | 0.75 | 68 | ||
| 40 | 123 | 2800 | 21 | АІ571В6РЗ | 0.55 | 66 | |
| 168 | 3200 | 27 | АІР80А6РЗ | 0.75 | 68 | ||
| 45 | 113 | 2600 | 21 | АІ571В6РЗ | 0.55 | 68 | |
| 154 | 3100 | 27 | АІР80А6РЗ | 0.75 | 68 | ||
| 50 | 140 | 3000 | 27 | АІР80А6РЗ | 0.75 | 68 | |
| 102 | 2500 | 21 | АІ571В6РЗ | 0.55 | 68 | ||
| 206 | 3600 | 27 | АІР80А6РЗ | 1.1 | 72 | ||
| 56 | 96 | 2400 | 21 | АІ571А4РЗ | 0.55 | 1500 | 72 |
| 140 | 3000 | 21 | АІ571В4РЗ | 0.75 | 73 | ||
| 206 | 3400 | 27 | АІР80А4РЗ | 1.1 | 73 | ||
| 63 | 81 | 2200 | 21 | АІ571А4РЗ | 0.55 | 72 | |
| 113 | 2600 | 21 | АІ571В4РЗ | 0.75 | 73 | ||
| 162 | 3200 | 27 | АІР80А4РЗ | 1.1 | 73 | ||
| 71 | 75 | 2100 | 21 | АІ571А4РЗ | 0.55 | 72 | |
| 105 | 2600 | 21 | АІ571В4РЗ | 0.75 | 73 | ||
| 148 | 3000 | 27 | АІР80А4РЗ | 1.1 | 73 | ||
| 80 | 65 | 2000 | 21 | АІ571А4РЗ | 0.55 | 72 | |
| 89 | 2300 | 21 | АІ571В4РЗ | 0.75 | 73 | ||
| 128 | 2800 | 27 | АІР80А4РЗ | 1.1 | 73 | ||
| 174 | 3300 | 27 | АІР80В4РЗ | 1.5 | 75 | ||
| 90 | 57 | 1800 | 21 | АІ571А4РЗ | 0.55 | 72 | |
| 78 | 2200 | 21 | АІ571В4РЗ | 0.75 | 73 | ||
| 112 | 2600 | 27 | АІР80А4РЗ | 1.1 | 73 | ||
| 153 | 3100 | 27 | АІР80В4РЗ | 1.5 | 75 | ||
| 100 | 51 | 1800 | 21 | АІ571А4РЗ | 0.55 | 72 | |
| 71 | 2100 | 21 | АІ571В4РЗ | 0.75 | 73 | ||
| 102 | 2500 | 27 | АІР80А4РЗ | 1.1 | 73 | ||
| 138 | 2900 | 27 | АІР80В4РЗ | 1.5 | 75 | ||
| 112 | 47 | 1700 | 21 | АІ571А4РЗ | 0.55 | 72 | |
| 65 | 2000 | 21 | АІ571В4РЗ | 0.75 | 73 | ||
| 92 | 2300 | 27 | АІР80А4РЗ | 1.1 | 73 | ||
| 128 | 2400 | 27 | АІР80В4РЗ | 1.5 | 75 | ||
| 187 | 3400 | 32 | АІР90А4РЗ | 2.2 | 78 | ||
| 125 | 43 | 1600 | 21 | АІ571А4РЗ | 0.55 | 72 | |
| 59 | 1900 | 21 | АІ571В4РЗ | 0.75 | 73 | ||
| 84 | 2300 | 27 | АІР80А4РЗ | 1.1 | 73 | ||
| 114 | 2600 | 27 | АІР80В4РЗ | 1.5 | 75 | ||
| 159 | 3100 | 27 | АІР80В2РЗ | 2.2 | 3000 | 80 | |
| 140 | 37 | 1500 | 21 | АІ571А4РЗ | 0.55 | 1500 | 72 |
| 52 | 1800 | 21 | АІ571В4РЗ | 0.75 | 73 | ||
| 73 | 2100 | 27 | АІР80А4РЗ | 1.1 | 73 | ||
| 101 | 2500 | 27 | АІР80В4РЗ | 1.5 | 75 | ||
| 149 | 3100 | 27 | АІР80В2РЗ | 2.2 | 3000 | 80 | |
| 160 | 33 | 1400 | 16 | АІР63В2 | 0.55 | 72 | |
| 43 | 1650 | 21 | АІ571А2РЗ | 0.75 | 75 | ||
| 64 | 2000 | 21 | АІ571В2РЗ | 1.1 | 75 | ||
| 88 | 2300 | 27 | АІР80А2РЗ | 1.5 | 74.5 | ||
| 129 | 2800 | 27 | АІР80В2РЗ | 2.2 | 86 | ||
| 180 | 27 | 1300 | 16 | АІР63В2 | 0.55 | 72 | |
| 36 | 1500 | 21 | АІ571А2РЗ | 0.75 | 75 | ||
| 53 | 1800 | 21 | АІ571В2РЗ | 1.1 | 75 | ||
| 73 | 2100 | 27 | АІР80А2РЗ | 1.5 | 74 | ||
| 107 | 2500 | 27 | АІР80В2РЗ | 2.2 | 86 | ||
| 150 | 3000 | 32 | АІР90А2РЗ | 3 | 81 | ||
| 200 | 25 | 1200 | 16 | АІР63В2 | 0.55 | 72 | |
| 34 | 1400 | 21 | АІ571А2РЗ | ||||
Мотор-редуктор МЦ2С-63
Відгуків про цей товар ще не було.
Немає відгуків про цей товар, станьте першим, залиште свій відгук.
Немає питань про даний товар, станьте першим і задайте своє питання.