Редуктор 1Ц2У-100
Двоступінчастий редуктор 1Ц2У-100
Циліндричний горизонтальний двоступінчастий редуктор 1Ц2У-100 загальномашинобудівного застосування та міжосьовою відстанню другого ступеня 100 мм, призначений для зміни крутного моменту за рахунок зміни частоти обертання в межах передавальних чисел 8...40.
За попереднім замовленням редуктор може бути укомплектований ланцюговими та кулачковими муфтами.
Умови застосування мультиплікаторів:
- навантаження постійне та змінне, одного напрямку та реверсивне;
- робота тривала чи з періодичними зупинками;
- обертання валів у будь-який бік;
- частота обертання вхідного валу не повинна перевищувати 1500 об/хв;
- атмосфера типів I та II за ГОСТ 15150-69 при запиленості повітря не більше 10 мг/куб.м.;
- кліматичні виконання У, Т для категорії розміщення 1...3 та кліматичні виконання УХЛ та О для категорій розміщення 4 за ГОСТ 15150-69.
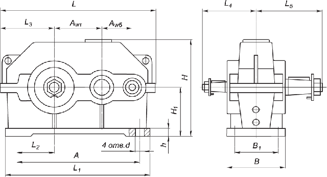
Габаритні та приєднувальні розміри редуктора 1Ц2У-100:

| AWT | AWб | A | B | B1 | H | H1 | h | L | L1 | L2 | L3 | L4 | L5 | d |
| 100 | 80 | 290 | 145 | 109 | 225 | 112 | 20 | 386 | 325 | 85 | 132 | 136 | 165 | 15 |
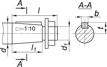
Розміри конічних валів циліндричного редуктора 1Ц2У-100:

| швидкохідний вал | тихохідний вал | ||||||||||
| d | d1 | l | l1 | b | t | d | d1 | l | l1 | b | t |
| 20 | М12×1.25 | 50 | 36 | 4 | 10.6 | 35 | М12×1.5 | 80 | 58 | 6 | 18.5 |
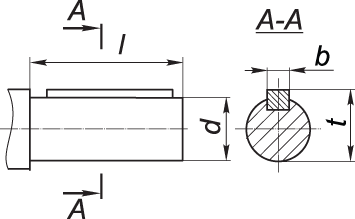
Розміри циліндричних валів редуктора 1Ц2У-100:

| швидкохідний вал | тихохідний вал | ||||||
| d | l | b | t | d | l | b | t |
| 18k6 | 36 | 6 | 20.5 | 30m6 | 58 | 8 | 33 |
Розміри тихохідного валу у вигляді зубчастої муфти редуктора 1Ц2У-100:

| b | d | d1 | d2 | d3 | L | l | l1 | Зачеплення | |
| m | z | ||||||||
| 20 | 168 | 90 | 72F8 | 95 | 165 | 9 | 38 | 4 | 40 |
Варіанти складання циліндричного двоступінчастого редуктора 1Ц2У-100:

Технічні характеристики редуктора 1Ц2У-100:
| Передавальне число | 8; 10; 12.5; 16; 20; 25; 31.5; 40 | |
| Значення Мкр при тривалій роботі з постійним навантаженням, Нм | Безперервний (Б) ПВ=100% | 315 |
| Значення Мкр при роботі з короткочасним навантаженням, що повторюється, Нм | Важкий (В) ПВ=40% | 315 |
| Середній (С) ПВ=25% | ||
| Легкий (Л) ПВ=15% | ||
| Навантаження на вхідний вал Fвх Н | Безперервний (Б) ПВ=100% | 500 |
| Важкий (В) ПВ=40% | ||
| Середній (С) ПВ=25% | ||
| Легкий (Л) ПВ=15% | ||
| Навантаження на вихідний вал Fвих, Н | Безперервний (Б) ПВ=100% | 4500 |
| Важкий (В) ПВ=40% | ||
| Середній (С) ПВ=25% | ||
| Легкий (Л) ПВ=15% | ||
| ККД, % | 97 | |
| Маса редуктора, кг | алюмінієвий корпус | 21 |
| чавунний корпус | 37 | |
ПРИКЛАД УМОВНОГО ПОЗНАЧЕННЯ ПРИ ЗАМОВЛЕННІ:

Редуктор 1Ц2У-100
Відгуків про цей товар ще не було.
Немає відгуків про цей товар, станьте першим, залиште свій відгук.
Немає питань про даний товар, станьте першим і задайте своє питання.