Редуктор 1Ц2У-100
Редуктор 1Ц2У-100
Редуктор горизонтальний 1Ц2У-100 — це механізм, що застосовується для зміни показників крутного моменту та швидкості обертів різноманітних приводів. Широко використовується в різних промислових галузях. Має паралельне розташування осей і циліндричний тип передавання.
Редуктор 1Ц2У-100 має низку умов до його застосування, це:
• можливість роботи за різних типів навантаження (постійної або змінної),
• безперервна експлуатація до 24 годин,
• вали мають можливість обертатися в будь-який зі сторін,
• швидкість обертання вхідного вала не перевищувати 1800 об/хв,
• запиленість довкілля не більш ніж 10 мг/м3.
Купити редуктор 1Ц2У-100 можна в нас на сайті.
Для замовлення товару, потрібно лише заповнити онлайн-форму або відправити заявку на нашу електронну адресу і впродовж короткого часу з Вами зв'яжеться наш менеджер.
Купуючи товар у нас, Ви отримуєте: висока якість за ціною виробника, паспорт і гарантію на 36 місяців.
Доставка здійснюється всією Україною в чітко окреслений термін.
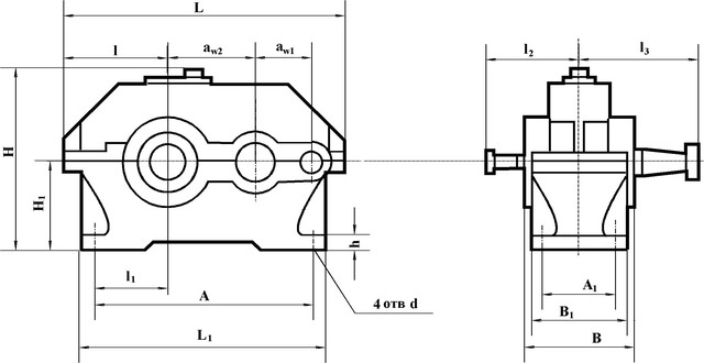
Схема габаритних і приєднувальних розмірів редуктора 1Ц2У-100

| Типорозмір | wт | wб | A | B | 1 | H | 1 | h | L | 1 | 2 | 3 | 4 | 5 | d |
| 1Ц2У-100 | 100 | 80 | 290 | 145 | 109 | 225 | 112 | 20 | 386 | 325 | 85 | 132 | 136 | 165 | 15 |
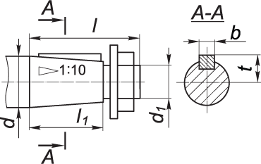
Приєднувальні розміри конічних валів редуктора 1Ц2У-100

| Типорозмір | швидкохідний | тихохідний | ||||||||||
| d | 1 | l | 1 | b | t | d | 1 | l | 1 | b | t | |
| 1Ц2У-100 | 20 | М12х1,25 | 50 | 36 | 4 | 10,6 | 35 | М20х1,5 | 80 | 58 | 6 | 18,55 |
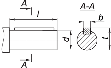
Приєднувальні розміри циліндричних валів редуктора 1Ц2У-100

| Типорозмір | швидкохідний | тихохідний | ||||||
| d | l | b | t | d | l | b | t | |
| 1Ц2У-100 | 18k6 | 36 | 6 | 20,5 | 30m6 | 58 | 8 | 33 |
Технічні характеристики редуктора 1Ц2У-100
| Найменування технічних характеристик | Ед. изм. | Типорозмір | |
| 1Ц2У-100 | |||
| Передатні числа | 8; 10; 12,5; 16; 20; 25; 31,5; 40 | ||
| Допускна радіальна консольне навантаження | на швидкохідному валу | Н | 500 |
| на тихенькохідному валу | 4500 | ||
| Номінальний крутний момент на тихенькохідному валу | Н.м | 315 | |
| ККД | % | 0,97 | |
| Маса | кг | 37 | |
Варіанти складання редукторів 1Ц2У

Редуктор 1Ц2У-100
Відгуків про цей товар ще не було.
Немає відгуків про цей товар, станьте першим, залиште свій відгук.
Немає питань про даний товар, станьте першим і задайте своє питання.