Редуктор 1Ц2У-125
Редуктор 1Ц2У-125
Редуктор 1Ц2У-125 циліндричний двоступінчастий горизонтальний редуктор загальномашинобудівного застосування, призначений для зміни моментів, що крутять, і частот обертання. Відповідно до маркування, міжосьова відстань другого ступеня становить 125 мм.
Умови експлуатації редукторів:
- навантаження постійне та змінне, одного напрямку та реверсивне;
- робота тривала чи з періодичними зупинками;
- обертання валів у будь-який бік;
- частота обертання вхідного валу не повинна перевищувати 1500 об/хв;
- атмосфера типів I та II за ГОСТ 15150-69 при запиленості повітря не більше 10 мг/куб.м.;
- кліматичні виконання У, Т для категорії розміщення 1...3 та кліматичні виконання УХЛ та О для категорій розміщення 4 за ГОСТ 15150-69.
Габаритні та приєднувальні розміри редуктора 1Ц2У-125:

| AWT | AWб | A | B | B1 | H | H1 | h | L | L1 | L2 | L3 | L4 | L5 | d |
| 125 | 80 | 335 | 165 | 125 | 270 | 132 | 22 | 440 | 375 | 106 | 155 | 145 | 206 | 19 |
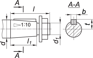
Розміри конічних валів циліндричного редуктора 1Ц2У-125:

| швидкохідний вал | тихохідний вал | ||||||||||
| d | d1 | l | l1 | b | t | d | d1 | l | l1 | b | t |
| 20 | М12×1.25 | 50 | 36 | 4 | 10.6 | 45 | М30×2 | 110 | 82 | 12 | 23.45 |
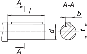
Розміри циліндричних валів редуктора 1Ц2У-125:

| швидкохідний вал | тихохідний вал | ||||||
| d | l | b | t | d | l | b | t |
| 18k6 | 36 | 6 | 20.5 | 40m6 | 82 | 12 | 43 |
Варіанти складання циліндричного двоступінчастого редуктора 1Ц2У-125:

Технічні характеристики редуктора 1Ц2У-125:
| Передавальне число | 8; 10; 12.5; 16; 20; 25; 31.5; 40 | |
| Значення Мкр при тривалій роботі з постійним навантаженням, Нм | Безперервний (Б) ПВ=100% | 630 |
| Значення Мкр при роботі з короткочасним навантаженням, що повторюється, Нм | Важкий (В) ПВ=40% | 630 |
| Середній (С) ПВ=25% | ||
| Легкий (Л) ПВ=15% | ||
| Навантаження на вхідний вал Fвх Н | Безперервний (Б) ПВ=100% | 750 |
| Важкий (В) ПВ=40% | ||
| Середній (С) ПВ=25% | ||
| Легкий (Л) ПВ=15% | ||
| Навантаження на вихідний вал Fвих, Н | Безперервний (Б) ПВ=100% | 6300 |
| Важкий (В) ПВ=40% | ||
| Середній (С) ПВ=25% | ||
| Легкий (Л) ПВ=15% | ||
| ККД, % | 97 | |
| Маса редуктора, кг | алюмінієвий корпус | 31.5 |
| чавунний корпус | 55 | |
ПРИКЛАД УМОВНОГО ПОЗНАЧЕННЯ ПРИ ЗАМОВЛЕННІ:

Редуктор 1Ц2У-125
Відгуків про цей товар ще не було.
Немає відгуків про цей товар, станьте першим, залиште свій відгук.
Немає питань про даний товар, станьте першим і задайте своє питання.