Редуктор 1Ц2У-160
Циліндричний редуктор 1Ц2У-160
Циліндричний редуктор 1Ц2У-160 двоступінчастий горизонтальний загальномашинобудівного застосування з міжосьовою відстанню тихохідного ступеня 160 мм і призначений для зміни моментів, що крутять, і частоти обертання.
Умови застосування редукторів:
- навантаження постійне та змінне, одного напрямку та реверсивне;
- робота тривала чи з періодичними зупинками;
- обертання валів у будь-який бік;
- частота обертання вхідного валу не повинна перевищувати 1500 об/хв;
- атмосфера типів I та II за ГОСТ 15150-69 при запиленості повітря не більше 10 мг/куб.м.;
- кліматичні виконання У, Т для категорії розміщення 1...3 та кліматичні виконання УХЛ та О для категорій розміщення 4 за ГОСТ 15150-69.
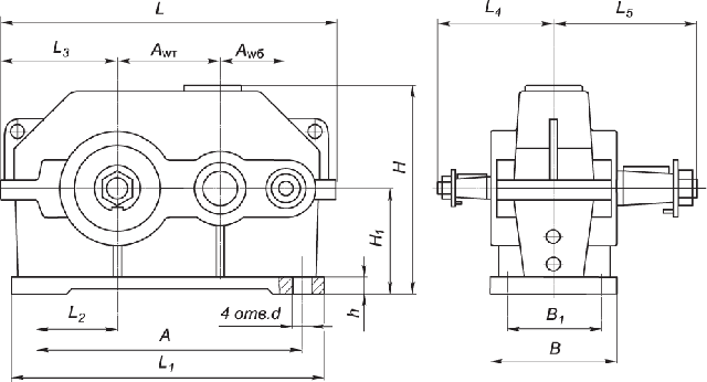
Габаритні та приєднувальні розміри редуктора 1Ц2У-160:

| AWT | AWб | A | B | B1 | H | H1 | h | L | L1 | L2 | L3 | L4 | L5 | d |
| 160 | 100 | 425 | 195 | 140 | 335 | 170 | 24 | 545 | 475 | 135 | 195 | 170 | 224 | 24 |
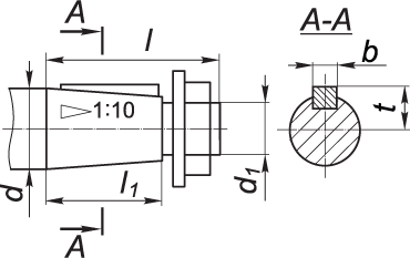
Розміри конічних валів циліндричного редуктора 1Ц2У-160:

| швидкохідний вал | тихохідний вал | ||||||||||
| d | d1 | l | l1 | b | t | d | d1 | l | l1 | b | t |
| 25 | М16×1.5 | 60 | 42 | 5 | 13.45 | 55 | М36×3 | 110 | 82 | 14 | 28.95 |
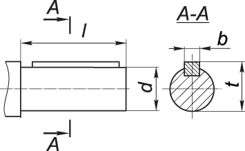
Розміри циліндричних валів редуктора 1Ц2У-160:

| швидкохідний вал | тихохідний вал | ||||||
| d | l | b | t | d | l | b | t |
| 22k6 | 46 | 6 | 24.5 | 50m6 | 105 | 14 | 53.5 |
Розміри тихохідного вала редуктора 1Ц2У-160 у формі зубчастої муфти:

| b | d | d1> | d2 | d3 | L | l | l1 | Зачеплення | |
| m | z | ||||||||
| 20 | 168 | 90 | 72F8 | 95 | 165 | 9 | 38 | 4 | 40 |
Варіанти складання циліндричного двоступінчастого редуктора 1Ц2У-160:

Технічні характеристики редуктора 1Ц2У-160:
| Передавальне число | 8; 10; 12.5; 16; 20; 25; 31.5; 40 | |
| Значення Мкр при тривалому терміні роботи з постійним навантаженням, Нм | Безперервний (Б) ПВ=100% | 1250 |
| Значення Мкр при роботі з короткочасним навантаженням, що повторюється, Нм | Важкий (В) ПВ=40% | 1600 |
| Середній (С) ПВ=25% | 2000 | |
| Легкий (Л) ПВ=15% | 2500 | |
| Навантаження, що прикладається до вхідного валу Fвх, Н | Безперервний (Б) ПВ=100% | 1000 |
| Важкий (В) ПВ=40% | 1150 | |
| Середній (С) ПВ=25% | 1280 | |
| Легкий (Л) ПВ=15% | 1450 | |
| Навантаження, що прикладається до вихідного валу Fвих, Н | Безперервний (Б) ПВ=100% | 9000 |
| Важкий (В) ПВ=40% | 10000 | |
| Середній (С) ПВ=25% | 11200 | |
| Легкий (Л) ПВ=15% | 12500 | |
| ККД, % | 97 | |
| Вага редуктора, кг | Корпус з алюмінію | 57 |
| Корпус із чавуну | 95 | |
ПРИКЛАД УМОВНОГО ПОЗНАЧЕННЯ ПРИ ЗАМОВЛЕННІ:

Редуктор 1Ц2У-160
Відгуків про цей товар ще не було.
Немає відгуків про цей товар, станьте першим, залиште свій відгук.
Немає питань про даний товар, станьте першим і задайте своє питання.