Редуктор 1Ц2У-250
Редуктор 1Ц2У-250
Редуктор 1Ц2У-250 є циліндричним двоступінчастим горизонтальним редуктором загальномашинобудівного застосування з міжосьовою відстанню тихохідного ступеня 250 мм і призначений для зміни моментів, що крутять, за рахунок зменшення частоти обертання вихідного валу.
Умови експлуатації редукторів:
- навантаження постійне та змінне, одного напрямку та реверсивне;
- робота тривала чи з періодичними зупинками;
- обертання валів у будь-який бік;
- частота обертання вхідного валу не повинна перевищувати 1500 об/хв;
- атмосфера типів I та II за ГОСТ 15150-69 при запиленості повітря не більше 10 мг/куб.м.;
- кліматичні виконання У, Т для категорії розміщення 1...3 та кліматичні виконання УХЛ та О для категорій розміщення 4 за ГОСТ 15150-69.
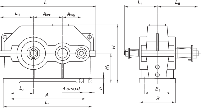
Габаритні та приєднувальні розміри редуктора 1Ц2У-250:

| AWT | AWб | A | B | B1 | H | H1 | h | L | L1 | L2 | L3 | L4 | L5 | d |
| 250 | 160 | 670 | 280 | 218 | 515 | 265 | 32 | 825 | 730 | 212 | 290 | 265 | 335 | 28 |
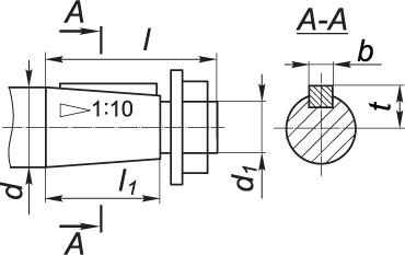
Розміри конічних валів циліндричного редуктора 1Ц2У-250:

| швидкохідний вал | тихохідний вал | ||||||||||
| d | d1 | l | l1 | b | t | d | d1 | l | l1 | b | t |
| 40 | М24×2 | 110 | 82 | 10 | 20.9 | 90 | М64×4 | 170 | 130 | 22 | 46.75 |
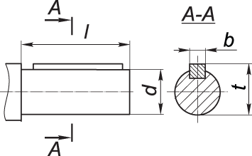
Розміри циліндричних валів редуктора 1Ц2У-250:

| швидкохідний вал | тихохідний вал | ||||||
| d | l | b | t | d | l | b | t |
| 35k6 | 82 | 10 | 38 | 85m6 | 170 | 22 | 90 |
Розміри тихохідного вала редуктора 1Ц2У-250 у формі зубчастої муфти:

| b | d | d1 | d2 | d3 | L | l | l1 | Зачеплення | |
| m | z | ||||||||
| 30 | 232 | 150 | 120F8 | 170 | 231 | 10 | 50 | 4 | 56 |
Варіанти складання циліндричного двоступінчастого редуктора 1Ц2У-250:

Технічні характеристики редуктора 1Ц2У-250:
| Передавальне число | 8; 10; 12.5; 16; 20; 25; 31.5; 40 | |
| Значення Мкр при тривалому терміні експлуатації без вимкнення, Нм | Безперервний (Б) ПВ=100% | 5000 |
| Значення Мкр при роботі з короткочасним навантаженням, що повторюється, Нм | Важкий (В) ПВ=40% | 6300 |
| Середній (С) ПВ=25% | 8000 | |
| Легкий (Л) ПВ=15% | 10000 | |
| Навантаження на вхідний вал Fвх, Н | Безперервний (Б) ПВ=100% | 3150 |
| Важкий (В) ПВ=40% | 3550 | |
| Середній (С) ПВ=25% | 4000 | |
| Легкий (Л) ПВ=15% | 4500 | |
| Навантаження на вихідному валу Fвих, Н | Безперервний (Б) ПВ=100% | 18000 |
| Важкий (В) ПВ=40% | 20000 | |
| Середній (С) ПВ=25% | 22400 | |
| Легкий (Л) ПВ=15% | 25000 | |
| ККД, % | 97 | |
| Вага редуктора, кг | Корпус з алюмінію | - |
| Корпус із чавуну | 310 | |
ПРИКЛАД УМОВНОГО ПОЗНАЧЕННЯ ПРИ ЗАМОВЛЕННІ:
Редуктор 1Ц2У-250
Відгуків про цей товар ще не було.
Немає відгуків про цей товар, станьте першим, залиште свій відгук.
Немає питань про даний товар, станьте першим і задайте своє питання.