Редуктор 1Ц2У-315
Редуктор 1Ц2У-315
Редуктор 1Ц2У-315 є циліндричним двоступінчастим горизонтальним редуктором загальномашинобудівного застосування з міжосьовою відстанню тихохідного ступеня 315 мм і призначений для зміни моментів, що крутять, за рахунок зменшення частоти обертання вихідного валу.
Умови застосування мультиплікаторів:
- навантаження постійне та змінне, одного напрямку та реверсивне;
- робота тривала чи з періодичними зупинками;
- обертання валів у будь-який бік;
- частота обертання вхідного валу не повинна перевищувати 1500 об/хв;
- атмосфера типів I та II за ГОСТ 15150-69 при запиленості повітря не більше 10 мг/куб.м.;
- кліматичні виконання У, Т для категорії розміщення 1...3 та кліматичні виконання УХЛ та О для категорій розміщення 4 за ГОСТ 15150-69.
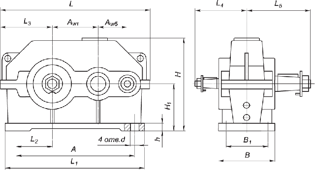
Габаритні та приєднувальні розміри редуктора 1Ц2У-315:

| AWT | AWб | A | B | B1 | H | H1 | h | L | L1 | L2 | L3 | L4 | L5 | d |
| 315 | 200 | 395 | 260 | 318 | 685 | 335 | 35 | 1030 | 370 | 215 | 360 | 300 | 420 | 28 |
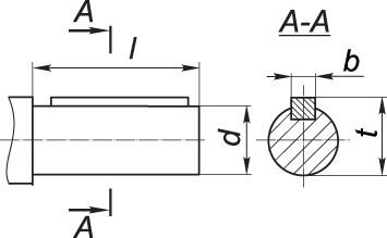
Розміри циліндричного вала редуктора 1Ц2У-315:

| швидкохідний вал | тихохідний вал | ||||||
| d | l | b | t | d | l | b | t |
| 50k6 | 110 | 14 | 53.5 | 110m6 | 210 | 28 | 116 |
Розміри тихохідного вала редуктора 1Ц2У-315 у формі зубчастої муфти:

| b | d | d1 | d2 | d3 | L | l | l1 | Зачеплення | |
| m | z | ||||||||
| 30 | 252 | 130 | 110F8 | 140 | 275 | 10 | 60 | 6 | 40 |
Розміри вихідного вала для приєднання приладів керування редуктора 1Ц2У-315:

| b | d | d1 | d2 | d3 | L |
| 5 | 110h9 | 75h9 | 55 | M8×20 | 200 |
Варіанти складання циліндричного двоступінчастого редуктора 1Ц2У-315:

Технічні характеристики редуктора 1Ц2У-315:
| Передавальне число | 8; 10; 12.5; 16; 20; 25; 31.5; 40; 50 | |
| Значення моменту кручення на виході, Нм | 10000 | |
| Навантаження, яке діє на вал, Н | швидкохідний вал | 3500 |
| тихохідний вал у формі циліндра | 30000 | |
| тихохідний вал у формі зубчастої муфти | 40000 | |
| ККД, % | 98 | |
| Вага редуктора, кг | 510 | |
ПРИКЛАД УМОВНОГО ПОЗНАЧЕННЯ ПРИ ЗАМОВЛЕННІ:

Редуктор 1Ц2У-315
Відгуків про цей товар ще не було.
Немає відгуків про цей товар, станьте першим, залиште свій відгук.
Немає питань про даний товар, станьте першим і задайте своє питання.