Редуктор 1Ц2У-400
Редуктор 1Ц2У-400
Редуктор 1Ц2У-400 є циліндричним двоступінчастим горизонтальним редуктором загальномашинобудівного застосування з міжосьовою відстанню тихохідного ступеня 400 мм і призначений для зміни моментів, що крутять, за рахунок зменшення частоти обертання вихідного валу.
Умови експлуатації редукторів:
- навантаження постійне та змінне, одного напрямку та реверсивне;
- робота тривала чи з періодичними зупинками;
- обертання валів у будь-який бік;
- частота обертання вхідного валу не повинна перевищувати 1500 об/хв;
- атмосфера типів I та II за ГОСТ 15150-69 при запиленості повітря не більше 10 мг/куб.м.;
- кліматичні виконання У, Т для категорії розміщення 1...3 та кліматичні виконання УХЛ та О для категорій розміщення 4 за ГОСТ 15150-69.
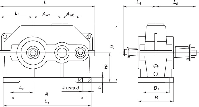
Габаритні та приєднувальні розміри редуктора 1Ц2У-400:

| AWT | AWб | A | B | B1 | H | H1 | h | L | L1 | L2 | L3 | L4 | L5 | d |
| 400 | 250 | 475 | 330 | 420 | 835 | 425 | 42 | 1300 | 475 | 280 | 450 | 380 | 500 | 35 |
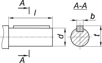
Розміри циліндричного вала редуктора 1Ц2У-400:

| швидкохідний вал | тихохідний вал | ||||||
| d | l | b | t | d | l | b | t |
| 60m6 | 140 | 18 | 64 | 140m6 | 250 | 36 | 148 |
Розміри тихохідного вала редуктора 1Ц2У-400 у формі зубчастої муфти:

| b | d | d1 | d2 | d3 | L | l | l1 | Зачеплення | |
| m | z | ||||||||
| 40 | 336 | 180 | 150F8 | 215 | 335 | 15 | 65 | 8 | 40 |
Розміри вихідного вала для приєднання приладів керування редуктора 1Ц2У-400:

| b | d | d1 | d2 | d3 | L |
| 5 | 140h9 | 75h9 | 55 | M8×20 | 240 |
Варіанти складання циліндричного двоступінчастого редуктора 1Ц2У-400:

Технічні характеристики редуктора 1Ц2У-400:
| Передавальне число | 8; 10; 12.5; 16; 20; 25; 31.5; 40; 50 | |
| Значення моменту кручення на виході, Нм | 20000 | |
| Навантаження, яке діє на вал, Н | швидкохідний вал | 4800 |
| тихохідний вал у формі циліндра | 45000 | |
| тихохідний вал у формі зубчастої муфти | 56000 | |
| ККД, % | 97 | |
| Вага редуктора, кг | 930 | |
ПРИКЛАД УМОВНОГО ПОЗНАЧЕННЯ ПРИ ЗАМОВЛЕННІ:
Редуктор 1Ц2У-400
Відгуків про цей товар ще не було.
Немає відгуків про цей товар, станьте першим, залиште свій відгук.
Немає питань про даний товар, станьте першим і задайте своє питання.