Редуктор 2Ч-40
Одноступінчастий черв'ячний редуктор 2Ч-40
Редуктор 2Ч-40 одноступінчастий черв'ячний універсальний (раніше випускався редуктор РЧУ-40) є редуктором загального призначення і призначений для зміни крутного моменту і частоти обертання та експлуатації в мікрокліматичних районах з помірним кліматом (виконання П), з сухим і вологим тропічним кліматом ) категорій розміщення 1, 2, 3, 4 ГОСТ 15150-69.
Редуктор 2Ч-40 (за старою специфікацією РЧУ-40) відноситься до класу універсальних редукторів черв'ячних загального застосування. Призначений для зміни частоти обертання та крутного моменту приводу. Редуктор здатний стійко працювати як при постійному, так і змінному навантаженні, з можливою зміною вектора обертання. Він однаково добре застосовується в агрегатах, які працюють безперервно, так і в режимі «пуск-стоп». Посадкові місця для лап розташовані з усіх боків корпусу.
2Ч-40 має обмеження швидкості обертання валу, яка не повинна перевищувати 1500 оборотів в хвилину.
У редукторі має використовуватися олія «трансол-200», заповнення якою замовляється додатково.
Редуктор 2Ч - УМОВИ ЗАСТОСУВАННЯ:
- робота з періодичними зупинками та тривала до 24 годин на добу;
- обертання валів у будь-який бік;
- атмосфера типу I та II за ГОСТ 15150-69 при запиленості повітря не більше 10 мг/м3;
- кліматичні виконання П,Т для категорій розміщення 1-3 та кліматичні виконання ПХЛ та З для категорій розміщення 4 за ГОСТ 15150-69.
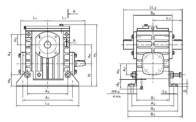
Габаритні та приєднувальні розміри

| Типорозмір редуктора | aw | А1 | А2 | А3 | А4 | B1 | B2 | B3 | B4 | H | H1 | H2 | H3 | H4 |
| 2Ч-40 | 40 | 150 | 140 | 35 | 105 | 100 | 164 | 182 | 120 | 72 | 180 | 55 | 30 | 37 |
| Типорозмір редуктора | H5 | L1 | L2 | L3 | L4 | L5 | b1 | b2 | d1 | d2 | d3 | d4 |
| 2Ч-40 | 115 | 100 | 90 | 180 | 75 | 32 | 3 | 6 | 16 | 18 | 14.6 | М5 |
Розміри вхідних/вихідних валів редуктора:

| Типорозмір редуктора | d5 | d6 | d7 | d8 | d9 | d10 | h1 | h2 | I1 | I2 | I3 | I4 | I5 | I6 |
| 2Ч-40 | М5 | 10.5 | 16 | 23 | 60 | 13 | 3 | 6 | 28 | 28 | 15 | 15 | 8 | 72 |
| Типорозмір редуктора | I7 | I8 | s | t1 | t2 | Евольвентні шліци ГОСТ 6033-80 | Об'єм олії, л | Маса, кг |
| 2Ч-40 | 20 | 112 | 4 | 1.8 | 14.5 | 22×1.5×7Н | 0.18…0.3 | 6.7 |
Варіант збирання редуктора:

Варіант розташування черв'ячної пари:

Варіанти розташування лап по площинах:

Технічні характеристики редуктора:
| Номінальне передавальне число | Фактичне передавальне число | Частота обертання вала 1500 об/хв. | |
| Мкр на вихідному валу, Нм | ККД | ||
| 8 | 7.75 | 28 | 0.87 |
| 10 | 9.75 | 28 | 0.85 |
| 12.5 | 12.25 | 26 | 0.83 |
| 16 | 15.5 | 28 | 0.81 |
| 20 | 19.5 | 28 | 0.76 |
| 25 | 24.5 | 26 | 0.73 |
| 31.5 | 31 | 32 | 0.7 |
| 40 | 39 | 29 | 0.63 |
| 50 | 49 | 28 | 0.6 |
| 63 | 64 | 26 | 0.58 |
| 80 | – | – | – |
Редуктор 2Ч-40
Відгуків про цей товар ще не було.
Немає відгуків про цей товар, станьте першим, залиште свій відгук.
Немає питань про даний товар, станьте першим і задайте своє питання.