Редуктор 2Ч-63
Редуктор одноступінчастий черв'ячний 2Ч-63
Редуктор черв'ячний одноступеневий універсальний (раніше позначався як редуктор РЧУ-63) є редуктором загального призначення і призначений для зміни крутного моменту та частоти обертання та експлуатації в мікрокліматичних районах з помірним кліматом (виконання П), з сухим та вологим тропічним кліматом (виконання Т) розміщення 1, 2, 3, 4 ГОСТ 15150-69.
Редуктор 2Ч - УМОВИ ЗАСТОСУВАННЯ:
- робота з періодичними зупинками та тривала до 24 годин на добу;
- обертання валів у будь-який бік;
- атмосфера типу I та II за ГОСТ 15150-69 при запиленості повітря не більше 10 мг/м3;
- кліматичні виконання П,Т для категорій розміщення 1-3 та кліматичні виконання ПХЛ та З для категорій розміщення 4 за ГОСТ 15150-69.
Редуктор 2Ч-63 застосовується при компонуванні мотор-редукторів черв'ячних 2МЧ-63.
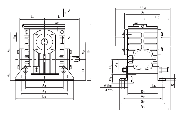
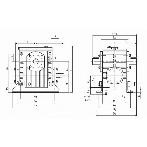
Габаритні та приєднувальні розміри

| Типорозмір редуктора | aw | А1 | А2 | А3 | А4 | B1 | B2 | B3 | B4 | H | H1 | H2 | H3 | H4 |
| 2Ч-63 | 63 | 180 | 165 | 42 | 150 | 125 | 197 | 219 | 145 | 82 | 225 | 59 | 45 | 40 |
| Типорозмір редуктора | H5 | L1 | L2 | L3 | L4 | L5 | b1 | b2 | d1 | d2 | d3 | d4 |
| 2Ч-63 | 155 | 145 | 120 | 220 | 100 | 36 | 4 | 8 | 22 | 28 | 20.2 | М8 |
Вхідний та вихідний вали

| Типорозмір редуктора | d5 | d6 | d7 | d8 | d9 | d10 | h1 | h2 | I1 | I2 | I3 | I4 | I5 | I6 |
| 2Ч-63 | М8 | 10.5 | 16 | 33 | 70 | 13 | 4 | 7 | 36 | 42 | 20 | 20 | 8 | 68 |
| Типорозмір редуктора | I7 | I8 | s | t1 | t2 | Евольвентні шліци ГОСТ 6033-80 | Об'єм олії, л | Маса, кг |
| 2Ч-63 | 20 | 108 | 5 | 2.5 | 24 | 32×1.5×8Н | 0.3…0.7 | 13.1 |
Технічні характеристики редуктора:
| Номінальне передавальне число | Фактичне передавальне число | Частота обертання вала 1500 об/хв. | |
| Мкр на вихідному валу, Нм | ККД | ||
| 8 | 7.75 | 105 | 0.89 |
| 10 | 9.75 | 100 | 0.88 |
| 12.5 | 12.75 | 93 | 0.88 |
| 16 | 15.5 | 110 | 0.84 |
| 20 | 19.5 | 104 | 0.83 |
| 25 | 25.5 | 95 | 0.81 |
| 31.5 | 31 | 116 | 0.74 |
| 40 | 39 | 110 | 0.73 |
| 50 | 51 | 100 | 0.68 |
| 63 | 63 | 93 | 0.62 |
| 80 | 83 | 83 | 0.6 |
Приклад умовного позначення під час замовлення:
Редуктор 2Ч63-31,5-56-2-У2 С, де:
2Ч - тип редуктора;
63 - міжосьова відстань;
31,5 - номінальне передавальне число;
56 - виготовлення за варіантом збирання за ГОСТ 20373-80;
2 - виготовлення за схемою розташування черв'ячної пари;
У2 - виготовлення для помірного клімату, категорії розміщення 2 за ГОСТ 15150-69;
З - індекс, що визначає наявність мастила "Трансол-200" у редукторі.
Редуктор 2Ч-63
Відгуків про цей товар ще не було.
Немає відгуків про цей товар, станьте першим, залиште свій відгук.
Немає питань про даний товар, станьте першим і задайте своє питання.