Редуктор 2Ч-80
Черв'ячний одноступінчастий редуктор 2Ч-80
Редуктор 2Ч-80 одноступінчастий черв'ячний універсальний (раніше позначався редуктор РЧУ-80) є редуктором загального призначення і призначений для зміни крутного моменту і частоти обертання та експлуатації в мікрокліматичних районах з помірним кліматом (виконання П), з сухим і вологим тропічним кліматом (виконання Т) категорій розміщення 1, 2, 3, 4 ГОСТ 15150-69.
Редуктори, близькі за характеристиками:
- редуктор РЧУ-80
- редуктор Ч-80
- редуктор ЧС-80
Редуктор 2Ч - УМОВИ ЗАСТОСУВАННЯ:
- робота з періодичними зупинками та тривала до 24 годин на добу;
- обертання валів у будь-який бік;
- атмосфера типу I та II за ГОСТ 15150-69 при запиленості повітря не більше 10 мг/м3;
- кліматичні виконання П, Т для категорій розміщення 1-3 та кліматичні виконання ПХЛ та З для категорій розміщення 4 за ГОСТ 15150-69.
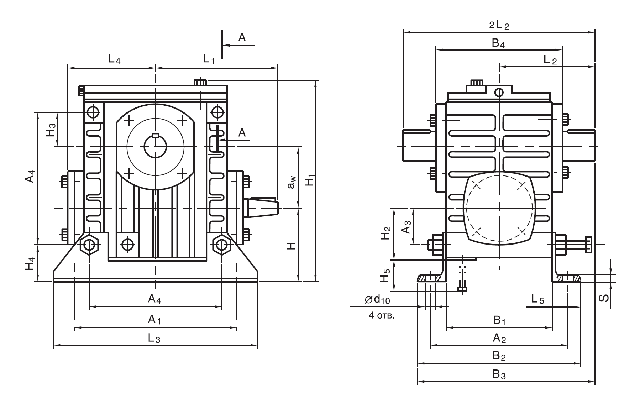
Габаритні та приєднувальні розміри

| Типорозмір редуктора | aw | А1 | А2 | А3 | А4 | B1 | B2 | B3 | B4 | H | H1 | H2 | H3 | H4 |
| 2Ч-80 | 80 | 225 | 185 | 50 | 180 | 140 | 212 | 250 | 165 | 92 | 267 | 75 | 50 | 42 |
| Типорозмір редуктора | H5 | L1 | L2 | L3 | L4 | L5 | b1 | b2 | d1 | d2 | d3 | d4 |
| 2Ч-80 | 190 | 160 | 145 | 260 | 120 | 36 | 5 | 10 | 25 | 35 | 22.9 | М8 |
Вхідний та вихідний вали

| Типорозмір редуктора | d5 | d6 | d7 | d8 | d9 | d10 | h1 | h2 | I1 | I2 | I3 | I4 | I5 | I6 |
| 2Ч-80 | М8 | 12.5 | 18 | 41 | 90 | 15 | 5 | 8 | 42 | 58 | 20 | 20 | 8 | 64 |
| Типорозмір редуктора | I7 | I8 | s | t1 | t2 | Евольвентні шліци ГОСТ 6033-80 | Об'єм олії, л | Маса, кг |
| 2Ч-80 | 26 | 116 | 5 | 3 | 30 | 40×1.5×8Н | 0.5…1 | 18.6 |
Варіант збирання редуктора:

Варіант розташування черв'ячної пари:

Варіанти розташування лап по площинах:

Технічні характеристики редуктора:
| Номінальне передавальне число | Фактичне передавальне число | Частота обертання вала 1500 об/хв. | |
| Мкр на вихідному валу, Нм | ККД | ||
| 8 | 7.75 | 210 | 0.9 |
| 10 | 10 | 190 | 0.89 |
| 12.5 | 12.25 | 200 | 0.88 |
| 16 | 15.5 | 210 | 0.85 |
| 20 | 20 | 210 | 0.83 |
| 25 | 25.5 | 210 | 0.82 |
| 31.5 | 31 | 260 | 0.77 |
| 40 | 39 | 240 | 0.72 |
| 50 | 51 | 240 | 0.71 |
| 63 | 64 | 200 | 0.64 |
| 80 | 83 | 170 | 0.61 |
ПРИКЛАД УМОВНОГО ПОЗНАЧЕННЯ ПРИ ЗАМОВЛЕННІ:
Редуктор 2Ч80-40-53-2-У2 С, де:
2Ч - тип редуктора;
80 - міжосьова відстань;
40 - номінальне передавальне число;
53 - виконання за варіантом збирання за ГОСТ 20373-80;
2 - виготовлення за схемою розташування черв'ячної пари;
У2 - виготовлення для помірного клімату, категорії розміщення 2 за ГОСТ 15150-69;
З - індекс, що визначає наявність мастила "Трансол-200" у редукторі.
Редуктор 2Ч-80
Відгуків про цей товар ще не було.
Немає відгуків про цей товар, станьте першим, залиште свій відгук.
Немає питань про даний товар, станьте першим і задайте своє питання.