Редуктор А-400-20
Циліндричний редуктор А-400-20
Циліндричний редуктор А-400-20 найчастіше використовується в механізмах пересування козячих кранів, але також він може бути застосований і в інших конструкціях. Він має триступеневий механізм із застосуванням циліндричного типу передавання. Розміщується він у вертикальному положенні або під нахилом.
Редуктор А-400-20 через основну сферу свого застосування ще називають крановим. Працює він у повторно-кратковчасному режимі або в безперервному.
Купити редуктори А-400-20 можна на нашому сайті. Ми пропонуємо Вам товар тільки високої якості за цінами від виробника.
Замовити редуктор Ви можете відразу ж на сайті або надіслати лист із заявкою на нашу електронну адресу. У разі виникнення додаткових питань, а також за потреби допомоги в підборі товару, Ви можете зателефонувати на телефон, вказаний на сайті та поспілкуватися з нашими фахівцями.
На замовлення Ви також отримуєте гарантію на 36 місяців і паспорт із докладними характеристиками редуктора.
Доставка виробляється будь-яким зручним для вас способом на всій території України.
Технічні характеристики редуктора А-400-20
| Передавальне відношення | Частота обертання вхідного вала, хв-1 | Номінальний крутний момент на вихідному валу, Н·м | Режими роботи | Допускний крутний момент на вихідному валу, Н·м |
| 20 | 1500 | 1350 | ПВ=100% | 1350 |
| ПВ=40% | 1550 | |||
| ПВ=25% | 2100 | |||
| ПВ=15% | 2450 |
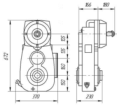
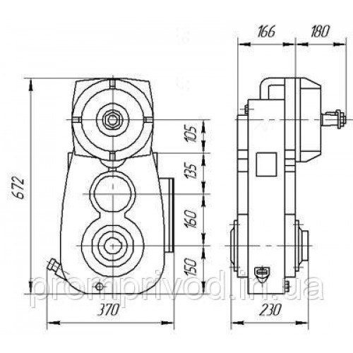
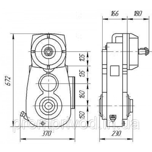
Схема габаритних і приєднувальних розмірів редуктора А-400-20

Редуктор А-400-20
Відгуків про цей товар ще не було.
Немає відгуків про цей товар, станьте першим, залиште свій відгук.
Немає питань про даний товар, станьте першим і задайте своє питання.