Редуктор А-400-25
Циліндричний редуктор А-400-25
Редуктор В-400-25 є циліндричний триступеневий пристрій із вертикальним способом монтажу. До його завдання входить зміна крутного моменту та числа обертів приводів. Найчастіше він використовується в конструкціях пересування козячих кранів.
Працює редуктор В-400-25 у двох режимах, це:
• Безперервний (не довше 30 хв),
• Повторно-кратковремний.
Вали редуктора мають можливість обертання в будь-якому напрямку та за різних типів навантаження, а також у реверсному режимі. Загалом цей редуктор є дуже надійним і довговічним. Показник його ККД практично дорівнює 100%.
Купити редуктори А-400-25 можна на нашому сайті. Ми пропонуємо Вам товар тільки високої якості за цінами від виробника.
Замовити редуктор Ви можете відразу ж на сайті або надіслати лист із заявкою на нашу електронну адресу. У разі виникнення додаткових питань, а також за потреби допомоги в підборі товару, Ви можете зателефонувати на телефон, вказаний на сайті та поспілкуватися з нашими фахівцями.
На замовлення Ви також отримуєте гарантію на 36 місяців і паспорт із докладними характеристиками редуктора.
Доставка виробляється будь-яким зручним для вас способом на всій території України.
Технічні характеристики редуктора А-400-25
| Передавальне відношення | Частота обертання вхідного вала, хв-1 | Номінальний крутний момент на вихідному валу, Н·м | Режими роботи | Допускний крутний момент на вихідному валу, Н·м |
| 25 | 1500 | 1350 | ПВ=100% | 1350 |
| ПВ=40% | 1550 | |||
| ПВ=25% | 2100 | |||
| ПВ=15% | 2450 |
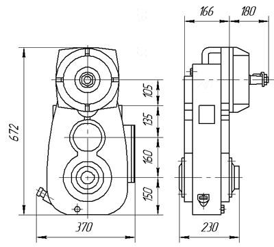
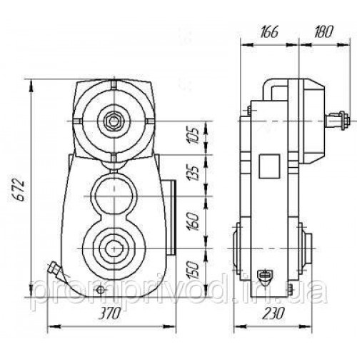
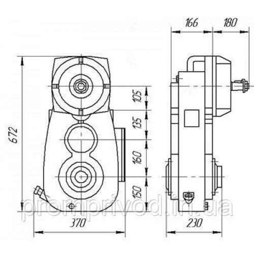
Схема габаритних і приєднувальних розмірів редуктора А-400-25

Редуктор А-400-25
Відгуків про цей товар ще не було.
Немає відгуків про цей товар, станьте першим, залиште свій відгук.
Немає питань про даний товар, станьте першим і задайте своє питання.