Редуктор А-400-35,5
Циліндричний редуктор А-400-35,5
Циліндричний редуктор А з міжосьовою відстанню 400 мм і передавальним співвідношенням 35,5i є надійним і довговічним пристроєм. Він найчастіше використовується в механізмах пересування козячих кранів і слугує для зміни показників крутного моменту та числа обертів електроприводів.
Редуктор А-400-35,5 має триступеневий механізм із застосуванням циліндричного типу передавання й може працювати як у постійному режимі (не довше 30 хв), так і в повторно-краткочасному. Водночас його вали можуть обертатися в будь-якому напрямку та за різних типів навантаження.
Купити редуктори А-400-35,5 можна на нашому сайті. Ми пропонуємо Вам товар тільки високої якості за цінами від виробника.
Замовити редуктор Ви можете відразу ж на сайті або надіслати лист із заявкою на нашу електронну адресу. У разі виникнення додаткових питань, а також за потреби допомоги в підборі товару, Ви можете зателефонувати на телефон, вказаний на сайті та поспілкуватися з нашими фахівцями.
На замовлення Ви також отримуєте гарантію на 36 місяців і паспорт із докладними характеристиками редуктора.
Доставка виробляється будь-яким зручним для вас способом на всій території України.
Технічні характеристики редуктора А-400-35,5
| Передавальне відношення | Частота обертання вхідного вала, хв-1 | Номінальний крутний момент на вихідному валу, Н·м | Режими роботи | Допускний крутний момент на вихідному валу, Н·м |
| 35,5 | 1500 | 1350 | ПВ=100% | 1350 |
| ПВ=40% | 1550 | |||
| ПВ=25% | 2100 | |||
| ПВ=15% | 2450 |
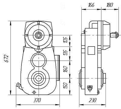
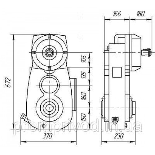
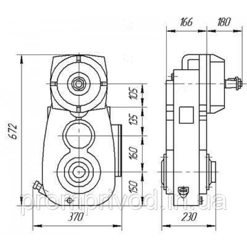
Схема габаритних і приєднувальних розмірів редуктора А-400-35,5

Редуктор А-400-35,5
Відгуків про цей товар ще не було.
Немає відгуків про цей товар, станьте першим, залиште свій відгук.
Немає питань про даний товар, станьте першим і задайте своє питання.