Редуктор А-400-40
Циліндричний редуктор А-400-40
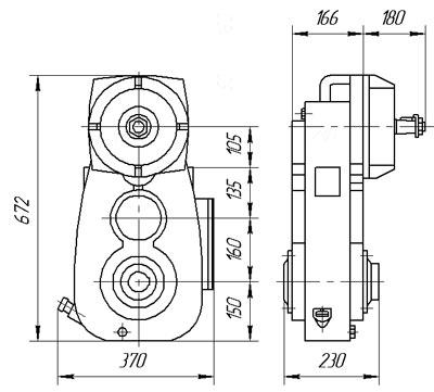
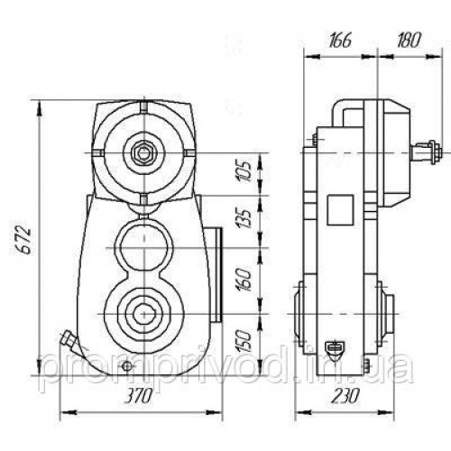
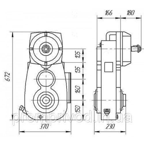
Циліндричний редуктор А-400-40 виконується в чавунному корпусі та має триступеневий механізм із паралельно розташованими осями та застосуванням циліндричного типу передавання. Він працює з різними приводами та змінює їх крутний момент, а також число обертів до необхідних. Застосовується найчастіше в конструкціях пересування козячих кранів.
Редуктор А-400-40 має можливість експлуатуватися в різних кліматичних умовах за температури -40...+50 градусів Цельсія. Для збільшення терміну експлуатації не рекомендується використовувати його в агресивному та сильнозапиленому середовищі.
Купити редуктори А-400-40 можна на нашому сайті. Ми пропонуємо Вам товар тільки високої якості за цінами від виробника.
Замовити редуктор Ви можете відразу ж на сайті або надіслати лист із заявкою на нашу електронну адресу. У разі виникнення додаткових питань, а також за потреби допомоги в підборі товару, Ви можете зателефонувати на телефон, вказаний на сайті та поспілкуватися з нашими фахівцями.
На замовлення Ви також отримуєте гарантію на 36 місяців і паспорт із докладними характеристиками редуктора.
Доставка виробляється будь-яким зручним для вас способом на всій території України.
Технічні характеристики редуктора А-400-40
| Передавальне відношення | Частота обертання вхідного вала, хв-1 | Номінальний крутний момент на вихідному валу, Н·м | Режими роботи | Допускний крутний момент на вихідному валу, Н·м |
| 40 | 1500 | 1350 | ПВ=100% | 1350 |
| ПВ=40% | 1550 | |||
| ПВ=25% | 2100 | |||
| ПВ=15% | 2450 |
Схема габаритних і приєднувальних розмірів редуктора А-400-40

Редуктор А-400-40
Відгуків про цей товар ще не було.
Немає відгуків про цей товар, станьте першим, залиште свій відгук.
Немає питань про даний товар, станьте першим і задайте своє питання.