Редуктор А-400-63
Циліндричний редуктор А-400-63
Циліндричний редуктор В-400-63 може застосовуватися в багатьох галузях виробництва, але найчастіше він застосовується в механізмах пересування козячих кранів. До його завдання входить зміна параметрів обертання встановлених із ним у парі приводів. Він може експлуатуватися як у постійному режимі, так і в повторно-краткочасному.
Конструктивно редуктор В-400-63 містить триступеневий механізм із паралельно розташованими осями. У самому механізмі застосовується циліндричний тип передавання.
Купити редуктори А-400-63 можна на нашому сайті. Ми пропонуємо Вам товар тільки високої якості за цінами від виробника.
Замовити редуктор Ви можете відразу ж на сайті або надіслати лист із заявкою на нашу електронну адресу. У разі виникнення додаткових питань, а також за потреби допомоги в підборі товару, Ви можете зателефонувати на телефон, вказаний на сайті та поспілкуватися з нашими фахівцями.
На замовлення Ви також отримуєте паспорт із докладними характеристиками редуктора та гарантію на 36 місяців.
Доставка виробляється будь-яким зручним для вас способом на всій території України.
Технічні характеристики редуктора А-400-63
| Передавальне відношення | Частота обертання вхідного вала, хв-1 | Номінальний крутний момент на вихідному валу, Н·м | Режими роботи | Допускний крутний момент на вихідному валу, Н·м |
| 63 | 1500 | 1350 | ПВ=100% | 1350 |
| ПВ=40% | 1550 | |||
| ПВ=25% | 2100 | |||
| ПВ=15% | 2450 |
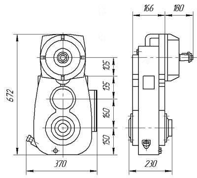
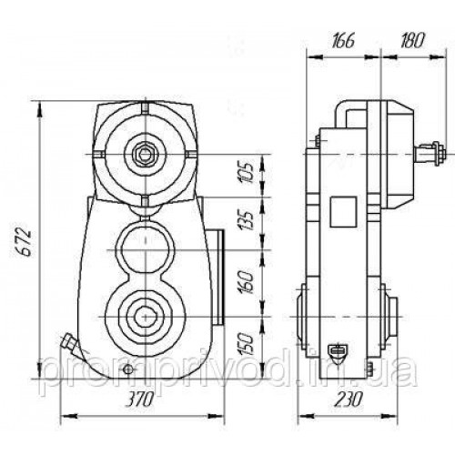
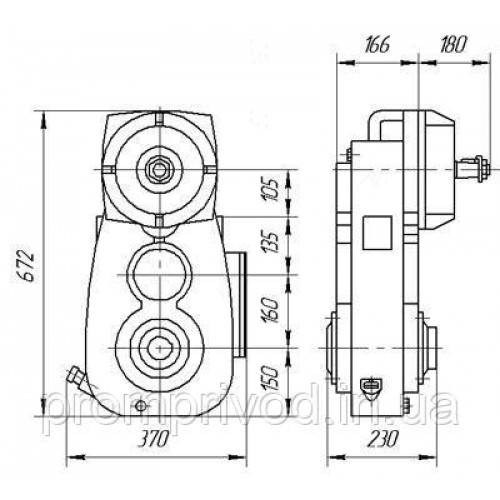
Схема габаритних і приєднувальних розмірів редуктора А-400-63

Редуктор А-400-63
Відгуків про цей товар ще не було.
Немає відгуків про цей товар, станьте першим, залиште свій відгук.
Немає питань про даний товар, станьте першим і задайте своє питання.