Редуктор А-400-63 для кранів
Крановий редуктор А-400-63 триступеневий
Редуктори А-400-63 для рисових кранів належать до спеціалізованих механізмів, що можуть працювати з високою ефективністю в режимі короткочасних навантажень. Такий перетворювач дає змогу отримати необхідні значення механічних величин із ККД 97%, що досягається завдяки належності до групи циліндричних пристроїв. Механізм редуктора містить три ступені, об'єднані під литим, міцним і довговічним корпусом із чавуну.
Купити крановий редуктор А-400 у компанії Промпривод це раціональне вкладення грошей у якісне промислове обладнання, що гарантує справну роботу всієї системи, що створюється вами. Ми готові провести безплатну консультацію для клієнтів із будь-якого куточка України, щоб ви змогли вибрати та замовити редуктор для крана за найкращою ціною з доставкою по країні та чесною гарантією! Надаємо знижки гуртовим клієнтам!
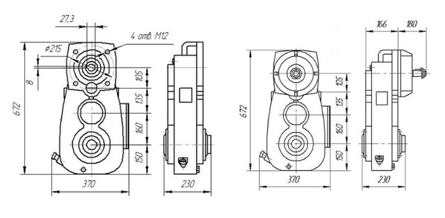
Основні установлювальні та габаритні розміри редуктора А-400

Розміри вхідного та вихідного вала редуктора А-400

Основні параметри редуктора А-400
| Номінальне передавальне число | Номінальний крутний момент на тихенькохідному валу, Нм | Частота обертання вхідного вала, хв-1 | Вага, кг | ККД | Режими роботи | Допускний крутний момент на вихідному валу, Н м |
| 63 | 1350 | 1500 | 82 | 0,97 | ПВ=100% | 1350 |
| ПВ=40% | 1550 | |||||
| ПВ=25% | 2100 | |||||
| ПВ=15% | 2450 |
Умови експлуатації редуктора А-400
| Характеристика | Значення, опис |
| Режим роботи | Повторно-кратковремний, періодичний |
| Час роботи | Максимальна тривалість безупинної роботи не більш ніж 30 хвилин |
| Запиленість приміщення, атмосфера | Рівень запиленості за ГОСТом 15150 не більш ніж 10 мг/м3, допустима атмосфера I та II |
| Оберти на валу | Максимально допустимі оберти на валу 1500 об./хв |
| Тип навантаження | Постійна, змінна, одного напрямку, реверсивна |
| Кліматичне виготовлення | Різноманітне кліматичне виконання для різних категорій розміщення згідно ГОСТ 15150-69; У або Т для категорій з 1 по 4. |
Варіанти збирання редуктор А-400

Приклад умовного позначення редуктора А-400

Редуктор А-400-63 для кранов
Відгуків про цей товар ще не було.
Немає відгуків про цей товар, станьте першим, залиште свій відгук.
Немає питань про даний товар, станьте першим і задайте своє питання.