Редуктор А-700-3.5 шевронний
Циліндричний горизонтальний шевронний редуктор А-700-3.5
Шевронний редуктор А-700-3,5 використовується як механічний перетворювач у спеціалізованих приводах. Найчастіше їм комплектують системи гірсько-багатних ліній або спеціалізованих млинів типу МШР, МШЦ 2.1х3.0 і інших.
Пристрій використовують особливий тип зачеплення зубчастих коліс — шевронний. Він дає змогу знизити потужність звуку та зробити роботу пристрою тихішою. Також таке шевронне зачеплення сприяє роботі з плавним ходом і зі зниженим тепловиділенням.
Механічні перетворювачі від виробника «Промпривод»
Пропонуємо вам величезний вибір промислового обладнання, зокрема редукторів, мотор-редукторів, лебідок, гідравлічного обладнання й інших механізмів від вітчизняного досвідченого виробника компанії «ПромПривод». У нас ви зможете купити редуктори А-700, отримавши безплатну допомогу експерта з підбирання механізмів, а також чималий знижок за потреби купити редуктори гуртом.
Надаємо гарантію та вигідні умови співпраці для покупців з усієї України.
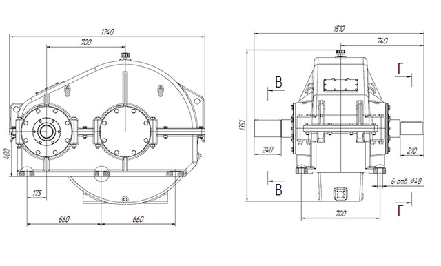
Основні установлювальні та габаритні розміри редуктора А-700

Розміри вхідного та вихідного вала редуктора А-700

Основні параметри редуктора А-700
| Найменування параметрів | Значення |
| Тип передавання | Циліндричний |
| Кількість щаблів | Одноступеневий |
| Розташування осей | Паралельне |
| Передавальне відношення | 3.5 |
| Номінальний крутний момент, Н·м | 13000 |
| Сумарна міжосьова відстань, мм | 700 |
| Маса, кг | 3400 |
| Максимальна швидкість обертання швидкохідного вала, об/хв | 1000 |
| Вихідний контур передавання | ГОСТ 13755-81 |
| Номінальна частота обертання вихідного вала, об/хв | 750 |
| Номінальне радіальне консольне навантаження, прикладено в середині посадкової частини, швидкохідного вала, Н | 6700 |
| Номінальне радіальне консольне навантаження, прикладено в середині посадкової частини, тихохідного вала, Н | 28500 |
| ККД | 98% |
| Коригований рівень звукової потужності, дБА | 113 |
Шевронне зубчасте зачеплення

Пример условного обозначения редуктора А-700

Редуктор А-700-3.5 шевронный
Відгуків про цей товар ще не було.
Немає відгуків про цей товар, станьте першим, залиште свій відгук.
Немає питань про даний товар, станьте першим і задайте своє питання.