Редуктор А-700-4.0 шевронний
Циліндричний горизонтальний шевронний редуктор А-700-4.0
Спеціалізований одноступеневий редуктор А-700-4.0 використовується як демультиплікатор і дає змогу знизити частоту обертання, у такий спосіб підвищивши крутний момент. Пристрій передає дані величини виконавчому механізму, у такий спосіб оптимізуючи весь робочий процес.
Редуктор А-700 призначений для експлуатації в приводах важко навантажених машин, тому найчастіше їм комплектують системи гірсько-наживного обладнання або спеціалізованих млинів типу МШР, МСЦ та ін.
Механічні перетворювачі від виробника «Промпривод»
Пропонуємо вам величезний вибір промислового обладнання, зокрема редукторів, мотор-редукторів, лебідок, гідравлічного обладнання й інших механізмів від вітчизняного досвідченого виробника компанії «ПромПривод». У нас ви зможете купити редуктори А-700, отримавши безплатну допомогу експерта з підбирання механізмів, а також чималий знижок за потреби купити редуктори гуртом.
Надаємо гарантію та вигідні умови співпраці для покупців з усієї України.
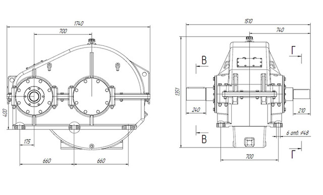
Основні установлювальні та габаритні розміри редуктора А-700

Розміри вхідного та вихідного вала редуктора А-700

Основні параметри редуктора А-700
| Найменування параметрів | Значення |
| Тип передавання | Циліндричний |
| Кількість щаблів | Одноступеневий |
| Розташування осей | Паралельне |
| Передавальне відношення | 4.0 |
| Номінальний крутний момент, Н·м | 13000 |
| Сумарна міжосьова відстань, мм | 700 |
| Маса, кг | 3400 |
| Максимальна швидкість обертання швидкохідного вала, об/хв | 1000 |
| Вихідний контур передавання | ГОСТ 13755-81 |
| Номінальна частота обертання вихідного вала, об/хв | 750 |
| Номінальне радіальне консольне навантаження, прикладено в середині посадкової частини, швидкохідного вала, Н | 6700 |
| Номінальне радіальне консольне навантаження, прикладено в середині посадкової частини, тихохідного вала, Н | 28500 |
| ККД | 98% |
| Коригований рівень звукової потужності, дБА | 113 |
Шевронне зубчасте зачеплення

Пример условного обозначения редуктора А-700

Редуктор А-700-4.0 шевронный
Відгуків про цей товар ще не було.
Немає відгуків про цей товар, станьте першим, залиште свій відгук.
Немає питань про даний товар, станьте першим і задайте своє питання.